Cauta produsul dorit:
Bun venit! [Autentificare!] In cos: 0 produse








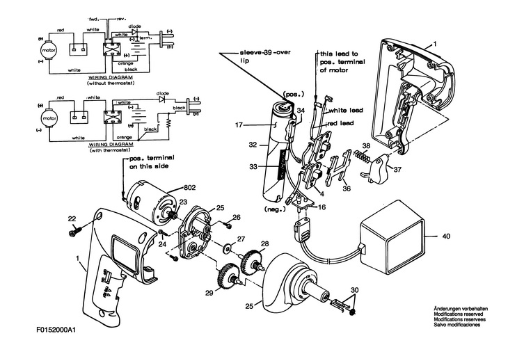
Top » Piese de schimb » PIESE SKIL » F0152000A1

SURUBELNITA CU ACUMULATOR (F0152000A1) 2000 / 3.6 V /EU
[F0152000A1]

SURUBELNITA CU ACUMULATOR  (F0152000A1)  2000 / 3.6 V /EU
Click pentru a mari
Imagini suplimentare
SURUBELNITA CU ACUMULATOR  (F0152000A1)  2000 / 3.6 V /EU
Click pentru a mari
LISTA DE COMPONENTE:
Numar Versiune Buc. in schema Denumire Pret/buc
(Tva inclus)
Cumpara
1 1 1 MANER (2610374692) 893 RON
4 1 1 INTRERUPATOR (2610350924) 2794 RON
4 1 1 INTRERUPATOR PORNIT/OPRIT (2610346997) 4584 RON
16 1 1 SIGURANTA (2610313839) 893 RON
17 1 1 2610373069 - Indisponibil
22 1 4 SURUB (2610323769) 558 RON
23 1 1 PINION (2610327756) 558 RON
24 1 3 SURUB (2610327772) 558 RON
25 1 1 CARCASA (2610374430) 8946 RON
26 1 2 SURUB (2610327798) 558 RON
27 1 1 2610327764 - Indisponibil
28 1 1 ROATA DINTATA (2610373101) 3466 RON
29 1 1 ROATA DINTATA (2610373100) 3466 RON
30 1 1 ARC (2610348377) 1229 RON
32 1 1 SET BATERIE (2610355790) 10624 RON
33 1 1 2610374312 - Indisponibil
34 1 1 INTRERUPATOR (2610350924) 2794 RON
37 1 1 PARGHIE (2610321644) 2123 RON
38 1 1 2610376909 - Indisponibil
39 1 1 BUCSA (2610374105) 893 RON
40 1 1 INCARCATOR (2610373715) 3689 RON
802 1 1 BLOC MOTOR 3,6V (2610373148) 5926 RON

Conditii Generale