| 40/02 |
1 |
1 |
CAPAC DE PROTECTIE LH (F016A75398)
|
15210 RON |
|
| 40/03 |
1 |
1 |
CAPAC LATERAL RH (F016A75089)
|
6374 RON |
|
| 40/04 |
1 |
1 |
CAPAC LATERAL R/H (F016A57578)
|
3689 RON |
|
| 40/08 |
1 |
1 |
PLACA (F016A58217)
|
8275 RON |
|
| 40/10 |
1 |
1 |
SET DE PIESE (F016A75059)
|
2794 RON |
|
| 40/11 |
1 |
1 |
SET DE PIESE (F016A75059)
|
2794 RON |
|
| 40/20 |
1 |
9 |
SURUB CU CAP IN CRUCE M5 (F016A57756)
|
558 RON |
|
| 40/21 |
1 |
6 |
SURUB M6 (F016A58228)
|
781 RON |
|
| 40/22 |
1 |
4 |
SURUB M6 (F016A58229)
|
781 RON |
|
| 40/23 |
1 |
4 |
NIT DE ZAVORARE (F016L12313)
|
558 RON |
|
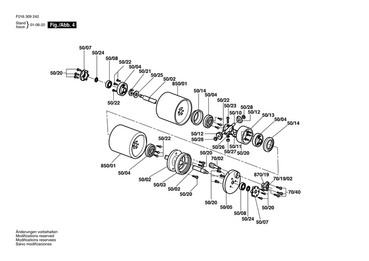
| 50/02 |
1 |
1 |
GRUPA AX (F016103800)
|
28184 RON |
|
| 50/03 |
1 |
1 |
INEL (F016A57635)
|
8275 RON |
|
| 50/04 |
1 |
4 |
ROATA DINTATA (F016A57674)
|
3354 RON |
|
| 50/05 |
1 |
1 |
ACOPERIRE (F016A58746)
|
1676 RON |
|
| 50/07 |
1 |
2 |
COLIVIE A RULMENTULUI (F016102093)
|
5926 RON |
|
| 50/08 |
1 |
2 |
RULMENT (F016A57838)
|
9242 RON |
|
| 50/10 |
1 |
2 |
ELEMENT DE FIXARE (F016L58216)
|
2794 RON |
|
| 50/11 |
1 |
2 |
BRATARA DE STRANGERE (F016A58483)
|
1229 RON |
|
| 50/12 |
1 |
2 |
ROATA DINTATA (F016A57499)
|
1676 RON |
|
| 50/13 |
1 |
1 |
TABLA (F016A57832)
|
3354 RON |
|
| 50/14 |
1 |
2 |
ROZETA MATERIAL PLASTIC (F016A57823)
|
1452 RON |
|
| 50/20 |
1 |
9 |
SURUB CU CAP IN CRUCE M5 (F016A57756)
|
558 RON |
|
| 50/21 |
1 |
1 |
INEL EXTERIOR (F016A57758)
|
781 RON |
|
| 50/22 |
1 |
9 |
STIFT (F016A58178)
|
781 RON |
|
| 50/23 |
1 |
1 |
SURUB (F016A58385)
|
558 RON |
|
| 50/24 |
1 |
2 |
ETRIER DE SIGURANTA (F016A58441)
|
1676 RON |
|
| 50/25 |
1 |
7 |
RONDELA M 20 (F016A58577)
|
781 RON |
|
| 50/26 |
1 |
1 |
RONDELA 8,5 MM (F016L35316)
|
781 RON |
|
| 50/27 |
1 |
1 |
PIULITA DE SIGURANTA M6 (F016L35388)
|
781 RON |
|
| 50/28 |
1 |
2 |
INEL DE REGLARE 12 MM T40 (F016T49100)
|
781 RON |
|
| 55/01 |
1 |
1 |
PLACA LATERALA L/H (F016A75001)
|
679 RON |
|
| 55/02 |
1 |
1 |
PLACA LATERALA R/H (F016A58744)
|
5926 RON |
|
| 55/06 |
1 |
2 |
CUTIT INFERIOR (F016L23147)
|
781 RON |
|
| 55/07 |
1 |
1 |
ARBORE DE COSIT (F016A58821)
|
82990 RON |
|
| 55/08/02 |
1 |
2 |
LAGAR (F016A58741)
|
Indisponibil |
Indisponibil |
| 55/09 |
1 |
2 |
TABLA DE PROTECTIE (F016A58854)
|
Indisponibil |
Indisponibil |
| 55/11 |
1 |
1 |
ARC DE STRANGERE (F016A58856)
|
1036 RON |
|
| 55/13 |
1 |
1 |
ROATA DINTATA (F016A57590)
|
5926 RON |
|
| 55/13 |
1 |
1 |
ROATA DINTATA (F016A57590)
|
5926 RON |
|
| 55/14 |
1 |
2 |
PIESA DE REGLARE (F016A57669)
|
Indisponibil |
Indisponibil |
| 55/15 |
1 |
2 |
SURUB DE REGLARE (F016A57713)
|
893 RON |
|
| 55/17 |
1 |
2 |
ARBORE PATRAT (F016T41057)
|
Indisponibil |
Indisponibil |
| 55/40 |
1 |
4 |
SURUB CU CAP IN CRUCE M5 (F016A57756)
|
558 RON |
|
| 55/41 |
1 |
2 |
SURUB (F016A58174)
|
893 RON |
|
| 55/43 |
1 |
2 |
SURUB M6 (F016A58229)
|
781 RON |
|
| 55/44 |
1 |
2 |
PIULITA 1/4 UNF (F016L06954)
|
558 RON |
|
| 55/45 |
1 |
2 |
BOLT FILETAT M6x25 MM (F016L11371)
|
837 RON |
|
| 55/46 |
1 |
2 |
RONDELA 8,5 MM (F016L35316)
|
781 RON |
|
| 55/47 |
1 |
4 |
SAIBA DE SIGURANTA (F016L35389)
|
558 RON |
|
| 55/48 |
1 |
2 |
PIULITA M8 (F016L35457)
|
781 RON |
|
| 55/49 |
1 |
2 |
ARC (F016T47205)
|
781 RON |
|
| 55/50 |
1 |
2 |
DISC DE SIGURANTA (F016T49443)
|
Indisponibil |
Indisponibil |
| 60/02 |
1 |
1 |
AX (F016A57755)
|
2868 RON |
|
| 60/04 |
1 |
4 |
ROLA (F016A57745)
|
5926 RON |
|
| 60/08 |
1 |
1 |
CUZINET (F016A57675)
|
893 RON |
|
| 60/09 |
1 |
1 |
CEP, PIVOT L/H (F016A57748)
|
781 RON |
|
| 60/10 |
1 |
1 |
CAPAC (F016A57676)
|
781 RON |
|
| 60/11 |
1 |
1 |
ARC (F016A57820)
|
893 RON |
|
| 60/15 |
1 |
1 |
ARC (F016A57995)
|
2794 RON |
|
| 60/16 |
1 |
1 |
CAPAC (F016A57576)
|
2123 RON |
|
| 60/17 |
1 |
1 |
SAIBA, DISC (F016A57577)
|
1676 RON |
|
| 60/19 |
1 |
1 |
PLACA DE RETINERE (F016A58331)
|
1117 RON |
|
| 60/20 |
1 |
1 |
AX (F016A58231)
|
5479 RON |
|
| 60/21 |
1 |
1 |
PIULITA (F016A58233)
|
4143 RON |
|
| 60/22 |
1 |
1 |
PERETE DE GHIDAJ (F016A75786)
|
10676 RON |
|
| 60/23 |
1 |
1 |
PIULITA (F016A58232)
|
781 RON |
|
| 60/24 |
1 |
1 |
RULMENT (F016T48358)
|
558 RON |
|
| 60/25 |
1 |
1 |
ARC DE PRESIUNE (F016T48420)
|
781 RON |
|
| 60/26 |
1 |
1 |
BUTON (F016A58730)
|
558 RON |
|
| 60/27 |
1 |
1 |
CAPAC DE INCHIDERE (F016T48421)
|
781 RON |
|
| 60/30/02 |
1 |
1 |
AX (F016A57886)
|
5479 RON |
|
| 60/30/03 |
1 |
47 |
ARC (F016A57887)
|
781 RON |
|
| 60/30/04 |
1 |
1 |
GARNITURA INELARA (F016A57930)
|
1117 RON |
|
| 60/30/10 |
1 |
2 |
SURUB CU CAP HEXAGONAL M6x12 (F016L18120)
|
781 RON |
|
| 60/31 |
1 |
2 |
GARNITURA INELARA (F016A57912)
|
190 RON |
|
| 60/40 |
1 |
5 |
RONDELA (F016L09602)
|
558 RON |
|
| 60/41 |
1 |
1 |
ETRIER DE SIGURANTA (F016L32612)
|
781 RON |
|
| 60/42 |
1 |
3 |
ARC DISC 5/16 SW SE (F016L35307)
|
Indisponibil |
Indisponibil |
| 60/44 |
1 |
5 |
RONDELA 8,5 MM (F016L35411)
|
558 RON |
|
| 60/45 |
1 |
3 |
PIULITA M8 (F016L35457)
|
781 RON |
|
| 60/46 |
1 |
1 |
BOLT DE RULARE (F016T46339)
|
558 RON |
|
| 60/47 |
1 |
1 |
SAIBA, DISC (F016T46684)
|
781 RON |
|
| 60/48 |
1 |
2 |
SURUB CU CAP HEXAGONAL M8 (F016T48048)
|
558 RON |
|
| 60/49 |
1 |
1 |
DISC DE SIGURANTA (F016T48359)
|
558 RON |
|
| 60/50 |
1 |
1 |
SURUB M6 (F016T48457)
|
781 RON |
|
| 60/51 |
1 |
1 |
INEL DE REGLARE (F016T48549)
|
781 RON |
|
| 60/53 |
1 |
1 |
SURUB CU CAP HEXAGONAL WAS 170 (F016W25213)
|
893 RON |
|
| 65/01/01/01 |
1 |
1 |
PIESA DE SCHIMB (F016A75032)
|
202556 RON |
|
| 65/01/02 |
1 |
1 |
ELEMENT DE CUPLAJ (F016A58602)
|
15297 RON |
|
| 65/01/09 |
1 |
1 |
CABLU DE TRACTIUNE (F016A58086)
|
3354 RON |
|
| 65/01/20 |
1 |
4 |
BOLT DE RULARE M8 (F016A58093)
|
558 RON |
|
| 65/01/21 |
1 |
4 |
ARC DISC 5/16 SW SE (F016L35307)
|
Indisponibil |
Indisponibil |
| 65/01/22 |
1 |
2 |
SURUB (F016L20896)
|
781 RON |
|
| 65/01/23 |
1 |
4 |
RONDELA 8,5 MM (F016L35411)
|
558 RON |
|
| 65/01/24 |
1 |
2 |
PIULITA M8 (F016L35457)
|
781 RON |
|
| 65/01/30 |
1 |
1 |
F016A58561
|
- |
Indisponibil |
| 65/01/30/05 |
1 |
1 |
CONSOLA / BRAT DE SUSTINERE (F016A58563)
|
558 RON |
|
| 65/01/30/06 |
1 |
2 |
SURUB (F016T48535)
|
558 RON |
|
| 65/01/32 |
1 |
1 |
SURUB 5/16 UNF X 5/8 (F016L20252)
|
781 RON |
|
| 65/01/33 |
1 |
1 |
RONDELA O8,15 MM (F016T40590)
|
558 RON |
|
| 65/12 |
1 |
1 |
CAPAC REZERVOR PCL89/QX (F016L62783)
|
3466 RON |
|
| 65/13 |
1 |
1 |
CONDUCTA DE CARBURANT (F016103787)
|
2459 RON |
|
| 65/13/03 |
1 |
2 |
BRATARA DE TEVI (F016A57982)
|
1117 RON |
|
| 70/01 |
1 |
1 |
ARBORE DE ANTRENARE 20" (F016A57740)
|
8275 RON |
|
| 70/02 |
1 |
1 |
ARBORE (F016102295)
|
Indisponibil |
Indisponibil |
| 70/03/05 |
1 |
1 |
BUCSA (F016A57762)
|
1676 RON |
|
| 70/05/02 |
1 |
1 |
BUCSA (F016A57761)
|
1452 RON |
|
| 70/06 |
1 |
2 |
ROATA DE CUREA 46 MM (F016A58726)
|
1229 RON |
|
| 70/09 |
1 |
1 |
VALT DE INTOARCERE (F016102815)
|
9242 RON |
|
| 70/10 |
1 |
1 |
CUREA (F016A58728)
|
Indisponibil |
Indisponibil |
| 70/11 |
1 |
1 |
CUREA TRAPEZOIDALA (F016A57941)
|
16572 RON |
|
| 70/18 |
1 |
1 |
COLIVIE A RULMENTULUI (F016102969)
|
1676 RON |
|
| 70/19/02 |
1 |
2 |
CUZINET (F016A57764)
|
1229 RON |
|
| 70/21 |
1 |
1 |
DISTANTIER (F016A58315)
|
781 RON |
|
| 70/22 |
1 |
1 |
ARC (F016A58316)
|
781 RON |
|
| 70/23 |
1 |
1 |
ELEMENT DE CUPLAJ (F016L09518)
|
2123 RON |
|
| 70/24 |
1 |
2 |
SUPORT (F016L66172)
|
1036 RON |
|
| 70/25 |
1 |
3 |
GARNITURA INELARA (F016A57780)
|
1117 RON |
|
| 70/28 |
1 |
1 |
RULMENT (F016A57838)
|
9242 RON |
|
| 70/29 |
1 |
1 |
ARC DE REGLARE (F016A58531)
|
1117 RON |
|
| 70/30 |
1 |
1 |
ARC DE REGLARE (F016A58530)
|
893 RON |
|
| 70/32 |
1 |
2 |
ARC (F016L08487)
|
190 RON |
|
| 70/34 |
1 |
1 |
FUS DE LAGAR (F016A58422)
|
2071 RON |
|
| 70/35 |
1 |
1 |
ROATA DE CUREA (F016102067)
|
2123 RON |
|
| 70/40 |
1 |
3 |
SURUB CU CAP IN CRUCE M5 (F016A57756)
|
558 RON |
|
| 70/40 |
1 |
3 |
SURUB CU CAP IN CRUCE M5 (F016A57756)
|
558 RON |
|
| 70/41 |
1 |
2 |
INEL DE SIGURANTA (F016A57759)
|
558 RON |
|
| 70/42 |
1 |
1 |
SAIBA, DISC (F016A57907)
|
558 RON |
|
| 70/43 |
1 |
1 |
RONDELA (F016L09707)
|
558 RON |
|
| 70/44 |
1 |
1 |
PIULITA DE SIGURANTA M8 (F016L11218)
|
558 RON |
|
| 70/45 |
1 |
1 |
RONDELA (F016L17849)
|
Indisponibil |
Indisponibil |
| 70/46 |
1 |
1 |
SURUB CU CAP HEXAGONAL M6x12 (F016L18120)
|
781 RON |
|
| 70/47 |
1 |
1 |
CLEMA PIULITA M12 (F016L18605)
|
558 RON |
|
| 70/48 |
1 |
1 |
PIULITA M12 (F016L23210)
|
Indisponibil |
Indisponibil |
| 70/49 |
1 |
2 |
ARC DISC 5/16 SW SE (F016L35307)
|
Indisponibil |
Indisponibil |
| 70/51 |
1 |
2 |
SURUB PENTRU LEMN M6 (F016L35387)
|
781 RON |
|
| 70/52 |
1 |
1 |
PIULITA DE SIGURANTA M6 (F016L35388)
|
781 RON |
|
| 70/54 |
1 |
2 |
PIULITA M8 (F016L35457)
|
781 RON |
|
| 70/55 |
1 |
2 |
SAIBA, DISC (F016T42988)
|
558 RON |
|
| 70/56 |
1 |
1 |
BOLT DE RULARE (F016T48017)
|
558 RON |
|
| 70/57 |
1 |
1 |
RONDELA 8,5 MM (F016L35316)
|
781 RON |
|
| 75/1/40/08 |
1 |
1 |
MANETA DE PORNIRE (F016102221)
|
11071 RON |
|
| 75/01/01 |
1 |
1 |
ETRIER (F016A57847)
|
2656 RON |
|
| 75/01/40/02 |
1 |
1 |
AX (F016A57966)
|
3689 RON |
|
| 75/01/40/03 |
1 |
1 |
GARNITURA INELARA (F016L37421)
|
2123 RON |
|
| 75/01/40/04 |
1 |
1 |
GARNITURA INELARA (F016T48496)
|
1676 RON |
|
| 75/01/40/05 |
1 |
1 |
CARCASA L/H (F016T48487)
|
1117 RON |
|
| 75/01/40/06 |
1 |
1 |
CARCASA R/H (F016T49289)
|
1117 RON |
|
| 75/01/40/07 |
1 |
2 |
ELEMENT DE FIXARE (F016T48550)
|
558 RON |
|
| 75/01/40/18 |
1 |
1 |
GARNITURA INELARA (F016A57985)
|
190 RON |
|
| 75/01/40/20 |
1 |
2 |
DISC DE SIGURANTA M 20 (F016T48341)
|
558 RON |
|
| 75/01/40/21 |
1 |
2 |
RONDELA M 20 (F016T48342)
|
558 RON |
|
| 75/01/40/22 |
1 |
4 |
SURUB (F016T48535)
|
558 RON |
|
| 75/01/40/24 |
1 |
3 |
SAIBA, DISC M 20 (F016T48777)
|
558 RON |
|
| 75/01/41 |
1 |
2 |
ELEMENT DE FIXARE (F016T48550)
|
558 RON |
|
| 75/01/42 |
1 |
2 |
SURUB PENTRU LEMN (F016T48462)
|
558 RON |
|
| 75/01/43 |
1 |
2 |
RONDELA 8,5 MM (F016L35316)
|
781 RON |
|
| 75/01/44 |
1 |
2 |
CAPAC DE INCHIDERE (F016T48461)
|
558 RON |
|
| 75/03 |
1 |
1 |
ETRIER DE FIXARE (F016102053)
|
2868 RON |
|
| 75/04 |
1 |
1 |
ETRIER DE FIXARE (F016102054)
|
2794 RON |
|
| 75/05 |
1 |
1 |
PARGHIE (F016103833)
|
190 RON |
|
| 75/06 |
1 |
1 |
MANETA DE PORNIRE (F016L36714)
|
13532 RON |
|
| 75/08 |
1 |
2 |
SUPORT (F016L36717)
|
Indisponibil |
Indisponibil |
| 75/09 |
1 |
3 |
BUCSA (F016L36719)
|
Indisponibil |
Indisponibil |
| 75/10 |
1 |
2 |
CAPAC DE SIGURANTA O8 MM NEGRU (F016T48990)
|
558 RON |
|
| 75/11 |
1 |
1 |
CABLU DE TRACTIUNE (F016A58035)
|
4584 RON |
|
| 75/12 |
1 |
1 |
PIESA DE REGLARE (F016A58040)
|
3466 RON |
|
| 75/12 |
1 |
1 |
CABLU DE TRACTIUNE (F016A58036)
|
4584 RON |
|
| 75/13 |
1 |
1 |
STIFT DE ZAVORARE (F016A58203)
|
3665 RON |
|
| 75/14 |
1 |
1 |
PARGHIE (F016T48856)
|
558 RON |
|
| 75/15 |
1 |
1 |
PARGHIE (F016T48384)
|
1452 RON |
|
| 75/16 |
1 |
1 |
SUPORT (F016103834)
|
2868 RON |
|
| 75/25 |
1 |
2 |
PIULITA M4 (F016L59927)
|
558 RON |
|
| 75/25 |
1 |
1 |
PIULITA (F016L11228)
|
558 RON |
|
| 75/26 |
1 |
1 |
ARC DISC M6 (F016L22700)
|
558 RON |
|
| 75/27 |
1 |
1 |
PIULITA SPECIALA (F016L22701)
|
1117 RON |
|
| 75/29 |
1 |
4 |
PIULITA M5 (F016L36836)
|
781 RON |
|
| 75/30 |
1 |
1 |
SURUB (F016T48002)
|
558 RON |
|
| 75/31 |
1 |
1 |
STIFT CILINDRIC (F016T56145)
|
781 RON |
|
| 80/02 |
1 |
1 |
REZERVOR DE COLECTARE (F016103794)
|
109950 RON |
|
| 85/02/12 |
1 |
1 |
CHEIE STIFT (F016A58230)
|
1117 RON |
|
| 85/02/13 |
1 |
3 |
CLEMA CABLU (F016T49524)
|
893 RON |
|
| 85/02/14 |
1 |
2 |
ROLA DE CONDUCERE (F016L22149)
|
1676 RON |
|
| 85/02/16 |
1 |
1 |
SURUB M5x32 (F016L36722)
|
558 RON |
|
| 85/33 |
1 |
1 |
AX (F016A57749)
|
8946 RON |
|
| 85/34 |
1 |
1 |
MANSON DE DISTANTARE (F016A57837)
|
1452 RON |
|
| 840/01 |
1 |
1 |
SET DE PIESE 20" (F016103398)
|
119452 RON |
|
| 840/05 |
1 |
1 |
PIESA DE SCHIMB (F016S50099)
|
22480 RON |
|
| 840/06 |
1 |
1 |
ACOPERITOARE (F016102073)
|
5926 RON |
|
| 840/07 |
1 |
1 |
CONSOLA / BRAT DE SUSTINERE (F016S50085)
|
1229 RON |
|
| 840/09 |
1 |
1 |
CUTIE BATERIE (F016S50084)
|
17223 RON |
|
| 850 |
1 |
1 |
ROLA DE CONDUCERE (F016103217)
|
134440 RON |
|
| 850/01 |
1 |
2 |
ROLA (F016103775)
|
38139 RON |
|
| 855 |
1 |
1 |
CASETA (F016102964)
|
204761 RON |
|
| 855/03 |
1 |
1 |
MANER (F016S50093)
|
22480 RON |
|
| 855/04 |
1 |
1 |
PLACA DEVIATOARE (F016103795)
|
59725 RON |
|
| 855/05 |
1 |
1 |
CUTIT INFERIOR 20" (F016103797)
|
78718 RON |
|
| 855/08 |
1 |
2 |
LAGAR (F016102805)
|
Indisponibil |
Indisponibil |
| 860/01 |
1 |
1 |
VALT (F016S50069)
|
5926 RON |
|
| 860/18 |
1 |
1 |
TIMONERIE (F016103796)
|
5577 RON |
|
| 860/30/01 |
1 |
1 |
CADRU (F016102987)
|
10624 RON |
|
| 865/11 |
1 |
1 |
REZERVOR DE COMBUSTIBIL (F016102376)
|
24829 RON |
|
| 870/03 |
1 |
1 |
ANSAMBLU DE TRANSMISIE (F016102377)
|
11071 RON |
|
| 870/04 |
1 |
1 |
ROATA DE CUREA (F016103221)
|
Indisponibil |
Indisponibil |
| 870/05 |
1 |
1 |
ROATA DINTATA (F016102379)
|
Indisponibil |
Indisponibil |
| 870/07 |
1 |
1 |
ROLA (F016102282)
|
11071 RON |
|
| 870/13 |
1 |
1 |
BLOC SCHIMBATOR DE VITEZE S/A (F016102378)
|
190 RON |
|
| 870/14 |
1 |
1 |
PIATRA DE GHIDARE (F016102818)
|
2794 RON |
|
| 870/17 |
1 |
1 |
TRANSPORTOR CU CHINGA (F016103152)
|
679 RON |
|
| 870/19 |
1 |
1 |
SUPORT (F016102382)
|
3689 RON |
|
| 880/01 |
1 |
1 |
TUB DE SPRIJIN (F016103781)
|
2656 RON |
|
| 8756 |
1 |
1 |
SET DE REPARATII (F016L37700)
|
Indisponibil |
Indisponibil |