Cauta produsul dorit:
Bun venit! [Autentificare!] In cos: 0 produse








Top » Piese de schimb » PIESE SKIL » F0152105K2

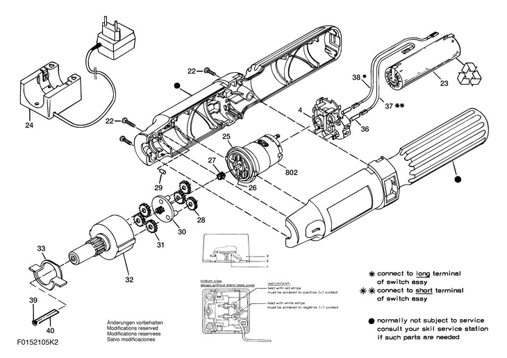
MASINA DE INSURUBAT (F0152105K2) 2105 / 2.4 V /EU
[F0152105K2]

MASINA DE INSURUBAT  (F0152105K2)  2105 / 2.4 V /EU
Click pentru a mari
Imagini suplimentare
MASINA DE INSURUBAT  (F0152105K2)  2105 / 2.4 V /EU
Click pentru a mari
LISTA DE COMPONENTE:
Numar Versiune Buc. in schema Denumire Pret/buc
(Tva inclus)
Cumpara
4 1 1 INTRERUPATOR (2610352858) 2794 RON
22 1 3 SURUB (2610347948) 558 RON
23 1 1 SET BATERIE (2610347929) 5926 RON
24 1 1 INCARCATOR 220V (2610374311) 13532 RON
25 1 1 PLACA (2610347911) 558 RON
26 1 2 SURUB (2610350012) 558 RON
27 1 1 ROATA DINTATA (2610352042) 558 RON
28 1 3 ROATA DINTATA (2610350359) 558 RON
29 1 1 BUSON (2610354679) 558 RON
30 1 1 SUPORT (2610353495) 893 RON
31 1 3 ROATA DINTATA (2610347918) 558 RON
32 1 1 CORP ROATA DINTATA (2610350009) 4143 RON
33 1 1 SET DE REPARATII (2610354697) 893 RON
36 1 2 2610332300 - Indisponibil
37 1 1 CONDUCTA DE LEGATURA (2610352730) 3689 RON
38 1 1 CONDUCTA DE LEGATURA (2610347439) 781 RON
39 1 1 ARC DE RETINERE (2610354744) 2123 RON
40 1 1 ARC DE RETINERE (2610354744) 2123 RON
802 1 1 ELECTROMOTOR 2,4-3,6V (2610352716) 3354 RON

Conditii Generale