Cauta produsul dorit:
Bun venit! [Autentificare!] In cos: 0 produse








Top » Piese de schimb » PIESE SKIL » F0156470A1

MASINA DE GAURIT PERCUTIE (F0156470A1) 6470 H1 / 230 V /EU
[F0156470A1]

MASINA DE GAURIT PERCUTIE  (F0156470A1)  6470 H1 / 230 V /EU
Click pentru a mari
Imagini suplimentare
MASINA DE GAURIT PERCUTIE  (F0156470A1)  6470 H1 / 230 V /EU
Click pentru a mari
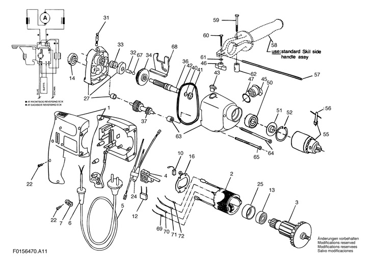
LISTA DE COMPONENTE:
Numar Versiune Buc. in schema Denumire Pret/buc
(Tva inclus)
Cumpara
1 1 1 CARCASA (2610384928) 5479 RON
2 1 1 STATOR 230-240V (2610385990) 13532 RON
3 1 1 Rotor 230-240V (2610384934) 24158 RON
4 1 1 INTRERUPATOR (2610384942) 8946 RON
5 1 1 CONDUCTOR DE RETEA EU 2,65m 2 x 1,0mm H05 VV-F (2610362954) 2123 RON
6 1 1 MUFA (2610360176) 558 RON
7 1 1 BRATARA DE CABLU (2610372882) 893 RON
10 1 1 PERIE DE CARBUNE (2610383784) 3466 RON
12 1 1 CONDENSATOR DEPARAZITARE (2609004538) 1229 RON
13 1 1 RULMENT (2610374213) 2794 RON
14 1 1 RULMENT CU BILE 8x22x7 MM (2600905052) 2459 RON
16 1 1 PLACA DE SUSTINERE (2610384945) 3354 RON
22 1 10 SURUB (2610367838) 558 RON
24 1 1 DROSEL (2610384927) 3689 RON
25 1 1 INEL (2610377164) 1229 RON
27 1 1 CAPAC DE LAGAR (2610384925) 10624 RON
31 1 1 AX (2610384944) 1676 RON
32 1 1 STIFT (2610384931) 781 RON
33 1 1 ARC (2610384932) 558 RON
34 1 1 ROATA DINTATA (2610376164) 5926 RON
36 1 1 AX (2610384924) 5926 RON
37 1 1 AX (2610385598) 8275 RON
40 1 1 INEL (2610376159) 558 RON
41 1 1 INEL (2610376158) 558 RON
42 1 1 INEL (2610376160) 893 RON
43 1 1 BUTON (2610384933) 1117 RON
45 1 1 BUTON (2610384941) 1229 RON
46 1 1 BUTON (2610376191) 1676 RON
47 1 1 INEL (2610376151) 558 RON
50 1 1 RULMENT (2610360847) 2868 RON
51 1 1 GARNITURA (2610384926) 558 RON
52 1 1 INEL (2610376152) 781 RON
55 1 1 MANDRINA (2610387215) 11071 RON
56 1 1 CHEIE DE MANDRINE (2610063333) 2868 RON
57 1 1 2610376186 - Indisponibil
58 1 1 MANER SUPLIMENTAR (2602025094) 2459 RON
59 1 1 BOLT (2610376189) 558 RON
60 1 1 BOLT (2610376190) 558 RON
61 1 1 SAIBA, DISC (2610062908) 558 RON
62 1 1 PIULITA (2610376187) 558 RON
63 1 1 CARCASA (2610384929) 679 RON
64 1 2 SURUB (2610376149) 1676 RON
65 1 2 SURUB (2610371879) 837 RON
67 1 1 BILA (2610384930) 558 RON
68 1 1 PLACA DE GHIDARE (2610384940) 893 RON
69 1 1 SARMA (2610384936) 1117 RON
70 1 1 SARMA (2610384937) 893 RON
71 1 1 SARMA (2610384938) 893 RON
72 1 1 SARMA (2610384939) 893 RON

Conditii Generale