Cauta produsul dorit:
Bun venit! [Autentificare!] In cos: 0 produse








Top » Piese de schimb » PIESE SKIL » F0156454A1

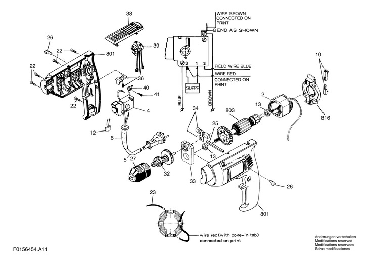
MASINA DE GAURIT PERCUTIE (F0156454A1) 6454 H1 / 230 V /EU
[F0156454A1]

MASINA DE GAURIT PERCUTIE  (F0156454A1)  6454 H1 / 230 V /EU
Click pentru a mari
Imagini suplimentare
MASINA DE GAURIT PERCUTIE  (F0156454A1)  6454 H1 / 230 V /EU
Click pentru a mari
LISTA DE COMPONENTE:
Numar Versiune Buc. in schema Denumire Pret/buc
(Tva inclus)
Cumpara
2 1 1 STATOR 230V (2610367938) 5926 RON
4 1 1 INTRERUPATOR (2610377318) 8946 RON
5 1 1 CONDUCTOR DE RETEA EU 2,65m 2 x 1,0mm H05 VV-F (2610362954) 2123 RON
6 1 1 MUFA (2610360176) 558 RON
10 1 2 PORTPERIE (2610376874) Indisponibil Indisponibil
12 1 1 CONDENSATOR (2610374704) 1117 RON
13 1 2 RULMENT CU BILE 8x22x7 MM (2600905052) 2459 RON
22 1 7 SURUB CU CAP SEMIROTUND T T20-8x19 MM (2610374919) Indisponibil Indisponibil
23 1 1 CONDUCTOR ELECTRIC ALBASTRU (2610377019) 893 RON
25 1 1 BANDA, FASIE (2610377099) 558 RON
26 1 2 BUTON (2610376669) 558 RON
27 1 1 MANDRINA RAPIDA 13 MM (2610386549) 17223 RON
32 1 1 AX (2610385542) 10624 RON
33 1 1 CAPAC DE LAGAR (2610376880) Indisponibil Indisponibil
34 1 1 COMUTATOR (2610376866) Indisponibil Indisponibil
36 1 1 PARGHIE (2610376870) 1229 RON
38 1 1 PLACA SUPERIOARA (2610384780) 558 RON
39 1 1 MICROINTERUPATOR (2610377320) 5926 RON
40 1 1 PIESA DE LEGATURA (2610377270) 781 RON
41 1 1 SURUB (2610377369) 558 RON
801 1 1 CARCASA (2610377321) 5479 RON
803 1 1 Rotor 230V (2610376674) 13532 RON
816 1 1 PORTPERIE (2610376873) 4584 RON

Conditii Generale