Cauta produsul dorit:
Bun venit! [Autentificare!] In cos: 0 produse








Top » Piese de schimb » PIESE SKIL » F0156445A1

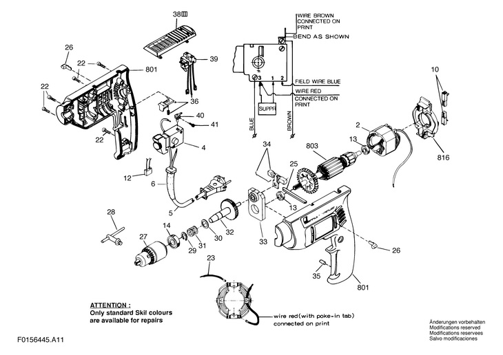
MASINA DE GAURIT PERCUTIE (F0156445A1) 6445 H1 / 230 V /EU
[F0156445A1]

MASINA DE GAURIT PERCUTIE  (F0156445A1)  6445 H1 / 230 V /EU
Click pentru a mari
Imagini suplimentare
MASINA DE GAURIT PERCUTIE  (F0156445A1)  6445 H1 / 230 V /EU
Click pentru a mari
LISTA DE COMPONENTE:
Numar Versiune Buc. in schema Denumire Pret/buc
(Tva inclus)
Cumpara
2 1 1 STATOR 230V (2610367938) 5926 RON
4 1 1 INTRERUPATOR (2610377318) 8946 RON
5 1 1 CONDUCTOR DE RETEA EU 2,65m 2 x 1,0mm H05 VV-F (2610362954) 2123 RON
6 1 1 MUFA (2610360176) 558 RON
10 1 1 PORTPERIE (2610376874) Indisponibil Indisponibil
12 1 1 CONDENSATOR (2610374704) 1117 RON
13 1 2 RULMENT CU BILE 8x22x7 MM (2600905052) 2459 RON
14 1 1 RULMENT (2610376249) 2794 RON
22 1 7 SURUB CU CAP SEMIROTUND T T20-8x19 MM (2610374919) Indisponibil Indisponibil
23 1 1 CONDUCTOR ELECTRIC ALBASTRU (2610377019) 893 RON
25 1 1 BANDA, FASIE (2610377099) 558 RON
26 1 2 BUTON (2610376669) 558 RON
27 1 1 MANDRINA (2610387215) 11071 RON
28 1 1 CHEIE DE MANDRINE (2610063333) 2868 RON
29 1 1 INEL (2610376770) 558 RON
30 1 1 SAIBA, DISC (2610376663) 558 RON
31 1 1 ARC (2610376656) 558 RON
32 1 1 AX (2610376878) 10624 RON
33 1 1 CAPAC DE LAGAR (2610376880) Indisponibil Indisponibil
34 1 1 COMUTATOR (2610376866) Indisponibil Indisponibil
35 1 1 BUSON (2610028780) 558 RON
36 1 1 PARGHIE (2610376870) 1229 RON
38 1 1 PLACA SUPERIOARA (2610384780) 558 RON
39 1 1 MICROINTERUPATOR (2610377320) 5926 RON
40 1 1 PIESA DE LEGATURA (2610377270) 781 RON
41 1 1 SURUB (2610377369) 558 RON
801 1 1 CARCASA (2610377321) 5479 RON
803 1 1 Rotor 230V (2610376674) 13532 RON
816 1 1 PORTPERIE (2610376873) 4584 RON

Conditii Generale