Cauta produsul dorit:
Bun venit! [Autentificare!] In cos: 0 produse








Top » Piese de schimb » PIESE SKIL » F0151418B1

MASINA DE GAURIT (F0151418B1) 1418H1 / 230 V /
[F0151418B1]

MASINA DE GAURIT  (F0151418B1)  1418H1 / 230 V /
Click pentru a mari
Imagini suplimentare
MASINA DE GAURIT  (F0151418B1)  1418H1 / 230 V /
Click pentru a mari
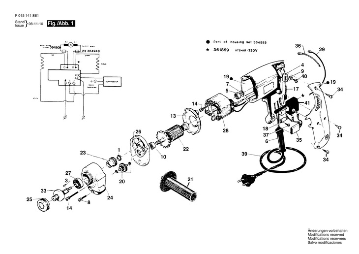
LISTA DE COMPONENTE:
Numar Versiune Buc. in schema Denumire Pret/buc
(Tva inclus)
Cumpara
1 1 1 INEL (2610010738) 558 RON
3 1 1 PANA (2610015759) 1229 RON
4 1 2 SUPORT PERII DE CARBUNE (2610020170) 893 RON
5 1 1 RULMENT (2610388290) 3466 RON
6 1 1 MUFA (2610062520) 893 RON
7 1 1 INEL DE ETANSARE ARBORE (2610062656) 558 RON
8 1 1 SURUB (2610061965) 558 RON
9 1 2 CLEMA (2610062876) 893 RON
10 1 1 RULMENT CU BILE 8x22x7 MM (2600905052) 2459 RON
13 1 1 DEFLECTOR DE AER (2610063759) 1676 RON
14 1 2 SURUB (2610063780) 558 RON
17 1 1 PERIE DE CARBUNE (2610063905) 2794 RON
18 1 1 BRATARA DE CABLU (2610064973) 558 RON
19 1 1 CARCASA (2610384954) 11071 RON
20 1 1 ROATA DINTATA (2610360713) 8946 RON
21 1 1 2610360855 - Indisponibil
22 1 1 Rotor 230V (2610360927) 13532 RON
23 1 1 ROATA DINTATA (2610361005) 8946 RON
24 1 1 CARCASA (2610361007) 3689 RON
25 1 1 2610370938 - Indisponibil
26 1 1 CAPAC DE LAGAR (2610361011) 5032 RON
27 1 1 RULMENT (2610376249) 2794 RON
28 1 1 STATOR 230V (2610367938) 5926 RON
29 1 1 CONDUCTOR ELECTRIC (2610371113) 1117 RON
33 1 1 AX (2610370937) 10624 RON
34 1 3 SURUB CU CAP SEMIROTUND T 8x16 (2610374916) 558 RON
35 1 1 CONDENSATOR (2610374790) 2123 RON
36 1 1 CONDUCTOR ELECTRIC (2610371114) 1676 RON
37 1 2 SURUB CU CAP SEMIROTUND T 8x13 (2610374913) 558 RON
38 1 2 SAIBA, DISC (2610377828) 558 RON
39 1 1 CONDUCTOR DE RETEA EU 2,65m 2 x 1,0mm H05 VV-F (2610362954) 2123 RON
40 1 2 SURUB CU CAP SEMIROTUND T 8x13 (2610374913) 558 RON
41 1 1 INTRERUPATOR (2610361511) 13532 RON
42 1 1 2610364310 - Indisponibil
43 1 5 SAIBA, DISC (2610061984) 558 RON

Conditii Generale