Cauta produsul dorit:
Bun venit! [Autentificare!] In cos: 0 produse








Top » Piese de schimb » PIESE SKIL » F0152745A1

MASINA DE GAURIT CU ACUM (F0152745A1) 2745 / 12 V /EU
[F0152745A1]

MASINA DE GAURIT CU ACUM  (F0152745A1)  2745 / 12 V /EU
Click pentru a mari
Imagini suplimentare
MASINA DE GAURIT CU ACUM  (F0152745A1)  2745 / 12 V /EU
Click pentru a mari
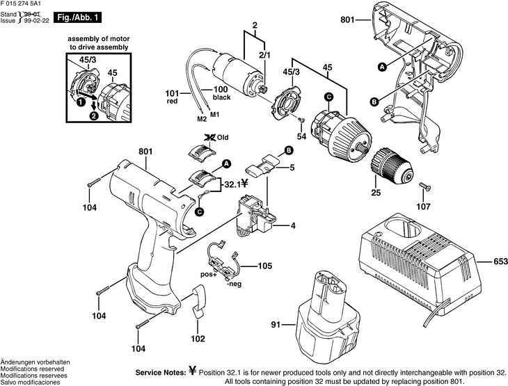
LISTA DE COMPONENTE:
Numar Versiune Buc. in schema Denumire Pret/buc
(Tva inclus)
Cumpara
2 1 1 Motor (2610967610) 15210 RON
2/1 1 1 PINION Z=12 (2610967116) 1229 RON
4 1 1 SET INTRERUPATOARE (2610967626) 17223 RON
5 1 1 COMUTATOR NEGRU (2610967639) 893 RON
25 1 1 MANDRINA RAPIDA (2608572214) 20715 RON
32/1 1 1 REGULATOR DE AVANS (2610910668) 2123 RON
45 1 1 TRACTIUNE (2610995858) 17223 RON
45/3 1 1 FLANSA (2610967692) 893 RON
54 1 2 SURUB (2610967115) 558 RON
91 1 1 ACUMULATOR 1,3 A (2610910938) 78718 RON
91 1 1 ACUMULATOR 1,7 A (2610910937) 38139 RON
100 1 1 SARMA NEGRU (2610967634) 558 RON
101 1 1 SARMA ROSU (2610967635) 558 RON
102 1 1 MUFA (2610351018) 893 RON
104 1 7 SURUB NEGRU (2610909719) 558 RON
105 1 1 MANSON DE LEGATURA (2610910986) 1117 RON
107 1 1 SURUB CU CAP INGROPAT M5x20 (2609110721) 558 RON
653 1 1 INCARCATOR 230V (2610385474) 24158 RON
653 1 1 INCARCATOR GB 230/12V (2610910493) 23265 RON
801 1 1 CARCASA MOTOR (2610910680) 5032 RON

Conditii Generale