Cauta produsul dorit:
Bun venit! [Autentificare!] In cos: 0 produse








Top » Piese de schimb » PIESE SKIL » F0152235H2

MASINA DE GAURIT ACUM (F0152235H2) 2235 / 3.6 V /
[F0152235H2]

MASINA DE GAURIT ACUM  (F0152235H2)  2235 / 3.6 V /
Click pentru a mari
Imagini suplimentare
MASINA DE GAURIT ACUM  (F0152235H2)  2235 / 3.6 V /
Click pentru a mari
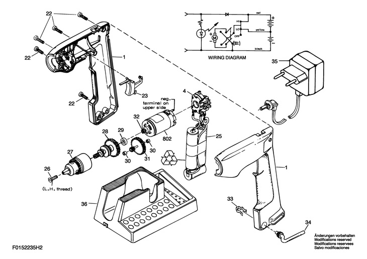
LISTA DE COMPONENTE:
Numar Versiune Buc. in schema Denumire Pret/buc
(Tva inclus)
Cumpara
1 1 1 CARCASA (2610352602) 2794 RON
4 1 1 INTRERUPATOR (2610354396) 2794 RON
22 1 5 SURUB (2610350996) 558 RON
23 1 1 PARGHIE (2610352624) 558 RON
25 1 1 SET BATERIE (2610352648) 16328 RON
26 1 1 SURUB (2610068005) 558 RON
27 1 1 2610387205 - Indisponibil
28 1 1 ROATA DINTATA (2610376959) 5032 RON
29 1 1 LAGAR (2610351034) 893 RON
30 1 2 LAGAR (2610352629) 893 RON
31 1 1 ROATA DINTATA (2610353295) 2123 RON
32 1 1 PINION (2610353272) 558 RON
33 1 1 SUPORT (2610351023) 558 RON
34 1 1 CHEIE (2610315835) 2123 RON
35 1 1 INCARCATOR 230V (2610376844) 8946 RON
36 1 1 SUPORT (2610354350) 2794 RON
802 1 1 Motor (2610353293) 5479 RON

Conditii Generale