Acasa
Atelierultau.ro
Continut cos
TRANSPORT
Contul meu
Contact
Cauta produsul dorit:
Bun venit! [
Autentificare!
]
In cos:
0 produse
Top
»
Piese de schimb
»
PIESE SKIL
»
F012X87000
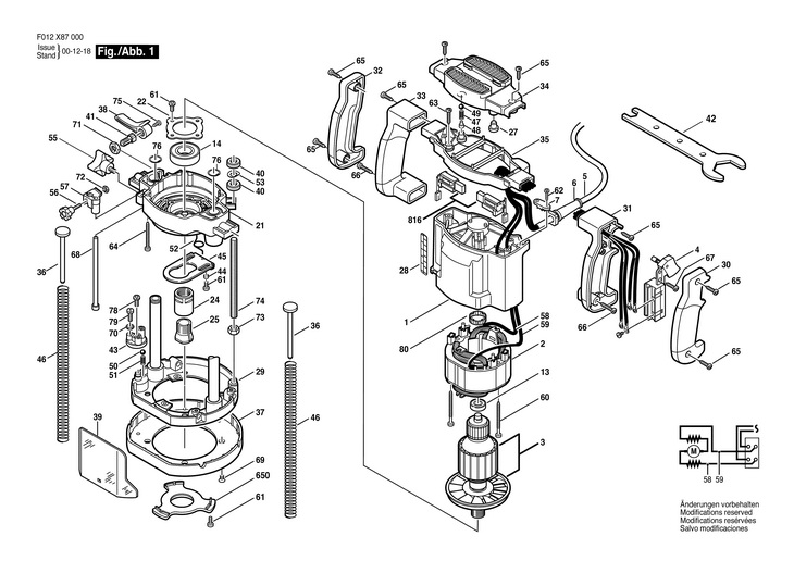
MASINA DE FREZAT (F012X87000) 1870 TYPE 1 / 120 V /USA
[F012X87000]
Click pentru a mari
Imagini suplimentare
Click pentru a mari
LISTA DE COMPONENTE:
Numar
Versiune
Buc. in schema
Denumire
Pret/buc
(Tva inclus)
Cumpara
1
1
1
CARCASA (2610905333)
45
84
RON
2
1
1
2610355673
-
Indisponibil
3
1
1
2610355675
-
Indisponibil
4
1
1
2610329995
-
Indisponibil
5
1
1
2610904118
-
Indisponibil
6
1
1
MUFA (2610313327)
Indisponibil
Indisponibil
7
1
1
INTERUPATOR DE LINIE (2610364033)
8
93
RON
13
1
1
RULMENT (1619P01511)
21
23
RON
14
1
1
RULMENT CU BILE (2610018923)
36
89
RON
21
1
1
CAPAC DE LAGAR (2610355665)
163
28
RON
22
1
1
COLIVIE A RULMENTULUI (2610355669)
14
52
RON
24
1
1
PIULITA DE STRANGERE (2610355680)
110
71
RON
25
1
1
BUCSA ELASTICA PRINDERE 1/2" (2610355691)
172
23
RON
25
1
1
BUCSA ELASTICA PRINDERE 1/4" (2610355693)
172
23
RON
27
1
2
TAMPON DIN CAUCIUC (2610350655)
5
58
RON
28
1
1
PLACUTA INDICATOARE (2610353149)
12
29
RON
29
1
1
PLACA DE BAZA (2610355684)
241
58
RON
30
1
1
CAPAC NEGRU (2610355699)
12
29
RON
31
1
1
MANER NEGRU (2610355697)
16
76
RON
32
1
1
CAPAC NEGRU (2610355703)
12
29
RON
33
1
1
MANER NEGRU (2610355701)
16
76
RON
34
1
1
CAPAC CARCASA (2610905331)
24
59
RON
35
1
1
CAPAC (2610905330)
27
94
RON
36
1
2
GHIDAJ (2610355668)
8
93
RON
37
1
1
PLACA DE BAZA (2610355683)
59
26
RON
38
1
1
PARGHIE (2610355685)
8
93
RON
39
1
1
PLACA (2610353395)
12
29
RON
40
1
2
2610355654
-
Indisponibil
41
1
1
BOLT (2610353433)
5
58
RON
42
1
1
CHEIE (2610355679)
21
23
RON
43
1
1
CAP ROTATIV (2610353421)
33
54
RON
44
1
2
SAIBA DE DISTANTARE (2610355661)
7
81
RON
45
1
1
PLACA (2610355678)
12
29
RON
46
1
2
ARC (2610355651)
8
93
RON
47
1
1
ARC (2610355709)
8
93
RON
48
1
1
STIFT (2610355715)
8
93
RON
49
1
1
BILA (2610006913)
5
58
RON
50
1
1
BILA (2610350998)
5
58
RON
51
1
1
ARC (2610353427)
5
58
RON
52
1
1
ARC (2610355655)
8
93
RON
53
1
1
SAIBA, DISC (2610070890)
8
93
RON
55
1
1
BUTON (2610355663)
12
29
RON
56
1
1
BUTON (2610355662)
12
29
RON
57
1
1
SUPORT (2610355674)
11
17
RON
58
1
1
CONDUCTA DE LEGATURA (2610038950)
7
81
RON
59
1
1
CONDUCTA DE LEGATURA (2610038959)
8
93
RON
60
1
2
SURUB (1619P01508)
5
58
RON
61
1
9
SURUB (2610329929)
5
58
RON
62
1
2
SURUB (2610350996)
5
58
RON
63
1
2
SURUB (2610348622)
5
58
RON
64
1
4
SURUB (2610350943)
5
58
RON
65
1
8
SURUB (1619X00504)
5
58
RON
66
1
2
SURUB (2610329930)
5
58
RON
67
1
1
SURUB (2610990024)
7
81
RON
68
1
1
COTA DE ADANCIME (2610355658)
33
54
RON
69
1
3
SURUB (2610355706)
5
58
RON
70
1
3
PIULITA (2610001309)
5
58
RON
71
1
1
PIULITA (2610353386)
5
58
RON
72
1
1
PIULITA (2610001628)
5
58
RON
73
1
1
PIULITA (2610317009)
5
58
RON
74
1
1
BOLT (2610355657)
8
93
RON
75
1
1
SURUB (2610350698)
5
58
RON
76
1
2
INEL (2610355660)
5
58
RON
78
1
1
SURUB PENTRU TABLA (2615298025)
5
58
RON
79
1
3
SURUB CU CAP INECAT (2610991280)
5
58
RON
80
1
1
INEL 22 MM GROS (2610911048)
8
93
RON
650
1
1
PIESA INTERSCHIMBABILA (2610355686)
12
29
RON
816
1
1
PORTPERIE (2610355594)
89
46
RON
Conditii Generale