Cauta produsul dorit:
Bun venit! [Autentificare!] In cos: 0 produse








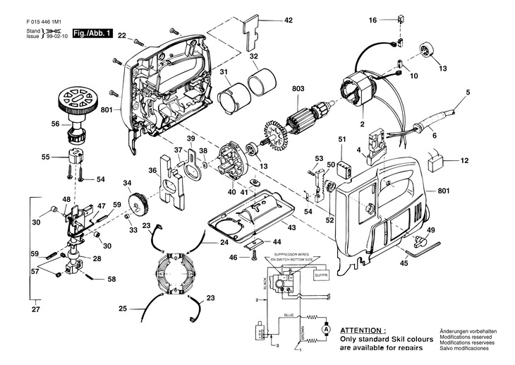
Top » Piese de schimb » PIESE SKIL » F0154461M1

FERASTRAU VERTICAL (F0154461M1) 4461 H1 / 230 V /
[F0154461M1]

FERASTRAU VERTICAL  (F0154461M1)  4461 H1 / 230 V /
Click pentru a mari
Imagini suplimentare
FERASTRAU VERTICAL  (F0154461M1)  4461 H1 / 230 V /
Click pentru a mari
LISTA DE COMPONENTE:
Numar Versiune Buc. in schema Denumire Pret/buc
(Tva inclus)
Cumpara
2 1 1 STATOR 230V (2610384916) 5926 RON
4 1 1 INTRERUPATOR (2610385866) 3354 RON
5 1 1 CONDUCTOR DE RETEA GB 230V (2610376418) 3354 RON
6 1 1 MUFA (2610360176) 558 RON
10 1 1 PORTPERIE (2610376874) Indisponibil Indisponibil
12 1 1 ATENUARE PERTURBATII (2610385352) 1117 RON
13 1 2 RULMENT CU BILE 8x22x7 MM (2600905052) 2459 RON
16 1 2 BUCSA (2610373315) 893 RON
22 1 9 SURUB CU CAP SEMIROTUND T T20-8x19 MM (2610374919) Indisponibil Indisponibil
23 1 2 DROSEL VERDE (2610376580) 3354 RON
24 1 1 SARMA ALBASTRU (2610385053) 893 RON
25 1 1 SARMA MARO (2610384413) 893 RON
27 1 1 2610374975 - Indisponibil
28 1 1 LAGAR (2610347566) 893 RON
30 1 2 2610346373 - Indisponibil
31 1 1 ASPIRARE A PRAFULUI (2610384418) 893 RON
32 1 1 SAIBA DE DISTANTARE (2610355596) 781 RON
33 1 1 MANSON (2610326529) 893 RON
34 1 1 ROATA DINTATA (2610374000) 679 RON
36 1 1 CONTRAGREUTATE (2610346330) 1452 RON
37 1 1 STIFT DE CENTRARE (2610072554) 558 RON
38 1 1 SAIBA, DISC (2610346386) 558 RON
39 1 1 TACHET (2610386053) 893 RON
40 1 1 2610384412 - Indisponibil
41 1 1 PIULITA (2610346381) 558 RON
42 1 1 GARNITURA DIN PASLA (2610373995) 893 RON
43 1 1 PICIOR (2610385611) 1676 RON
44 1 1 PLACA (2610346351) 558 RON
45 1 1 CHEIE IMBUS 1/8" (2610001643) 558 RON
46 1 1 SURUB (2610356029) 558 RON
47 1 1 ARC (2610385991) 1229 RON
48 1 1 2610346796 - Indisponibil
49 1 1 MANETA DE PORNIRE ROSU (2610390710) 1117 RON
50 1 1 CAPAC DE PROTECTIE (2610388779) 893 RON
51 1 1 REGULATOR TURATIE (2610385867) 11071 RON
52 1 1 CAMA (2610346317) 558 RON
53 1 1 SURUB (2610327772) 558 RON
54 1 1 ARC (2610346793) 558 RON
55 1 1 LAGAR (2610346357) 893 RON
56 1 1 SET BUTOANE (2610387532) 3466 RON
57 1 2 SURUB COMBINAT (2610901970) 558 RON
58 1 1 STIFT CILINDRIC (2610020387) 558 RON
59 1 2 STIFT CILINDRIC (2610020387) 558 RON
801 1 1 CARCASA (2610384444) 5926 RON
803 1 1 Rotor 240V (2610385194) 8946 RON

Conditii Generale