Cauta produsul dorit:
Bun venit! [Autentificare!] In cos: 0 produse








Top » Piese de schimb » PIESE SKIL » 9617082514

FERASTRAU VERTICAL HW (9617082514) SH 514 / 220 V /AR
[9617082514]

FERASTRAU VERTICAL HW  (9617082514)  SH 514 / 220 V /AR
Click pentru a mari
Imagini suplimentare
FERASTRAU VERTICAL HW  (9617082514)  SH 514 / 220 V /AR
Click pentru a mari
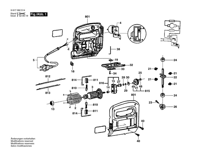
LISTA DE COMPONENTE:
Numar Versiune Buc. in schema Denumire Pret/buc
(Tva inclus)
Cumpara
2 1 1 9618089467 - Indisponibil
3 1 1 9618089469 - Indisponibil
4 1 1 INTRERUPATOR PORNIT/OPRIT (9618087097) 3665 RON
5 1 1 F000600293 - Indisponibil
13 1 1 RULMENT CU BILE O8xO22x7 MM (1600905011) 190 RON
14 1 1 MANSON PTR. ACE RULMENT O8x8 MM (2600917003) 1117 RON
15 1 1 PUNTE LAGAR (F000613005) 1676 RON
18 1 1 9618089470 - Indisponibil
19 1 1 PLACA DE FIXARE (2601030006) 558 RON
21 1 4 PASLA DE UNGERE (2601020007) 558 RON
22 1 1 TIJA DE TACHET A SUPAPEI (2610991256) 2459 RON
23 1 1 SURUB CU CAP CILINDRIC DIN 84-AM5x15-5.8 (2910011157) 558 RON
24 1 2 F000615000 - Indisponibil
25 1 1 9618089517 - Indisponibil
26 1 1 MANSETA DE ETANSARE (9618089553) 558 RON
27 1 1 CUZINET (2600322003) Indisponibil Indisponibil
28 1 1 ARC DISC (2600190040) 558 RON
29 1 1 DISC DE ECHILIBRARE 0,5 MM (2600100505) 558 RON
30 1 1 DISC DE ECHILIBRARE 0,6 MM (2600040002) 558 RON
31 1 1 F000617012 - Indisponibil
32 1 1 F000600121 - Indisponibil
33 1 1 PLACA (9618083349) 558 RON
34 1 1 SURUB CU CAP CILINDRIC DIN 84-AM4x12-8.8 (2910021122) 558 RON
38 1 1 STIFT (2603105051) 677 RON
40 1 10 SURUB PENTRU TABLA 4x16 MM (9618087099) 558 RON
48 1 1 2603100047 - Indisponibil
49 1 1 STIFT CILINDRIC DIN 6325-5M6x16 (2917530120) 558 RON
801 1 1 9618089552 - Indisponibil
810 1 1 PERIE DE CARBUNE (9618086870) 2459 RON
811 1 2 PORTPERIE (9618086695) 781 RON
812 1 1 F000610005 - Indisponibil
813 1 1 CONDUCTA DE LEGATURA L=184 MM ALB (2604448001) 677 RON
814 1 2 CONDUCTA DE LEGATURA (9618086959) 558 RON
815 1 1 ROATA DINTATA EXCENTRIC Z=49 (2606316900) Indisponibil Indisponibil
816 1 1 PUNTE LAGAR (F000613006) 3665 RON

Conditii Generale