Cauta produsul dorit:
Bun venit! [Autentificare!] In cos: 0 produse








Top » Piese de schimb » PIESE SKIL » F015585501

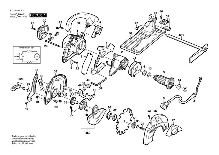
FERASTRAU CIRCULAR MANUAL (F015585501) 5855 / 230 V /EU
[F015585501]

FERASTRAU CIRCULAR MANUAL  (F015585501)  5855 / 230 V /EU
Click pentru a mari
Imagini suplimentare
FERASTRAU CIRCULAR MANUAL  (F015585501)  5855 / 230 V /EU
Click pentru a mari
LISTA DE COMPONENTE:
Numar Versiune Buc. in schema Denumire Pret/buc
(Tva inclus)
Cumpara
1 1 1 SET CARCASA (2610393039) 8275 RON
2 1 1 STATOR 230-240V (2610393040) 16572 RON
3 1 1 Rotor 230-240V (2610372834) 22480 RON
4 1 1 INTRERUPATOR RETEA (2610393041) 5032 RON
5 1 1 CONDUCTOR DE RETEA EU 2,65m 2 x 1,0mm H05 VV-F (2610362954) 2123 RON
6 1 1 MUFA (2610372883) 558 RON
7 1 1 BRATARA DE CABLU (2610372882) 893 RON
12 1 1 CONDENSATOR DEPARAZITARE (2610393042) 1452 RON
13 1 1 RULMENT CU BILE 8x22x7 MM (2600905052) 2459 RON
14 1 1 RULMENT CU BILE (2610388374) 3354 RON
16 1 1 PORTPERIE (2610372853) 8946 RON
22 1 10 SURUB (2610367838) 558 RON
24 1 1 DEFLECTOR DE AER (2610372836) 1229 RON
25 1 1 SAIBA, DISC (2610060362) 558 RON
28 1 4 SURUB (2610393045) 558 RON
29 1 1 SURUB (2610393046) 558 RON
30 1 1 CAPAC (2610393047) 1452 RON
31 1 1 INVELIS AL MANERULUI (2610393048) 2794 RON
32 1 1 STIFT DE ZAVORARE (2610393049) 558 RON
33 1 1 CAPAC DE PROTECTIE (2610393050) 16328 RON
34 1 1 SURUB (2610372850) 558 RON
35 1 2 SAIBA, DISC (2610393051) 558 RON
36 1 1 APARATOARE (2610393052) 22480 RON
38 1 1 SET ROTI DINTATE (2610372842) 18230 RON
39 1 1 LAGAR (2610372851) 1229 RON
40 1 6 SURUB (2610393053) 558 RON
41 1 2 2610360823 - Indisponibil
42 1 1 SURUB DE SUSTINERE (2609003647) 558 RON
43 1 1 BUTON (2610393054) 1229 RON
44 1 1 PIESA ARTICULATA (2610372841) 3466 RON
45 1 1 MANER (2610393056) 4621 RON
46 1 1 TAMPON DE OPRIRE (2610393057) 558 RON
47 1 1 CUTIE PENTRU PRAF (2610393058) 1452 RON
48 1 1 ARC (2610393059) 558 RON
49 1 1 SURUB (2610392946) 1117 RON
50 1 1 CHEIE IMBUS 5 MM (2610364015) 1229 RON
52 1 1 PICIOR (2610393060) 11071 RON
53 1 1 SURUB (2610367837) 558 RON
55 1 1 APARAT DE AFISAJ (2610393061) 190 RON
56 1 1 SAIBA, DISC (2610372838) 1195 RON
57 1 1 SET ARCURI (2610395719) 3466 RON
58 1 3 SURUB (2610364799) 558 RON
60 1 1 INEL (2610372849) 1229 RON
61 1 1 TAMPON DIN CAUCIUC (2610386883) 893 RON
62 1 1 INEL INTERIOR (2610393063) 558 RON
63 1 1 PIESA ARTICULATA (2610393064) 2459 RON
651 1 1 LIMITATOR PARALEL (2608005036) 2868 RON
826 1 1 SET DE PIESE (2610397033) 3354 RON
859 1 1 APARATOARE (2610395720) 25018 RON

Conditii Generale