Cauta produsul dorit:
Bun venit! [Autentificare!] In cos: 0 produse








Top » Piese de schimb » PIESE SKIL » F0155240A1

FERASTRAU CIRCULAR MANUAL (F0155240A1) 5240 / 230 V /EU
[F0155240A1]

FERASTRAU CIRCULAR MANUAL  (F0155240A1)  5240 / 230 V /EU
Click pentru a mari
Imagini suplimentare
FERASTRAU CIRCULAR MANUAL  (F0155240A1)  5240 / 230 V /EU
Click pentru a mari
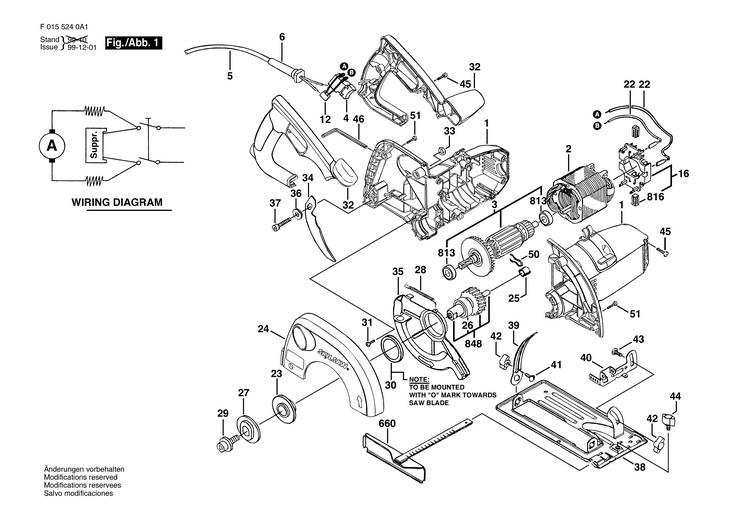
LISTA DE COMPONENTE:
Numar Versiune Buc. in schema Denumire Pret/buc
(Tva inclus)
Cumpara
1 1 1 SET CARCASA (2610386557) 5099 RON
2 1 1 STATOR 230V (2610387123) 5032 RON
3 1 1 Rotor 230V (2610386657) Indisponibil Indisponibil
4 1 1 INTRERUPATOR ROSU (2610389737) 2868 RON
5 1 1 CONDUCTOR DE RETEA EU 2,65m 2 x 1,0mm H05 VV-F (2610362954) 2123 RON
5 1 1 CONDUCTOR DE RETEA GB 230V 2,75m 2 x 1,0mm H05 VV-F (2610385014) 5099 RON
5 1 1 CONDUCTOR DE RETEA EU 230V 2,7m 2 x 0,75mm H05 VV-F (2604460259) 4621 RON
6 1 1 MUFA (2610360176) 558 RON
12 1 1 CONDENSATOR DEPARAZITARE (2609004538) 1229 RON
16 1 1 PLACA DE PERII (2610391898) 3689 RON
22 1 2 CONDUCTA DE LEGATURA (2610391908) 558 RON
23 1 1 SAIBA, DISC (2610386555) 1117 RON
24 1 1 APARATOARE (2610386559) 3354 RON
25 1 1 LAGAR (2610386569) 893 RON
26 1 1 RULMENT (2610366402) 2459 RON
27 1 1 DISC DE STRANGERE (1605703108) 1117 RON
28 1 1 TRACTIUNE CU ARC (2610386609) 893 RON
29 1 1 SURUB IMBUS M6x14 MM (1603414007) Indisponibil Indisponibil
30 1 1 SAIBA, DISC (2610386556) 558 RON
31 1 4 SURUB CU CAP SEMIROTUND T 8x13 (2610374913) 558 RON
32 1 1 SET MANER (2610386558) 3354 RON
33 1 1 PIULITA M6 (2610061550) 558 RON
34 1 1 PANA DE DESPICAT (2610386554) 1117 RON
35 1 1 IMBRACAMINTE DE PROTECTIE (2610386551) 3354 RON
36 1 1 SAIBA, DISC DIN 9021-6,4x18x1,6 (2610386712) 837 RON
37 1 1 SURUB M6x22 MM (2610386933) 558 RON
38 1 1 BAZA (2610386840) 4621 RON
39 1 1 SUPORT (2610386841) 677 RON
40 1 1 BALAMA (2610386842) 893 RON
41 1 1 SURUB DE SUSTINERE M6x20 MM (2610386847) Indisponibil Indisponibil
42 1 2 PIULITA HEXAGONALA (2610387875) Indisponibil Indisponibil
43 1 1 SURUB DE SUSTINERE (2609003647) 558 RON
44 1 1 SURUB-FLUTURE (2610387876) 558 RON
45 1 13 SURUB CU CAP SEMIROTUND T T20-8x19 MM (2610374919) Indisponibil Indisponibil
46 1 1 CHEIE IMBUS 5 MM (2610364015) 1229 RON
50 1 1 CORP DE GHIDARE (2610387524) 558 RON
51 1 5 SURUB CU CAP SEMIROTUND T T20-8x19 MM (2610374919) Indisponibil Indisponibil
813 1 2 RULMENT CU BILE 8x22x7 MM (2600905052) 2459 RON
816 1 1 SET DE PERII DE CARBUNE (2610386546) Indisponibil Indisponibil
848 1 1 ARBORE DE TRANSMISIE (2610387048) 8275 RON

Conditii Generale