Cauta produsul dorit:
Bun venit! [Autentificare!] In cos: 0 produse








Top » Piese de schimb » PIESE SKIL » F0151850D1

FERASTRAU CIRCULAR MANUAL (F0151850D1) 1850H1 / 230 V /EU
[F0151850D1]

FERASTRAU CIRCULAR MANUAL  (F0151850D1)  1850H1 / 230 V /EU
Click pentru a mari
Imagini suplimentare
FERASTRAU CIRCULAR MANUAL  (F0151850D1)  1850H1 / 230 V /EU
Click pentru a mari
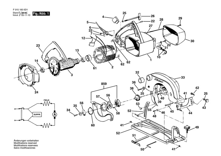
LISTA DE COMPONENTE:
Numar Versiune Buc. in schema Denumire Pret/buc
(Tva inclus)
Cumpara
1 1 1 CARCASA (2610386881) 12588 RON
2 1 1 STATOR 230V (2610386882) 20715 RON
3 1 1 Rotor 230-240V (2610372834) 22480 RON
4 1 1 INTRERUPATOR ROSU (2610390838) 5032 RON
5 1 1 CONDUCTOR DE RETEA EU 2,65m 2 x 1,0mm H05 VV-F (2610362954) 2123 RON
6 1 1 MUFA (2610372883) 558 RON
7 1 1 BRATARA DE CABLU (2610372855) 558 RON
10 1 1 PORTPERIE (2610372853) 8946 RON
12 1 1 CONDENSATOR DEPARAZITARE (2610386884) 3665 RON
13 1 1 RULMENT CU BILE 8x22x7 MM (2600905052) 2459 RON
14 1 1 RULMENT (2610931244) 2868 RON
22 1 10 SURUB (2610367909) 558 RON
23 1 1 CAPAC (2610372822) 2868 RON
24 1 1 DEFLECTOR DE AER (2610372836) 1229 RON
25 1 3 SAIBA, DISC (2610060362) 558 RON
26 1 1 PIULITA ROSU (2610390840) 893 RON
27 1 4 SAIBA, DISC (2610371805) 558 RON
28 1 4 SURUB (2610362137) 558 RON
29 1 2 SURUB (2610367838) 558 RON
30 1 1 CAPAC (2610372825) 2868 RON
31 1 2 CLEMA (2610372854) 558 RON
32 1 1 SAIBA DE DISTANTARE (2610355596) 781 RON
33 1 1 CAPAC DE PROTECTIE (2610385320) 18644 RON
34 1 1 SURUB (2610372850) 558 RON
35 1 1 SAIBA, DISC (2610372839) 5479 RON
36 1 1 SURUB (2610372857) 558 RON
38 1 1 SET ROTI DINTATE (2610372842) 18230 RON
39 1 1 LAGAR (2610372851) 1229 RON
40 1 1 STIFT (2610372860) 558 RON
41 1 3 2610360823 - Indisponibil
42 1 1 SURUB DE SUSTINERE (2609003647) 558 RON
43 1 1 BUTON (2610364395) 893 RON
44 1 1 PIESA ARTICULATA (2610372841) 3466 RON
45 1 1 STIFT (2610372846) 558 RON
46 1 1 TAMPON DE OPRIRE (2610372859) 558 RON
48 1 1 SURUB (2610062425) 558 RON
49 1 1 SURUB (2610361135) 1117 RON
50 1 1 CHEIE IMBUS 5 MM (2610364015) 1229 RON
51 1 1 LIMITATOR (2610372826) 3466 RON
52 1 1 PICIOR (2610372833) 10624 RON
53 1 1 PIULITA (2610372847) 1452 RON
55 1 1 PANA DE DESPICAT (2610372827) 2123 RON
56 1 1 SAIBA, DISC (2610372839) 5479 RON
57 1 1 SET ARCURI (2610395719) 3466 RON
58 1 3 SURUB (2610364799) 558 RON
60 1 1 INEL (2610372849) 1229 RON
61 1 1 TAMPON DIN CAUCIUC (2610386883) 893 RON
62 1 2 SARMA (2610386885) 893 RON
859 1 1 APARATOARE (2610395718) 22480 RON

Conditii Generale