Cauta produsul dorit:
Bun venit! [Autentificare!] In cos: 0 produse








Top » Piese de schimb » PIESE SKIL » F012586661

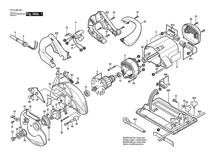
FERASTRAU CIRCULAR MANUAL (F012586661) 5866 / 230 V /EU
[F012586661]

FERASTRAU CIRCULAR MANUAL  (F012586661)  5866 / 230 V /EU
Click pentru a mari
Imagini suplimentare
FERASTRAU CIRCULAR MANUAL  (F012586661)  5866 / 230 V /EU
Click pentru a mari
LISTA DE COMPONENTE:
Numar Versiune Buc. in schema Denumire Pret/buc
(Tva inclus)
Cumpara
1 1 1 CARCASA (2610914056) 4143 RON
2 1 1 STATOR 230V (1619P06090) 10624 RON
3 1 1 Rotor 230V (1619P06121) 24829 RON
4 1 1 INTRERUPATOR PORNIT/OPRIT (2610920310) 4584 RON
5 1 1 CONDUCTOR DE RETEA EU (1619X03044) 5032 RON
6 1 1 MUFA (2610907639) 1117 RON
12 1 1 CONDENSATOR DEPARAZITARE (1619X03419) 893 RON
13 1 1 RULMENT CU BILE (2610017348) 3665 RON
14 1 1 RULMENT CU BILE (2610350311) 4143 RON
19 1 8 SURUB (1619P01505) 558 RON
22 1 1 PLACUTA CU EMBLEMA FIRMEI (2610950785) 893 RON
25 1 1 ARBORE DE TRANSMISIE (2610902896) 12588 RON
26 1 1 PLACA PORTANTA (1619X01554) 4143 RON
27 1 8 SURUB DE CONTACT (1619X01786) 558 RON
28 1 1 DISC DE SPRIJIN (2610341361) Indisponibil Indisponibil
29 1 1 CARCASA MOTOR (2610913232) 1117 RON
30 1 1 CONDUCTOR ELECTRIC (1619X03234) 893 RON
31 1 1 CONDUCTOR ELECTRIC (1619X03235) 558 RON
32 1 1 PARTE INF. APARATOARE (2610917562) 679 RON
33 1 1 TRACTIUNE CU ARC (2610914057) 781 RON
34 1 1 PARGHIE (2610917563) 1229 RON
36 1 1 INEL DE SIGURANTA (2610341359) Indisponibil Indisponibil
39 1 4 SURUB (2610347103) 781 RON
41 1 1 SURUB CU CAP SEMIROTUND (2610017262) 781 RON
42 1 1 MANER CU BUTON (2610917567) 2459 RON
43 1 1 BOLT DE SCRIPETE (2610914058) 558 RON
44 1 1 DISC DE SIGURANTA (1619P01535) 558 RON
48 1 1 FLANSA (2610347672) Indisponibil Indisponibil
49 1 1 LIMITATOR (2610341394) 781 RON
50 1 1 DISTANTIER (2610341366) 1117 RON
51 1 1 SURUB (2610347100) 781 RON
52 1 1 SURUB CU CAP HEXAGONAL (1619X00935) 558 RON
53 1 1 MANER SUPLIMENTAR (2610918675) 5479 RON
54 1 2 SURUB (2610931997) 893 RON
60 1 1 STIFT DE BLOCARE (2610916859) 558 RON
61 1 1 BOLT DE SCRIPETE (1619X02546) 558 RON
62 1 1 ARC (1619X02547) 558 RON
63 1 1 INEL DE CAUCIUC (1619P01127) 558 RON
65 1 1 ETICHETA DE AVERTIZARE (2610917611) 1229 RON
66 1 1 RULMENT (1619P01511) 2123 RON
67 1 1 CUTIE PENTRU PRAF (2610917598) 1229 RON
68 1 1 CAPAC PENTRU PRAF (2610917612) 558 RON
73 1 1 SURUB (2610931669) 558 RON
74 1 1 PIESA DE SCHIMB (2610917557) 558 RON
651 1 1 CHEIE INELARA (2610917574) 3354 RON
653 1 1 RIGLA CU MUCHIE TESITA (1619X01612) 3665 RON
654 1 1 BUTON (2610917555) 2123 RON
810 1 1 SET DE PERII DE CARBUNE (2610993157) 5099 RON
824 1 1 PARTE SUP. APARATOARE (1619X02773) 12588 RON
837 1 1 MANER (2610918678) 5032 RON
846 1 1 PARGHIE (2610921182) 2459 RON
869 1 1 PICIOR (2610918686) 679 RON

Conditii Generale