Cauta produsul dorit:
Bun venit! [Autentificare!] In cos: 0 produse








Top » Piese de schimb » PIESE SKIL » F034K61D06

. (F034K61D06) LM4002 / 0 V /USA
[F034K61D06]

.  (F034K61D06)  LM4002 / 0 V /USA
Click pentru a mari
Imagini suplimentare
.  (F034K61D06)  LM4002 / 0 V /USA
Click pentru a mari
.  (F034K61D06)  LM4002 / 0 V /USA
Click pentru a mari
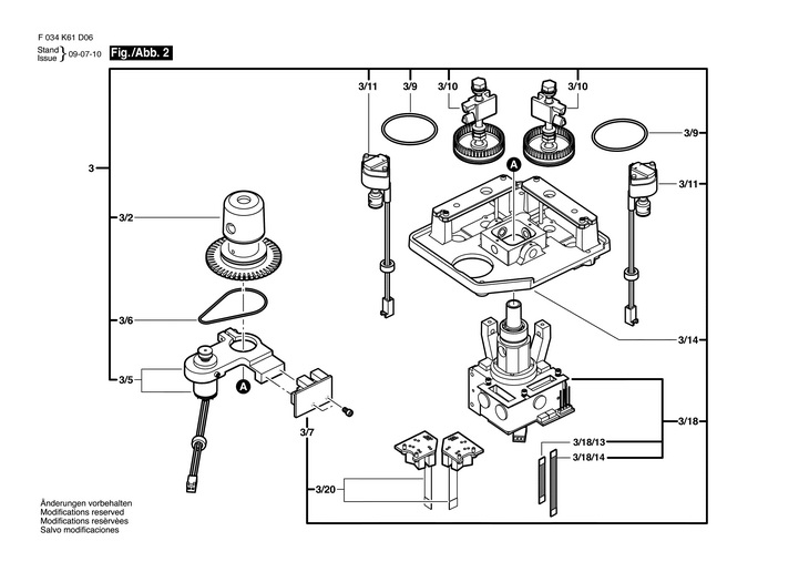
LISTA DE COMPONENTE:
Numar Versiune Buc. in schema Denumire Pret/buc
(Tva inclus)
Cumpara
1 1 1 CARCASA (2610A11255) 174258 RON
2 1 1 2610A06885 - Indisponibil
3 1 1 2610A11180 - Indisponibil
3/2 1 1 DISPOZITIV CODIFICARE (2610A06903) 78718 RON
3/5 1 1 Motor (2610A07197) 60871 RON
3/6 1 1 GARNITURA O (2610A07434) 893 RON
3/7 1 1 PLACA CIRCUITE IMPRIMATE (2610A06879) 12588 RON
3/9 1 2 GARNITURA O (2610A06864) 558 RON
3/10 1 2 ARBORE DE ANTRENARE (2610A07226) 20715 RON
3/11 1 2 Motor (2610A06893) 86366 RON
3/14 1 1 PLACA DE MONTAJ (2610A06971) 34783 RON
3/18 1 1 SET DE PIESE (2610A06972) 184843 RON
3/18/13 1 1 CABLU DE LEGATURA (2610A06532) 190 RON
3/18/14 1 1 CABLU DE LEGATURA (2610A06534) 2071 RON
3/20 1 1 PLACA CIRCUITE IMPRIMATE (2610A06894) 18644 RON
4 1 1 CABLU DE LEGATURA (2610A06535) 1229 RON
5 1 1 2610A06897 - Indisponibil
6 1 1 PLATINA PRINCIPALA (2610A06850) 184843 RON
7 1 1 CARCASA BATERIEI (2610A06986) 6802 RON
8 1 1 CARCASA BATERIEI (2610A06898) 18644 RON
9 1 1 PIULITA CU GULER (2610A06843) 2868 RON
800 1 1 INCARCATOR 110V; USA (2610A15129) 2748 RON
800 1 1 INCARCATOR 230V; AUS (2610A15130) 31232 RON
800 1 1 INCARCATOR 230V; EU (2610A15131) 2748 RON
800 1 1 INCARCATOR 110V; GB (2610A15132) 29957 RON
801 1 1 ACUMULATOR NiMH (2610A01249) 78718 RON

Conditii Generale