Acasa
Atelierultau.ro
Continut cos
TRANSPORT
Contul meu
Contact
Cauta produsul dorit:
Bun venit! [
Autentificare!
]
In cos:
0 produse
Top
»
Piese de schimb
»
PIESE SKIL
»
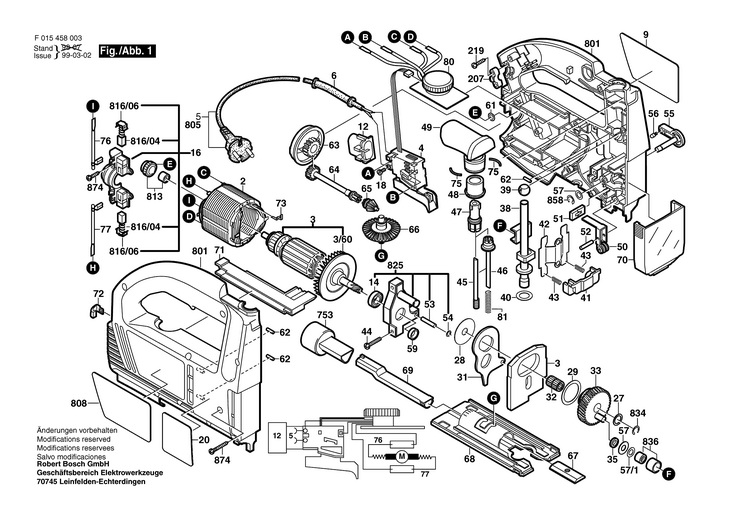
F015458003
. (F015458003) 4580 / 230 V /GB
[F015458003]
Click pentru a mari
Imagini suplimentare
Click pentru a mari
LISTA DE COMPONENTE:
Numar
Versiune
Buc. in schema
Denumire
Pret/buc
(Tva inclus)
Cumpara
2
1
1
STATOR 230V (2610393891)
82
75
RON
5
1
1
CONDUCTOR DE RETEA GB 230V (2610376418)
33
54
RON
6
1
1
MUFA (2610393893)
18
32
RON
22
1
1
PROTECTIE (2610393876)
7
81
RON
23
1
1
PARGHIE (2610393877)
8
93
RON
25
1
1
SUPORT LED-URI (2610393879)
28
68
RON
28
1
1
SURUB (2610393885)
5
58
RON
35
1
1
TIJA DE RIDICARE (2610398530)
Indisponibil
Indisponibil
632
1
1
CHEIE IMBUS (2610393892)
5
58
RON
633
1
1
SURUB (2610393895)
5
58
RON
801
1
1
CARCASA MOTOR (2610393874)
106
76
RON
803
1
1
Rotor 230V (2610393883)
138
63
RON
804
1
1
MONTARE INTRERUPATOR (2610393881)
152
97
RON
807
1
1
INTERUPATOR DE LINIE (2610393890)
Indisponibil
Indisponibil
816
1
1
SET DE PERII DE CARBUNE (2610393888)
Indisponibil
Indisponibil
820
1
1
DISPOZITIV DE BLOCARE (2610393872)
14
52
RON
821
1
1
TALPA DE FIXARE (2610393873)
Indisponibil
Indisponibil
824
1
1
PARGHIE (2610393878)
14
52
RON
829
1
1
SET DE PIESE (2610393886)
7
81
RON
830
1
1
SET DE ROLE (2610393887)
24
59
RON
831
1
1
SET CABLAJ (2610393889)
21
23
RON
834
1
1
UNITATE DE FIXARE (2610393894)
8
93
RON
Conditii Generale