Cauta produsul dorit:
Bun venit! [Autentificare!] In cos: 0 produse








Top » Piese de schimb » PIESE SKIL » F0156453G2

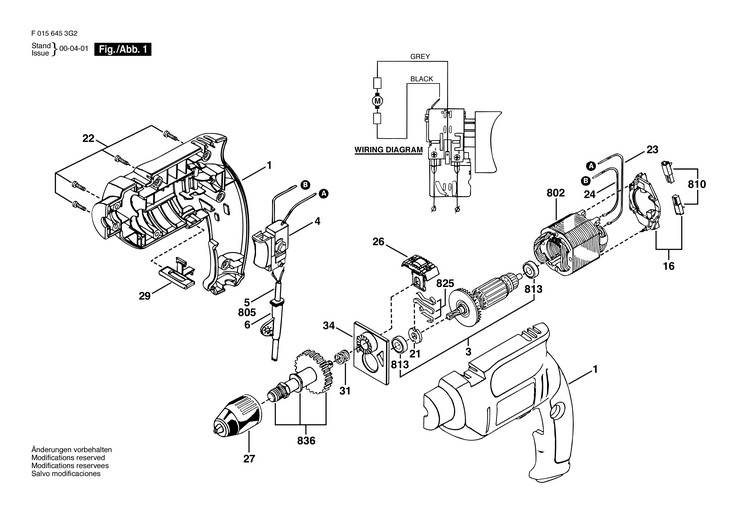
CLICHET (F0156453G2) 6453 / 230 V /EU
[F0156453G2]

CLICHET  (F0156453G2)  6453 / 230 V /EU
Click pentru a mari
Imagini suplimentare
CLICHET  (F0156453G2)  6453 / 230 V /EU
Click pentru a mari
LISTA DE COMPONENTE:
Numar Versiune Buc. in schema Denumire Pret/buc
(Tva inclus)
Cumpara
1 1 1 SET CARCASA (2610389703) 5032 RON
3 1 1 Rotor 230V (2610389379) 10624 RON
4 1 1 INTRERUPATOR PORNIT/OPRIT ROSU (2610389714) Indisponibil Indisponibil
6 1 1 MUFA O6,5-O6,9x95 MM (2600703012) 893 RON
16 1 1 PORTPERIE (2610387874) 3689 RON
21 1 1 PLACA DE SUSTINERE (2610389328) 781 RON
22 1 7 SURUB CU CAP SEMIROTUND T T20-8x19 MM (2610374919) Indisponibil Indisponibil
23 1 1 CONDUCTA DE LEGATURA NEGRU (2610386631) 558 RON
24 1 1 CONDUCTA DE LEGATURA GRI (2610386632) 558 RON
26 1 1 SURUB DE REGLARE ROSU (2610389725) 1676 RON
27 1 1 MANDRINA RAPIDA (2610389331) 17223 RON
29 1 1 COMUTATOR ROSU (2610390702) 893 RON
31 1 1 ARC DE PRESIUNE (2610386630) 558 RON
34 1 1 PUNTE LAGAR (2610388840) 2459 RON
802 1 1 STATOR 230V (2610387218) 4584 RON
805 1 1 CONDUCTOR DE RETEA EU 2,65m 2 x 1,0mm H05 VV-F (2610362954) 2123 RON
810 1 1 PORTPERIE (2610376874) Indisponibil Indisponibil
813 1 2 RULMENT CU BILE 8x22x7 MM (2600905052) 2459 RON
825 1 1 SET DE PIESE (2610389373) 893 RON
836 1 1 ARBORE PORTBURGHIU (2610390892) 679 RON

Conditii Generale