Cauta produsul dorit:
Bun venit! [Autentificare!] In cos: 0 produse








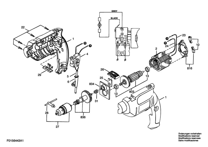
Top » Piese de schimb » PIESE SKIL » F0156443A1

CLICHET (F0156443A1) 6443 H1 / 230 V /EU
[F0156443A1]

CLICHET  (F0156443A1)  6443 H1 / 230 V /EU
Click pentru a mari
Imagini suplimentare
CLICHET  (F0156443A1)  6443 H1 / 230 V /EU
Click pentru a mari
LISTA DE COMPONENTE:
Numar Versiune Buc. in schema Denumire Pret/buc
(Tva inclus)
Cumpara
1 1 1 SET CARCASA (2610389703) 5032 RON
2 1 1 STATOR 230V (2610387218) 4584 RON
4 1 1 INTRERUPATOR PORNIT/OPRIT ROSU (2610389714) Indisponibil Indisponibil
5 1 1 CONDUCTOR DE RETEA EU 2,65m 2 x 1,0mm H05 VV-F (2610362954) 2123 RON
6 1 1 MUFA O6,9 MM (2600707059) 893 RON
10 1 1 PORTPERIE (2610376874) Indisponibil Indisponibil
13 1 2 RULMENT CU BILE 8x22x7 MM (2600905052) 2459 RON
22 1 7 SURUB CU CAP SEMIROTUND T T20-8x19 MM (2610374919) Indisponibil Indisponibil
23 1 1 CONDUCTA DE LEGATURA NEGRU (2610386631) 558 RON
24 1 1 CONDUCTA DE LEGATURA GRI (2610386632) 558 RON
25 1 1 Placa de gaurit (2610386608) 558 RON
26 1 1 COMUTATOR ROSU (2610390701) 1036 RON
27 1 1 MANDRINA O1,5-13 MM, 1/2" (1608571069) 10624 RON
28 1 1 CHEIE DE MANDRINE (2610063333) 2868 RON
29 1 1 COMUTATOR ROSU (2610390702) 893 RON
31 1 1 ARC DE PRESIUNE (2610386630) 558 RON
803 1 1 Rotor 230V (2610386669) 10624 RON
816 1 1 PORTPERIE (2610387874) 3689 RON
834 1 1 PUNTE LAGAR (2610388840) 2459 RON
836 1 1 ARBORE PORTBURGHIU (2610390892) 679 RON

Conditii Generale