Acasa
Atelierultau.ro
Continut cos
TRANSPORT
Contul meu
Contact
Cauta produsul dorit:
Bun venit! [
Autentificare!
]
In cos:
0 produse
Top
»
Piese de schimb
»
PIESE METABO
»
01042180
STE 90 SCS - 01042180 - CH 230V
[01042180]
Click pentru a mari
Imagini suplimentare
Click pentru a mari
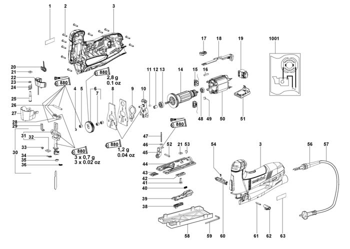
LISTA DE COMPONENTE:
Numar
Versiune
Buc. in schema
Denumire
Pret/buc
(Tva inclus)
Cumpara
1
1
1
Rating plate (338052620)
4
46
RON
2
1
11
Self-tap. fill. h. screw (141116020)
Indisponibil
Indisponibil
3
1
1
Housing (343397630)
159
93
RON
4
1
1
Circlip (141181810)
4
46
RON
5
1
1
Needle bearing (341002610)
54
79
RON
6
1
1
Spur gear compl. (316043990)
Indisponibil
Indisponibil
7
1
2
Needle sleeve (143111430)
Indisponibil
Indisponibil
8
1
2
Balancing plate (339133650)
30
18
RON
9
1
1
Pressure lever (339133460)
Indisponibil
Indisponibil
10
1
1
BEARING BRIDGE COMPL. (316044000)
Indisponibil
Indisponibil
11
1
1
Rubber plug (344098660)
4
46
RON
12
1
1
Cover brush (343380060)
4
46
RON
13
1
1
Ball bearing, 8x22x7 (143113400)
48
8
RON
14
1
1
Armature cpl. 230 V (310009630)
284
8
RON
15
1
2
Brush holder compl.,230V (316043490)
24
59
RON
16
1
1
Rubber plug (344093350)
4
46
RON
17
1
1
Switch slide,H/L (343397810)
4
46
RON
18
1
1
Switch rod (343397580)
6
69
RON
19
1
1
Switch (343409200)
4
46
RON
20
1
1
LED compl. (343081830)
71
57
RON
21
1
2
Square nut (141131370)
4
46
RON
22
1
1
Lever compl. (343397600)
7
81
RON
23
1
1
Washer (339007340)
4
46
RON
24
1
1
Spring clip (342022180)
4
46
RON
25
1
1
Collar screw (341704490)
6
69
RON
26
1
1
Cylindrical pin (141164050)
Indisponibil
Indisponibil
27
1
1
Eye shield (343398000)
7
81
RON
28
1
1
Guide piece top (341070660)
6
69
RON
29
1
1
Flat spring (342050890)
Indisponibil
Indisponibil
30
1
1
Ram compl. (316045100)
137
56
RON
31
1
1
Ram welded (316045090)
82
75
RON
32
1
1
Felt (344070900)
4
46
RON
33
1
1
Cap (343397610)
4
46
RON
34
1
1
Lever (339134280)
6
69
RON
35
1
1
Clamping piece (341070830)
36
89
RON
36
1
1
Tension spring (342003550)
4
46
RON
38
1
1
Guide (343397640)
4
46
RON
39
1
1
Latch (343397650)
6
69
RON
40
1
1
Pressure spring (342002440)
4
46
RON
41
1
1
Cap screw (141122300)
4
46
RON
42
1
1
Champing claw (339133640)
4
46
RON
43
1
1
Anti-splintering insert (343395480)
6
69
RON
44
1
1
Base plate compl. (316043480)
48
8
RON
45
1
1
Supporting lever compl. (316043470)
36
89
RON
46
1
1
Washer (339007300)
4
46
RON
47
1
1
Cylindrical pin (341520210)
6
69
RON
48
1
1
Ball bearing, 6x19x6 (143112230)
Indisponibil
Indisponibil
49
1
2
Rubber plug (344091420)
4
46
RON
50
1
1
Field coil compl.,230V (311011080)
95
5
RON
51
1
1
Electronic unit,230V 55/60Hz (343081410)
213
61
RON
52
1
1
Cylindrical pin (141164040)
4
46
RON
53
1
1
position plate (339129310)
4
46
RON
54
1
1
Index bolt (342001140)
7
81
RON
56
1
1
Cable sleeve (344101140)
10
5
RON
57
1
1
344491210
-
Indisponibil
58
1
1
Slide block (343375130)
19
0
RON
59
1
1
Hexagonal key (344161530)
7
81
RON
60
1
1
Slider (343397570)
4
46
RON
61
1
1
Cylindrical pin (141163320)
4
46
RON
62
1
1
Control knob compl. (316044010)
30
18
RON
63
1
1
399999990
-
Indisponibil
880
1
1
Grease 50Gr 1,8oz (344130930)
137
56
RON
1001
1
1
338504890
-
Indisponibil
Conditii Generale