Acasa
Atelierultau.ro
Continut cos
TRANSPORT
Contul meu
Contact
Cauta produsul dorit:
Bun venit! [
Autentificare!
]
In cos:
0 produse
Top
»
Piese de schimb
»
PIESE METABO
»
02293420
SBT 15.6 Plus - 02293420 - -
[02293420]
Click pentru a mari
Imagini suplimentare
Click pentru a mari
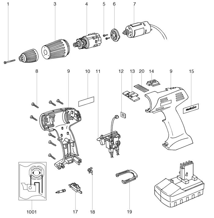
LISTA DE COMPONENTE:
Numar
Versiune
Buc. in schema
Denumire
Pret/buc
(Tva inclus)
Cumpara
1
1
1
Cheese-head screw (341701940)
7
81
RON
3
1
1
Sleeve (343375420)
21
24
RON
4
1
1
Gearbox complete (316029870)
240
46
RON
5
1
2
Fillister head screw (141122220)
Indisponibil
Indisponibil
6
1
1
Flange (343375390)
13
40
RON
7
1
1
Motor 15,6 V impact (317002760)
309
80
RON
8
1
7
Self-tap. fill. h. screw (141113180)
4
46
RON
9
1
1
Housing with cover (343374380)
59
26
RON
10
1
1
Rating plate (338040360)
4
46
RON
11
1
1
Electronic switch (343406890)
267
30
RON
12
1
1
Switch slide Impuls (343374930)
7
81
RON
13
1
1
Switch slide R+L/M (343374920)
4
46
RON
14
1
1
H/L switch (343374890)
7
81
RON
15
1
1
Metabo label (338115780)
13
40
RON
17
1
1
Bit Holder 15.6 V (343374330)
7
81
RON
18
1
1
Spring clip (342021670)
4
46
RON
19
1
1
Locking slide (343374940)
4
46
RON
20
1
1
Warning label (338115880)
15
64
RON
1001
1
1
338502030
-
Indisponibil
Conditii Generale