Cauta produsul dorit:
Bun venit! [Autentificare!] In cos: 0 produse








Top » Piese de schimb » PIESE METABO » 0102512804 10

PKR 250/2,80 DN - 0102512804 10 - 3 / 400V/50Hz
[0102512804 10]

PKR 250/2,80 DN - 0102512804 10 - 3 / 400V/50Hz
Click pentru a mari
Imagini suplimentare
PKR 250/2,80 DN - 0102512804 10 - 3 / 400V/50Hz
Click pentru a mari
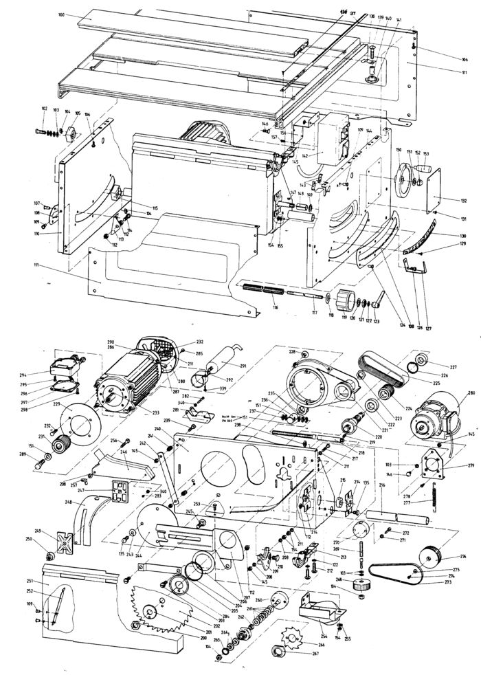
LISTA DE COMPONENTE:
Numar Versiune Buc. in schema Denumire Pret/buc
(Tva inclus)
Cumpara
100 1 1 TABLE INSERT EXTRUSION 863 MM (81383213769) 3698 RON
142 1 1 1010014278 - Indisponibil
200 1 1 HEXAGON THIN NUT (86205008460) 1340 RON
201 1 1 BLADE COLLAR, OUTER RD 57,5X5 (81395201731) 3689 RON
202 1 1 1386623305 - Indisponibil
218 1 1 FEED SPINDLE RD 16X565 (81495024381) 18341 RON
220 1 1 SAW BLADE SPINDLE RD 57X137 AUFNAHME RD (81385212875) 34448 RON
222 1 1 DEEP GROOVE BALL BEARING (87100016812) 5479 RON
225 1 1 POLY-RIB BELT (87233087313) 11519 RON
227 1 1 DEEP GROOVE BALL BEARING (87100016995) 488 RON
236 1 1 PULL BOLT (81395200271) 4249 RON
247 1 1 riving knife carrier (82380075353) 4249 RON
249 1 1 PRESSURE PLATE BL 2,99X80X60 (81382213749) 781 RON
250 1 1 FLANGE NUT (86209002432) 105 RON
254 1 1 DUST EXTRACTION PORT (81391200501) 488 RON
266 1 1 0910052489 - Indisponibil
267 1 1 BLADE COLLAR, OUTER RD 50X10 (81495204363) 955 RON
273 1 1 DRIVE BELT 142,24X5,33 (U=464) 80 SHORE (87632065170) 24046 RON
7000 1 1 CARTON (84810067565) 13756 RON
7003 1 1 2010200108 - Indisponibil
7007 1 1 1141132420 - Indisponibil
7008 1 1 1394017139 - Indisponibil
7010 1 1 RIP FENCE EXTRUSION (82010200205) 3698 RON
7011 1 1 FENCE EXTRUSION 300 MM (81010017811) 955 RON

Conditii Generale