Cauta produsul dorit:
Bun venit! [Autentificare!] In cos: 0 produse








Top » Piese de schimb » PIESE METABO » 1010014260 11

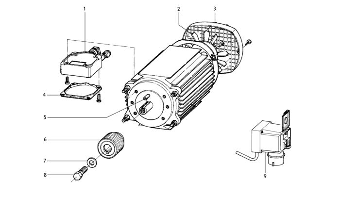
PK-MOTOR PK 250/4,20 DNB - 1010014260 11 - 3 / 400V/50Hz
[1010014260 11]

PK-MOTOR PK  250/4,20 DNB - 1010014260 11 - 3 / 400V/50Hz
Click pentru a mari
Imagini suplimentare
PK-MOTOR PK  250/4,20 DNB - 1010014260 11 - 3 / 400V/50Hz
Click pentru a mari
LISTA DE COMPONENTE:
Numar Versiune Buc. in schema Denumire Pret/buc
(Tva inclus)
Cumpara
1 1 1 LOWER CASING, MOTOR TERM. BOX (81331409657) 2459 RON
2 1 1 FAN WING 120/13 WELLEND. 16 (81331408839) 105 RON
3 1 1 FAN COVER 120/13 (81331408847) 1340 RON
4 1 1 LID, MOTOR TERMINAL BOX (81331409665) 105 RON
5 1 1 POLY-RIB PULLEY (81395200980) 13756 RON
6 1 1 Washer (86300016705) Indisponibil Indisponibil
7 1 1 Hex head screw (86103001267) 781 RON
8 1 1 Parallel key (86721059322) 446 RON
9 1 1 SWITCH SSK DN UC230V M=7A K900VB/ST3/KA3 (88132605565) 88582 RON

Conditii Generale