Cauta produsul dorit:
Bun venit! [Autentificare!] In cos: 0 produse








Top » Piese de schimb » PIESE METABO » 0920054064 10

Morticing ATTACHMENT MULTI 310 - 0920054064 10 - -
[0920054064 10]

Morticing ATTACHMENT MULTI 310 - 0920054064 10 - -
Click pentru a mari
Imagini suplimentare
Morticing ATTACHMENT MULTI 310 - 0920054064 10 - -
Click pentru a mari
Morticing ATTACHMENT MULTI 310 - 0920054064 10 - -
Click pentru a mari
LISTA DE COMPONENTE:
Numar Versiune Buc. in schema Denumire Pret/buc
(Tva inclus)
Cumpara
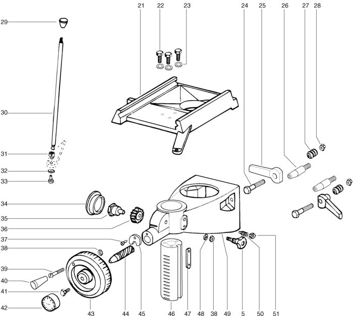
1 1 1 1380659244 - Indisponibil
2 1 1 1381659158 - Indisponibil
3 1 1 1381659140 - Indisponibil
4 1 1 1011659418 - Indisponibil
5 1 3 STARKNOB SCREW M 8X23 (DIN 933) VERZINKT (87001144191) 105 RON
6 1 1 RETAINING RING FOR SHAFTS 16X1 (86400009900) 446 RON
7 1 1 ROD RD 16X180 ET (81385659420) 18341 RON
8 1 1 WORKPIECE HOLDER ET (81011659400) 59166 RON
9 1 1 DRILL CHUCK 0-10 MM GEWINDE 1/2"X20 UNF (89431018770) 26730 RON
10 1 2 GUIDE BAR SW 13X165 ET (81388659196) 19236 RON
11 1 4 STARKNOB SCREW M 6X20 (DIN 933) VERZINKT (87001124212) 105 RON
12 1 4 1380659170 - Indisponibil
13 1 4 Cap screw (86121023081) 446 RON
14 1 3 HEX.SOCKET COUNTERS.HEAD SCREW (86132127741) 446 RON
15 1 4 CAM BUSHING ET (81385659136) 5479 RON
16 1 8 ROLLER RD 40 ET (81381659204) 15993 RON
17 1 8 BUSHING ET (81385659187) 190 RON
18 1 4 COLLAR BUSHING ET (81385659160) 4249 RON
19 1 5 Cap screw (86121000766) 446 RON
20 1 1 1382659224 - Indisponibil
21 1 1 1380659235 - Indisponibil
22 1 3 HEXAGON HEAD SCREW M 6X35 VERZ. (86103004916) 446 RON
23 1 3 Washer Washer cod vechi 86300016365 (141151940) 446 RON
24 1 2 HEXAGON SOCKET HEAD CAP SCREW M 10X45 VE (86121151608) 781 RON
25 1 2 RATCHET LOCK LEVER ET (81388659390) 19236 RON
26 1 2 1485658579 - Indisponibil
27 1 12 CUP SPRING (87053010088) 446 RON
28 1 2 HEXAGON NUT M 10 VERZ. (86200002251) 446 RON
29 1 1 7002659900 - Indisponibil
30 1 1 LEVER RD 14X300 ET (81385659217) 34448 RON
31 1 1 1381659255 - Indisponibil
32 1 1 Washer (86305002087) 446 RON
33 1 1 HEXAGON SOCKET HEAD CAP SCREW (86121000731) 446 RON
34 1 1 1381659379 - Indisponibil
35 1 1 1385659276 - Indisponibil
36 1 1 GEARWHEEL ET (81385659314) 19236 RON
37 1 1 HEXAGON SOCKET HEAD CAP SCREW (86121000731) 446 RON
38 1 1 HEXAGON NUT M 10 VERZ. (86200002251) 446 RON
39 1 1 AXLE TURN HANDLE RD 15,6X75 /M10 ET (81385659268) 10288 RON
40 1 1 1381659328 - Indisponibil
41 1 1 HEX.SOCKET COUNTERS.HEAD SCREW M 8X25 VE (86132158523) 446 RON
42 1 1 SPIRIT LEVEL RD 74 MIT SKALA /ET (81388659439) 21361 RON
43 1 1 HANDWHEEL RD 140 ET (87003659342) 15993 RON
44 1 1 GEAR WHEEL LINKS /ET (81385659365) 39481 RON
45 1 1 1382659330 - Indisponibil
46 1 1 STROKE ET (81385659292) 127394 RON
47 1 1 1382659283 - Indisponibil
48 1 1 MEDIUM WASHER (86300016349) 446 RON
49 1 1 1380659308 - Indisponibil
50 1 1 HEX.SOCKET SET SCREW M14X2X25 ET (81385659357) 7157 RON
51 1 1 HEXAGON NUT M 14 VERZ. (86200002278) 446 RON

Conditii Generale