Cauta produsul dorit:
Bun venit! [Autentificare!] In cos: 0 produse








Top » Piese de schimb » PIESE METABO » 0021032611 11

MIG/MAG 261 E - 0021032611 11 - EU 230V
[0021032611 11]

MIG/MAG 261 E - 0021032611 11 - EU 230V
Click pentru a mari
Imagini suplimentare
MIG/MAG 261 E - 0021032611 11 - EU 230V
Click pentru a mari
MIG/MAG 261 E - 0021032611 11 - EU 230V
Click pentru a mari
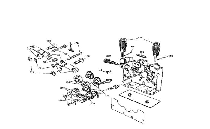
LISTA DE COMPONENTE:
Numar Versiune Buc. in schema Denumire Pret/buc
(Tva inclus)
Cumpara
1 1 1 TOGGLE-TYPE FASTENER (87014126087) 2459 RON
2 1 1 SOLENOID VALVE 24/1/50 P=13BAR 2X1/8"IG (88052153396) 19236 RON
3 1 1 7850012088 - Indisponibil
4 1 1 ARBOR ASSEMBLY, SPOOL CARRIER (81321073880) 13756 RON
5 1 1 COUNTER HOOK (87014126095) 781 RON
6 1 1 WIRE FEED DRIVE 0,6/0,8 1,0/1,2MONT. 4-R (81002652320) 197187 RON
7 1 1 1327133868 - Indisponibil
8 1 1 CAPILLARY TUBE 5X124 2,0 (81327175129) 3018 RON
9 1 1 CONTROL UNIT ASSEMBLY MIT STEUERPLATINE (81002193732) 171574 RON
11 1 1 IMPELLER RD 230 MM F?RDERRICHTG. V (81327621714) 5479 RON
12 1 1 FAN MOTOR 10W / 230V / 50HZ (88041621738) 41718 RON
13 1 1 8106623202 - Indisponibil
14 1 1 PILOT TRANSFORMER 380 V (81002003364) 49212 RON
15 1 1 8106194409 - Indisponibil
16 1 1 THERMAL OVERLOAD SWITCH R 20 130 GRAD OH (88102000219) 488 RON
17 1 1 RECTIFIER STACK PTS 36/6/25 (88053193596) 93951 RON
18 1 1 RIGID PLATE CASTER RD 125 TYP:3478 PVR 1 (87271621510) 10288 RON
19 1 1 SWIVEL PLATE CASTER RD 125 (87271621501) 18341 RON
20 1 1 PANEL SOCKET ASSEMBLY 50 MM2 MIT ISOLIER (88215071317) 5926 RON
21 1 1 8112139207 - Indisponibil
30 1 1 WIRE FEED MOTOR 24 V (88011177124) 64311 RON
40 1 1 Cap screw (86121023081) 446 RON
50 1 1 BRACKET, PRESSURE ROLLER ET (81322177093) 11519 RON
70 1 1 141180010 - Indisponibil
90 1 1 SPACER SLEEVE ET (81325177078) 3018 RON
100 1 1 AXLE ET (81325177051) 955 RON
110 1 1 RETAINING RING FOR SHAFTS 8X0,8 (86400047330) 446 RON
120 1 1 GEARWHEEL ET (87247177005) 33553 RON
130 1 1 PRESSURE ROLLER ET (81325177027) 11519 RON
160 1 1 Fillister head screw (86123002014) 446 RON
170 1 1 PRESSURE ADJUSTER MIT SKALA ET (81327177105) 24046 RON
200 1 1 BUSHING, WIRE GUIDE ET (81321177111) 3018 RON
230 1 1 GEARWHEEL ET (81321654580) 13756 RON
240 1 1 WIRE FEED ROLLER RD 30X12 V-NUT 0,6/0,8 (81325177043) 10288 RON

Conditii Generale