Cauta produsul dorit:
Bun venit! [Autentificare!] In cos: 0 produse








Top » Piese de schimb » PIESE METABO » 0250300140 10

HWW 3000/20 G - 0250300140 10 - EU 230V
[0250300140 10]

HWW 3000/20 G - 0250300140 10 - EU 230V
Click pentru a mari
Imagini suplimentare
HWW 3000/20 G - 0250300140 10 - EU 230V
Click pentru a mari
HWW 3000/20 G - 0250300140 10 - EU 230V
Click pentru a mari
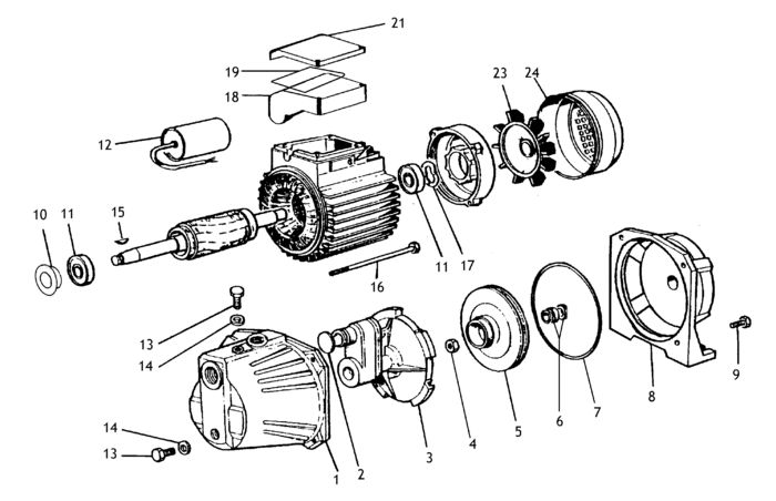
LISTA DE COMPONENTE:
Numar Versiune Buc. in schema Denumire Pret/buc
(Tva inclus)
Cumpara
1 1 1 PUMP CASING P3000G (81340700119) 18341 RON
2 1 1 O-RING 26X2,2 P3000G (87632700126) 781 RON
3 1 1 VENTURI DIFFUSOR P3000G (81349700138) 955 RON
4 1 1 HEXAGON NUT, PREV. TORQUE TYPE (86202002313) 446 RON
5 1 1 IMPELLER 130/39/DH=3,7mm ET (1349700146) 7157 RON
6 1 1 DUOCONE SEAL P3000G (1349700154) 4249 RON
7 1 1 O-RING 165X3,5 ET (7632149217) 105 RON
8 1 1 MOTOR BASE P3000G (81349700162) 13756 RON
9 1 4 HEXAGON HEAD SCREW M 8X30 VERZ. (86103031271) 446 RON
10 1 1 SPLASH RING P3000G (81349700235) 669 RON
11 1 2 DEEP GROOVE BALL BEARING 15X35X11 6202-2 (87100067433) 3689 RON
12 1 1 CAPACITOR 16?F 450V KABEL160L. P3000G (88050700225) 4249 RON
13 1 2 THREADED PLUG ?13 SW17 P3000G (86109700280) 3018 RON
14 1 2 O-RING 12X2 P3000G (87632700274) 669 RON
15 1 1 FEATHER KEY A 4X4X10 ET (86721152349) 446 RON
16 1 4 MOTOR TIE ROD M5X136 P3000G (81349700197) 669 RON
17 1 1 SPACER WASHER RD 35 ET (81349148893) 781 RON
18 1 1 TERMINAL BOX HWW 4000/20 GL ET (81349721747) 105 RON
19 1 1 O-RING 142,1X1,78 70 SHORE (87632619159) 781 RON
21 1 1 LID, TERMINAL BOX P3000G (81349700219) 105 RON
23 1 1 COOLING FAN P3000G (81341700180) 781 RON
24 1 1 FAN COVER P3000G (81342700175) 2124 RON
30 1 1 PRESSURE SWITCH 1/4"IG (1,4/2,8 BAR) PS- (81349712489) 19236 RON
31 1 1 DISTRIBUTOR 5-FACH (87871712597) 8275 RON
32 1 1 PRESSURE GAUGE 0-6 BAR/ AG=1/4" ET (87823712477) 955 RON
33 1 1 PRESSURE HOSE L=530MM/ 1" ET (87853712501) 15993 RON
34 1 1 PRESSURE VESSEL 1"/ MITTE ET (81349712519) 39481 RON
35 1 1 GASKET 30X23X3 ET (87631131454) 1340 RON
36 1 1 FLANGE CAP 1 ( cod vechi 81342712521 ) FLANGE CAP 1" 24/50/100LT AG ET ZILMET (81349676827) Indisponibil Indisponibil
37 1 1 RUBBER BAG HWW (81349718797) 18341 RON
38 1 1 AIR VALVE 4 TLG. ET (87830712539) 4249 RON
39 1 1 CAP RD=7,1mm ET (81349712802) 190 RON

Conditii Generale