Cauta produsul dorit:
Bun venit! [Autentificare!] In cos: 0 produse








Top » Piese de schimb » PIESE METABO » 0230020086 11

GECO 200/8/24 W - 0230020086 11 - EU 230V
[0230020086 11]

GECO 200/8/24 W - 0230020086 11 - EU 230V
Click pentru a mari
Imagini suplimentare
GECO 200/8/24 W - 0230020086 11 - EU 230V
Click pentru a mari
GECO 200/8/24 W - 0230020086 11 - EU 230V
Click pentru a mari
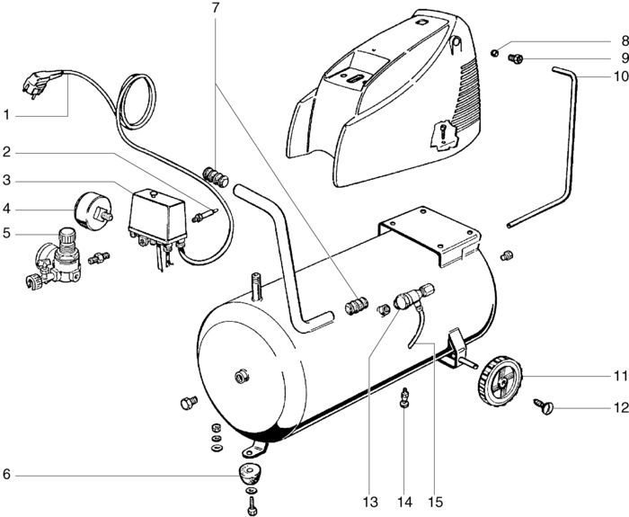
LISTA DE COMPONENTE:
Numar Versiune Buc. in schema Denumire Pret/buc
(Tva inclus)
Cumpara
1 1 1 CABLE, RUBBER JACKET,WITH PLUG A=437.1U (88402094428) 955 RON
2 1 1 SAFETY VALVE 8 BAR ET (87833158397) 7157 RON
3 1 1 AUTOM. PRESSURE CONTROL SWITCH 6-8 BAR 2 (88101149774) 2848 RON
4 1 1 PRESSURE GAUGE, REAR CONNECT RD 40 R1/4" (87823088501) 11519 RON
5 1 1 PRESSURE REGULATOR 31/S6 1/4"I-A ET (87822661976) 21361 RON
6 1 1 RUBBER FOOT RD 60X30 (87057611116) 7157 RON
7 1 2 PLUG 17/20 ET (81311611590) 446 RON
8 1 1 COMPRESSION RING 10 MM ET (87875156637) 105 RON
9 1 1 COMPRESSION RING 10 MM ET (87875650992) 2459 RON
10 1 1 PRESSURE LINE ET (81319651043) 8275 RON
11 1 2 WHEEL ? 125 ET (87270651482) 488 RON
12 1 2 CLIP D 10 ET (81319651493) 190 RON
13 1 1 CHECK VALVE 1/2" x 10mm (87831634329) 18341 RON
14 1 1 DRAIN VALVE R 1/4" GRO? /ET (87830009595) 7157 RON
15 1 1 PLASTIC HOSE BLACK RD 6X1X1000 SCHWARZ (87851190842) 2124 RON
16 1 1 COVER ET (81311651036) 13756 RON
17 1 1 AIR FILTER ET (87825611244) 1340 RON
18 1 1 CYLINDER HEAD ET (81319634858) 13756 RON
19 1 1 CYLINDER HEAD GASKET ET (81319156506) 7157 RON
20 1 1 VALVE WITH COPPER PACKING ET (81319627592) 24046 RON
21 1 1 CYLINDER GASKET ET (81319634890) 2459 RON
22 1 1 PISTON-CONNECTING ROD SET ET (81010634870) 4442 RON
23 1 1 DEEP GROOVE BALL BEARING 25X52X15 6205-2 (87100093418) 5926 RON
24 1 1 FLYWHEEL ET (81001648850) 4249 RON
7000 1 1 PRESSURE SPRING (87051693552) 190 RON
7001 1 1 GASKET MEGA 350/GECO 200 (81311693561) 2459 RON

Conditii Generale