Cauta produsul dorit:
Bun venit! [Autentificare!] In cos: 0 produse








Top » Piese de schimb » PIESE METABO » 0230300003 10

CLASSIC 3000 - 0230300003 10 - EU 230V
[0230300003 10]

CLASSIC 3000 - 0230300003 10 - EU 230V
Click pentru a mari
Imagini suplimentare
CLASSIC 3000 - 0230300003 10 - EU 230V
Click pentru a mari
CLASSIC 3000 - 0230300003 10 - EU 230V
Click pentru a mari
LISTA DE COMPONENTE:
Numar Versiune Buc. in schema Denumire Pret/buc
(Tva inclus)
Cumpara
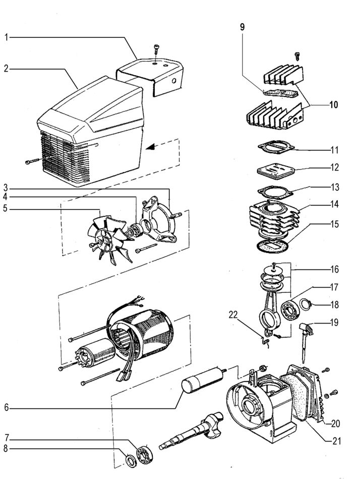
1 1 1 AIR FILTER CAP ET (81319611254) 7157 RON
2 1 1 COVER, COMPRESSOR PUMP VERDICHTER /ET (81319634360) 19236 RON
3 1 1 BEARING PLATE ET (81310683694) 26730 RON
4 1 1 DEEP GROOVE BALL BEARING 17X40X12 6203-2 (87100047254) 3689 RON
5 1 1 FAN WING ET (81319156549) 15993 RON
6 1 1 CAPACITOR 25?F ET (88050156576) 13756 RON
7 1 1 DEEP GROOVE BALL BEARING 17X40X12 6203-2 (87100047254) 3689 RON
8 1 1 ROTARY SHAFT SEAL ET (87635157067) 5479 RON
9 1 1 AIR FILTER ET (87825611244) 1340 RON
10 1 1 CYLINDER HEAD 3/8" IG ET (81319627126) 15993 RON
11 1 1 CYLINDER HEAD GASKET ET (81319156506) 7157 RON
12 1 1 VALVE WITH COPPER PACKING ET (81319627592) 24046 RON
13 1 1 CYLINDER GASKET ET (81319634890) 2459 RON
14 1 1 CYLINDER ET (81319683700) 3698 RON
15 1 1 CYLINDER FOOT GASKET ET (81319683719) 3689 RON
16 1 1 PISTON-CONNECTING ROD SET ET (81319683727) 30980 RON
17 1 1 DEEP GROOVE BALL BEARING 25X52X15 6205-2 (87100093418) 5926 RON
19 1 1 DIP STICK ET (81319683735) 8275 RON
20 1 1 1319611203 - Indisponibil
21 1 1 PACKING, HOUSING LID ET (81319611211) 10288 RON
22 1 1 OIL SPLASH NEEDLE ET (81319683743) 1340 RON
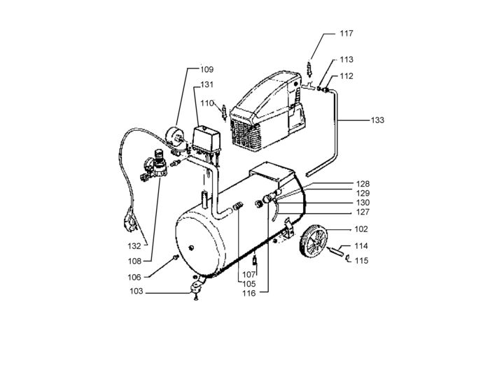
102 1 2 WHEEL ? 125 ET (87270651482) 488 RON
103 1 1 RUBBER FOOT RD 60X30 (87057611116) 7157 RON
105 1 1 CHECK VALVE 1/2" x 10mm (87831634329) 18341 RON
106 1 1 6109079322 - Indisponibil
107 1 1 DRAIN VALVE R 1/4" GRO? /ET (87830009595) 7157 RON
108 1 1 7822009519 - Indisponibil
109 1 1 PRESSURE GAUGE, REAR CONNECT RD 40 R1/4" (87823088501) 11519 RON
110 1 1 SAFETY VALVE 8 BAR ET (87833158397) 7157 RON
113 1 1 COMPRESSION RING 10 MM ET (87875156637) 105 RON
114 1 1 WHEEL BOLT ET (81315611144) 190 RON
115 1 1 SERRATED EDGE WASHER ZA 15 ET (86403156777) 446 RON
116 1 1 PLUG 17/20 ET (81311611590) 446 RON
117 1 1 DRAINING VALVE NA 2,2 BAR / 1/4"A ET (81319651361) 955 RON
127 1 1 7853156714 - Indisponibil
128 1 1 UNION NUT 6 MM ET (87874156609) 488 RON
129 1 1 COMPRESSION RING 6 MM ET (87875156629) 781 RON
130 1 1 BRASS SLEEVE 6 MM ET (81319156646) 105 RON
131 1 1 AUTOM. PRESSURE CONTROL SWITCH 6-8 BAR 2 (88101149774) 2848 RON
132 1 1 CABLE, RUBBER JACKET,WITH PLUG A=437.1U (88402094428) 955 RON
133 1 1 PRESSURE LINE ET (81319611157) 24046 RON

Conditii Generale