Cauta produsul dorit:
Bun venit! [Autentificare!] In cos: 0 produse








Top » Piese de schimb » PIESE METABO » 0102502042 10

TS 250 - 0102502042 10 - US 120V
[0102502042 10]

TS 250 - 0102502042 10 - US 120V
Click pentru a mari
Imagini suplimentare
TS 250 - 0102502042 10 - US 120V
Click pentru a mari
TS 250 - 0102502042 10 - US 120V
Click pentru a mari
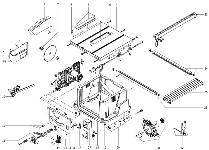
LISTA DE COMPONENTE:
Numar Versiune Buc. in schema Denumire Pret/buc
(Tva inclus)
Cumpara
1 1 1 CHIP EJECTION HOOD TS 250 USA (81010711319) 26730 RON
2 1 1 SEAT+BLADE COLLAR, OUTER TS 250 (USA) (81010713451) 11519 RON
4 1 1 POINTER TS 250 (81010706722) 190 RON
5 1 1 TABLE INSERT ASSEMBLY TS 250 (USA) (81010713460) 11519 RON
6 1 6 THRUST BEARING TS 250 (81010706862) 11519 RON
7 1 1 TABLE TS 250 (81380706870) 197187 RON
10 1 1 CROSSCUT FENC TS 250 (81010706650) 34448 RON
12 1 1 HANDLE TS 250 (81010706854) 5926 RON
13 1 1 HANDWHEEL TS 250 (81010706641) 955 RON
14 1 1 SWITCH ON/OFF TS 250 USA (88111711049) 33553 RON
15 1 1 POINTER, BLADE TILT TS 250 (81010706714) 2124 RON
16 1 1 OVERLOAD RELAY TS 250 USA (88116711355) 21361 RON
17 1 1 STARTING RELAY TS 250 USA 120V (88103713758) 34448 RON
18 1 1 SAW BLADE HOUSING TS 250 USA (81010711360) 78180 RON
19 1 1 RUBBER FOOT SET TS 250 (81010706838) 3018 RON
20 1 1 CABLE BRACKET TS 250 USA (81010713745) 3018 RON
21 1 1 BRACKET F.S?GEBLATT U. KABEL TS 250 (81010706846) 18341 RON
22 1 1 ACCESSORY BAG 3-TEILIG TS 250 (81010706633) 7157 RON
23 1 1 RIP FENC TS 250 (81010706668) 49212 RON
24 1 1 GUIDE EXTRUSION TS 250 (81010706765) 26730 RON
25 1 1 TABLE EXTRUSION TS 250 (81010706757) 64311 RON
26 1 1 GUIDE EXTRUSION TS 250 USA (81010711386) 2848 RON
27 1 1 8139719710 - Indisponibil
28 1 1 GUARD PLATE TS 250 USA (81382720519) 11519 RON
30 1 1 THREADED ROD TS 250 (81010707176) 5926 RON
31 1 2 GUIDE TS 250 (81010707150) 7157 RON
32 1 1 MOTOR ASSEMBLY TS 250 USA 120V (81010713761) 171574 RON
33 1 2 CONICAL GEAR WHEEL TS 250 (81010707168) 4249 RON
34 1 1 CARBON BRUSH SET TS 250 GB110V (81010710126) 13756 RON

Conditii Generale