Acasa
Atelierultau.ro
Continut cos
TRANSPORT
Contul meu
Contact
Cauta produsul dorit:
Bun venit! [
Autentificare!
]
In cos:
0 produse
Top
»
Piese de schimb
»
PIESE METABO
»
19200000
DS 200 - 19200000 - EU 230V
[19200000]
Click pentru a mari
Imagini suplimentare
Click pentru a mari
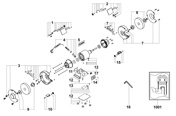
LISTA DE COMPONENTE:
Numar
Versiune
Buc. in schema
Denumire
Pret/buc
(Tva inclus)
Cumpara
1
1
1
Eye protection cpl.left (316046380)
30
18
RON
2
1
1
Eye protection right cpl. (316046390)
30
18
RON
3
1
1
Wheel guard cpl.left (316042500)
369
8
RON
4
1
1
Cable with plug (344498200)
54
79
RON
5
1
1
Metabo label (338122280)
4
46
RON
7
1
1
Wheel guard compl.right (316046360)
369
8
RON
8
1
1
flange right cpl. (316047450)
95
5
RON
9
1
1
Clamping flange compl.left (316046350)
95
5
RON
10
1
1
Supporting Angle cpl.left (316046400)
13
40
RON
11
1
1
NAME PLATE (338053540)
4
46
RON
12
1
1
Foot compl. (316046560)
213
61
RON
13
1
1
Condenser compl. (343254610)
30
18
RON
14
1
1
Switch compl. (343409350)
115
19
RON
15
1
1
Supporting Angle right cpl. (316046410)
13
40
RON
16
1
1
Hexagonal key (344161530)
7
81
RON
17
1
1
Indication label Full-view safety goggle (338122630)
4
46
RON
1001
1
1
338505170
-
Indisponibil
Conditii Generale