Acasa
Atelierultau.ro
Continut cos
TRANSPORT
Contul meu
Contact
Cauta produsul dorit:
Bun venit! [
Autentificare!
]
In cos:
0 produse
Top
»
Piese de schimb
»
PIESE DEWALT
»
DW937K Type 1
DW937K CUTSAW Type 1
[DW937K Type 1]
Click pentru a mari
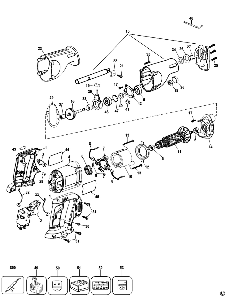
LISTA DE COMPONENTE:
Numar
Versiune
Buc. in schema
Denumire
Pret/buc
(Tva inclus)
Cumpara
1
1
1
000000-00
-
Indisponibil
2
1
1
SWITCH (152274-19SV)
Indisponibil
Indisponibil
3
1
1
SA BUTTON (607100-00)
Indisponibil
Indisponibil
4
1
1
000000-00
-
Indisponibil
5
1
3
BEARING BALL cod vechi 330003-04 BEARING BALL (605040-06)
Indisponibil
Indisponibil
6
1
1
SLEEVE (445217-02)
Indisponibil
Indisponibil
7
1
1
RING BRUSH (382178-01)
Indisponibil
Indisponibil
8
1
2
BRUSH & LEAD (387558-01)
Indisponibil
Indisponibil
9
1
2
SPRING BRUSH (445860-00)
Indisponibil
Indisponibil
11
1
1
MOTOR SA (429906-00)
Indisponibil
Indisponibil
12
1
1
BAFFLE (392415-00)
Indisponibil
Indisponibil
13
1
2
SCREW (448269-00)
Indisponibil
Indisponibil
14
1
1
GEARCASE COVER SA (382180-01)
Indisponibil
Indisponibil
15
1
1
GEARCASE SA (429739-00)
Indisponibil
Indisponibil
16
1
1
SPINDLE & AXLE (383883-00)
Indisponibil
Indisponibil
17
1
6
SCREW (604609-00)
Indisponibil
Indisponibil
18
1
3
NUT LH (382195-00)
Indisponibil
Indisponibil
19
1
1
AXLE (382187-00)
Indisponibil
Indisponibil
20
1
1
000000-00
-
Indisponibil
21
1
1
000000-00
-
Indisponibil
22
1
1
BLADE CLAMP (382190-00)
Indisponibil
Indisponibil
23
1
1
000000-00
-
Indisponibil
24
1
1
000000-00
-
Indisponibil
25
1
3
SCREW (142940-00)
Indisponibil
Indisponibil
26
1
1
000000-00
-
Indisponibil
27
1
2
Screw Taptite (330045-43)
Indisponibil
Indisponibil
28
1
1
000000-00
-
Indisponibil
29
1
1
GASKET (382626-00)
Indisponibil
Indisponibil
30
1
1
SCREW PLASTIC THD FORM (330019-00)
Indisponibil
Indisponibil
31
1
6
SCREW PLASTIC THREAD FORM M3.5 * 19 T1 (330019-04)
Indisponibil
Indisponibil
32
1
1
LEAD BROWN (382629-00)
Indisponibil
Indisponibil
33
1
1
PURPLE LEAD (382630-00SV)
Indisponibil
Indisponibil
34
1
1
SEAL SA (5140006-30)
Indisponibil
Indisponibil
35
1
4
SCREW PLASTIC THREAD FORM M4 * 32 T20 (330019-15)
Indisponibil
Indisponibil
36
1
1
CAP (383227-00)
Indisponibil
Indisponibil
37
1
1
NEEDLE BEARING (93128-00)
Indisponibil
Indisponibil
38
1
1
SERVICE KIT (647342-00)
Indisponibil
Indisponibil
39
1
1
DRIVER (382196-00)
Indisponibil
Indisponibil
40
1
1
SERVICE KIT (647342-00)
Indisponibil
Indisponibil
41
1
1
RETAINER (058836-00)
Indisponibil
Indisponibil
42
1
1
000000-00
-
Indisponibil
43
1
1
000000-00
-
Indisponibil
44
1
1
000000-00
-
Indisponibil
45
1
1
000000-00
-
Indisponibil
46
1
1
BEARING BALL 153209 (330003-12)
Indisponibil
Indisponibil
47
1
1
CIRCLIP (99022-02)
Indisponibil
Indisponibil
48
1
1
000000-00
-
Indisponibil
49
1
1
SA BATTERY PACK 14.4V (582807-00)
Indisponibil
Indisponibil
50
1
1
LABEL IDENTITY (578763-03)
Indisponibil
Indisponibil
51
1
1
XRP3 CHARGER 240V UK (572576-00)
Indisponibil
Indisponibil
52
1
1
LABEL (EURO) IDENTIF DE9116 (643500-00)
Indisponibil
Indisponibil
53
1
1
NAMEPLATE CHARGER (583471-05)
Indisponibil
Indisponibil
800
1
1
GREASE (761995-01)
Indisponibil
Indisponibil
Conditii Generale