Acasa
Atelierultau.ro
Continut cos
TRANSPORT
Contul meu
Contact
Cauta produsul dorit:
Bun venit! [
Autentificare!
]
In cos:
0 produse
Top
»
Piese de schimb
»
PIESE DEWALT
»
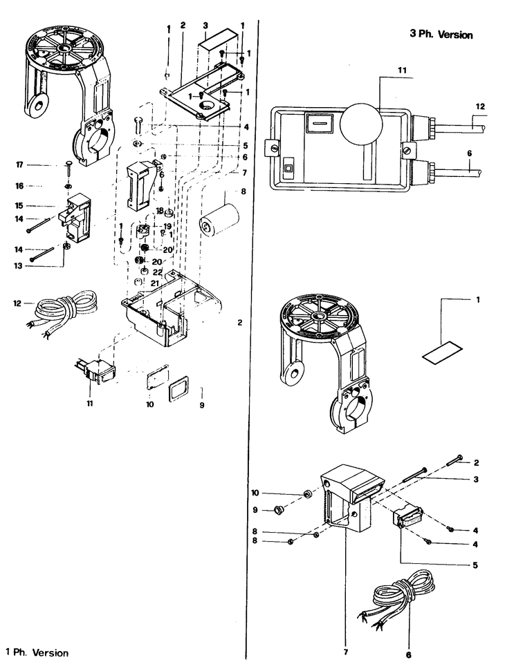
DW1753----C Type 1
DW1753----C RADIAL ARM SAW Type 1
[DW1753----C Type 1]
Click pentru a mari
LISTA DE COMPONENTE:
Numar
Versiune
Buc. in schema
Denumire
Pret/buc
(Tva inclus)
Cumpara
2
1
1
RD.HD.SCREW M.5X25 (949701-12)
Indisponibil
Indisponibil
3
1
1
SCREW FIL.HD M5X60 UNI 6107 (860089-39)
Indisponibil
Indisponibil
4
1
1
000000-00
-
Indisponibil
5
1
1
SWITCH 3PH. DW125-111-1370-DW3 (949780-07)
Indisponibil
Indisponibil
7
1
1
000000-00
-
Indisponibil
8
1
1
NUT HEX THICK M.5 UNI 5587 (860083-02)
Indisponibil
Indisponibil
9
1
1
"CLAMP CABLE(NUT)G.3/8 HOLE 12""" (944654-00)
Indisponibil
Indisponibil
10
1
1
BUSHING CABLE D.10XD.14X5 (944590-00)
Indisponibil
Indisponibil
Conditii Generale