Acasa
Atelierultau.ro
Continut cos
TRANSPORT
Contul meu
Contact
Cauta produsul dorit:
Bun venit! [
Autentificare!
]
In cos:
0 produse
Top
»
Piese de schimb
»
PIESE DEWALT
»
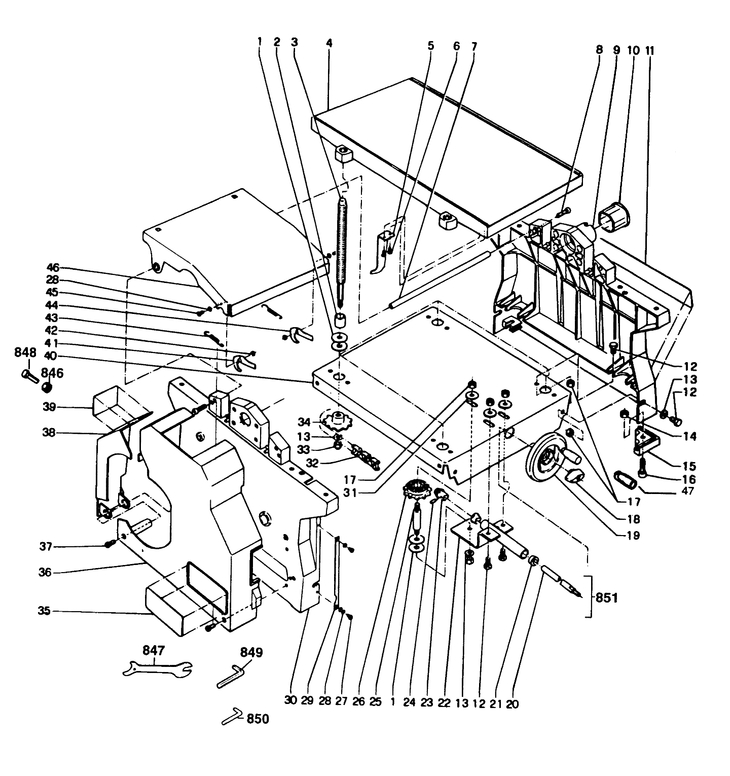
DW1151----F Type 1
DW1151----F PLANER THICKNESSER Type 1
[DW1151----F Type 1]
Click pentru a mari
LISTA DE COMPONENTE:
Numar
Versiune
Buc. in schema
Denumire
Pret/buc
(Tva inclus)
Cumpara
1
1
1
000000-00
-
Indisponibil
2
1
1
000000-00
-
Indisponibil
3
1
2
SCREW (249406-02)
Indisponibil
Indisponibil
4
1
1
000000-00
-
Indisponibil
5
1
1
000000-00
-
Indisponibil
6
1
3
WASHER FLAT 8.4X17 UNI6592 ZN (860073-03)
Indisponibil
Indisponibil
8
1
1
000000-00
-
Indisponibil
9
1
1
000000-00
-
Indisponibil
11
1
1
NUT M5 (860092-03)
Indisponibil
Indisponibil
12
1
1
000000-00
-
Indisponibil
13
1
1
RING SPRING SHAFT D12 UNI7435 (860079-03)
Indisponibil
Indisponibil
14
1
1
000000-00
-
Indisponibil
15
1
1
000000-00
-
Indisponibil
16
1
1
000000-00
-
Indisponibil
17
1
1
NUT HEX THICK M.8 UNI 5587 (860083-04)
Indisponibil
Indisponibil
18
1
1
CAP FOR EXTRUDED 860313 RH (860311-00)
Indisponibil
Indisponibil
19
1
1
SPACER FOR PLANING FENCE (860305-00)
Indisponibil
Indisponibil
20
1
2
SCREW (860085-07)
Indisponibil
Indisponibil
21
1
2
WASHER SPRING CON.D6.2X14X0.9 (860074-02)
Indisponibil
Indisponibil
22
1
1
BRACKET FOR PLANING FENCE (860306-00)
Indisponibil
Indisponibil
23
1
1
LEVER (861840-00)
Indisponibil
Indisponibil
24
1
1
CAP FOR EXTRUDED 860313 LH (860311-01)
Indisponibil
Indisponibil
25
1
1
GIB 18X55X3 DW1150-EPT1900 (860373-00)
Indisponibil
Indisponibil
26
1
1
WASHER SPRING CON.D8.2X18X1 (860074-03)
Indisponibil
Indisponibil
27
1
1
SCREW SOCKET M.8X40 UNI 5931 (860093-04)
Indisponibil
Indisponibil
28
1
2
NUT SQUARE MEAN M.6 UNI 5597 (860310-00)
Indisponibil
Indisponibil
29
1
1
HEX.HD.SCREW M6X30 (943520-00)
Indisponibil
Indisponibil
30
1
1
SCREW SOCKET M.8X30 UNI 5931 (860093-00)
Indisponibil
Indisponibil
31
1
1
NUT HEX THICK M.5 UNI 5587 (860083-02)
Indisponibil
Indisponibil
32
1
1
000000-00
-
Indisponibil
33
1
1
WASHER FLAT 5.3X10 UNI 6592 (860073-01)
Indisponibil
Indisponibil
34
1
1
SCREW FIL.HD M.5X16 UNI6107 Z (860089-18)
Indisponibil
Indisponibil
35
1
1
NUT HEX THICK M.8 UNI 5587 (860083-04)
Indisponibil
Indisponibil
36
1
1
FENCE SLIDE DW1150 (862484-00)
Indisponibil
Indisponibil
36
1
1
FENCE SLIDE DW1150 (862484-00)
Indisponibil
Indisponibil
37
1
1
INSERT PSM N42 B M.5 (860309-00)
Indisponibil
Indisponibil
38
1
1
SCREW HEX M.5X16 UNI 5739 (860085-06)
Indisponibil
Indisponibil
39
1
1
000000-00
-
Indisponibil
40
1
1
LOCATING PIN (860308-00)
Indisponibil
Indisponibil
846
1
1
000000-00
-
Indisponibil
Conditii Generale