Cauta produsul dorit:
Bun venit! [Autentificare!] In cos: 0 produse








Top » Piese de schimb » PIESE BOSCH » 0600821803

TRIMER DE GAZON (0600821803) ART 23 / 230 V /EU
[0600821803]

TRIMER DE GAZON  (0600821803)  ART 23 / 230 V /EU
Click pentru a mari
Imagini suplimentare
TRIMER DE GAZON  (0600821803)  ART 23 / 230 V /EU
Click pentru a mari
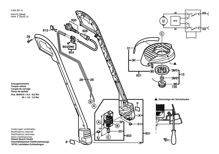
LISTA DE COMPONENTE:
Numar Versiune Buc. in schema Denumire Pret/buc
(Tva inclus)
Cumpara
8 1 1 PLACUTA INDICATOARE TIP (1601118977) 1229 RON
9 1 1 PLACUTA CU EMBLEMA FIRMEI (1601118978) 1229 RON
15 1 1 DOZATOR FIR (1606610138) 9242 RON
22 1 1 SUPORT DE CUTIT (1608040113) 1676 RON
28 1 2 CONDUCTA DE LEGATURA L=780 MM ALB (1604448014) 893 RON
29 1 9 SURUB CU CAP SEMIROTUND 4x18 MM,TORX T20 (2914201506) 558 RON
31 1 1 PLACUTA INDICATOARE (1601118987) 1229 RON
51 1 8 INSERTIE DIN CAUCIUC (1601006012) 558 RON
720 1 1 DOZATOR FIR (F016102388) Indisponibil Indisponibil
801 1 1 CARCASA MOTOR VERDE (1607000864) 8946 RON
803 1 1 MOTOR DE CURENT ALERNATIV (1607220045) 13532 RON
804 1 1 INTRERUPATOR (1607200116) 3354 RON
805 1 1 CONDUCTOR DE RETEA EU 0,46m 2 x 1,0mm H05 VV-F (2604460255) 2868 RON
806 1 1 MUFA O7,2x9,5x80 MM (1600703026) 781 RON
812 1 1 FILTRU DE DEPARAZITARE (1607328028) 1354 RON
821 1 1 APARATOARE (1607000866) 3466 RON

Conditii Generale