Cauta produsul dorit:
Bun venit! [Autentificare!] In cos: 0 produse








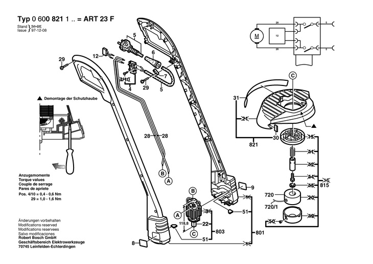
Top » Piese de schimb » PIESE BOSCH » 0600821103

TRIMER DE GAZON (0600821103) ART 23 F / 230 V /EU
[0600821103]

TRIMER DE GAZON  (0600821103)  ART 23 F / 230 V /EU
Click pentru a mari
Imagini suplimentare
TRIMER DE GAZON  (0600821103)  ART 23 F / 230 V /EU
Click pentru a mari
LISTA DE COMPONENTE:
Numar Versiune Buc. in schema Denumire Pret/buc
(Tva inclus)
Cumpara
4 1 1 INTRERUPATOR (1607200116) 3354 RON
5 1 1 CONDUCTOR DE RETEA EU 0,46m 2 x 1,0mm H05 VV-F (2604460255) 2868 RON
6 1 1 MUFA O7,2x9,5x80 MM (1600703026) 781 RON
7 1 1 INTERUPATOR DE LINIE (2601035001) 558 RON
8 1 1 PLACUTA INDICATOARE TIP (1601110905) 893 RON
9 1 1 PLACUTA CU EMBLEMA FIRMEI (1601110912) 893 RON
12 1 1 FILTRU DE DEPARAZITARE (1607328028) 1354 RON
22 1 1 SUPORT DE CUTIT (1608040113) 1676 RON
28 1 2 CONDUCTA DE LEGATURA L=825 MM ALB (1604448012) 893 RON
29 1 9 SURUB CU CAP SEMIROTUND 4x18 MM,TORX T20 (2914201506) 558 RON
30 1 1 PLACA PORTCUTITE (1608635042) 1229 RON
31 1 1 PLACUTA INDICATOARE (1601118165) 1229 RON
51 1 4 PLACA DE CAUCIUC (1601006007) 558 RON
52 1 1 MANSETA DIN CAUCIUC (1601015029) 893 RON
720 1 1 F016800002 - Indisponibil
720/1 1 1 1604700004 - Indisponibil
801 1 1 CARCASA MOTOR VERDE (1607000292) 8946 RON
803 1 1 MOTOR DE CURENT ALERNATIV (1607220045) 13532 RON
815 1 1 DOZATOR FIR (F016102658) Indisponibil Indisponibil
821 1 1 APARATOARE (1607000949) 8275 RON

Conditii Generale