Cauta produsul dorit:
Bun venit! [Autentificare!] In cos: 0 produse








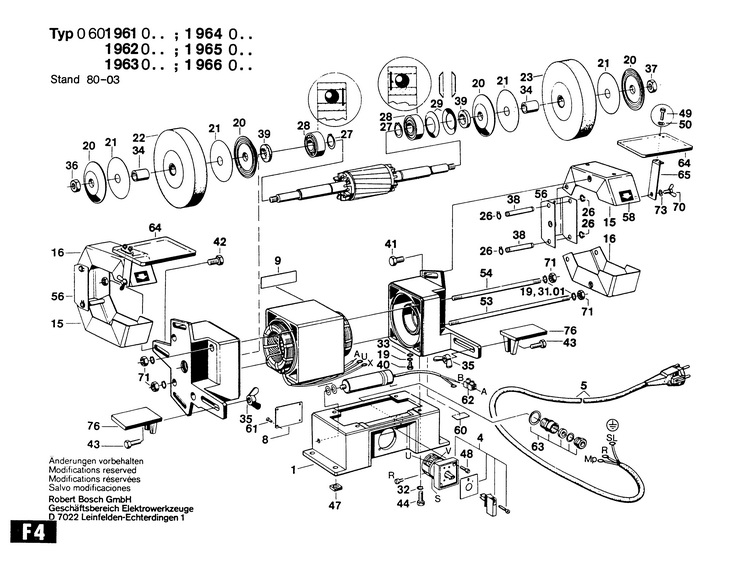
Top » Piese de schimb » PIESE BOSCH » 0601965003

SUPORT DE SLEFUIT (0601965003) / 220 V /EU
[0601965003]

SUPORT DE SLEFUIT  (0601965003)   / 220 V /EU
Click pentru a mari
Imagini suplimentare
SUPORT DE SLEFUIT  (0601965003)   / 220 V /EU
Click pentru a mari
LISTA DE COMPONENTE:
Numar Versiune Buc. in schema Denumire Pret/buc
(Tva inclus)
Cumpara
1 1 1 1609320102 - Indisponibil
4 1 1 1609320141 - Indisponibil
5 1 1 1604461042 - Indisponibil
9 1 1 1601110054 - Indisponibil
11 1 1 0670312349 - Indisponibil
15 1 2 1609320107 - Indisponibil
16 1 2 1609320108 - Indisponibil
19 1 1 INEL CU ARC DIN 127-B 5 (2916680006) 558 RON
20 1 4 1609320113 - Indisponibil
21 1 4 1609320128 - Indisponibil
22 1 1 1608600043 - Indisponibil
23 1 1 1608600044 - Indisponibil
25 1 1 RONDELA DIN 433-A13-ST 50 (2916011019) 558 RON
26 1 8 INEL DE SIGURANTA DIN 471-8x0,8 FSt (2916640005) 558 RON
27 1 2 INEL DE SIGURANTA DIN 471 30x1,5MM (2916650017) 558 RON
28 1 2 1900905206 - Indisponibil
29 1 2 1610550020 - Indisponibil
31 1 8 INEL CU ARC M6 (2916690005) 558 RON
33 1 1 RONDELA DIN 433-5,3-CuZn (2916010411) 558 RON
34 1 2 1609320111 - Indisponibil
35 1 2 2915191009 - Indisponibil
36 1 1 1609320137 - Indisponibil
37 1 1 1609320136 - Indisponibil
38 1 4 1609320132 - Indisponibil
39 1 2 1609320143 - Indisponibil
40 1 1 2911081150 - Indisponibil
41 1 4 2911051289 - Indisponibil
42 1 2 2911051289 - Indisponibil
43 1 2 2911061342 - Indisponibil
44 1 4 2911051242 - Indisponibil
47 1 4 1609320115 - Indisponibil
48 1 2 SURUB CU CAP CILINDRIC DIN 84-AM4x12-8.8 (2910021122) 558 RON
49 1 4 SURUB CU CAP CILINDRIC DIN 84-AM3x8-8.8 (2910021050) 558 RON
50 1 4 RONDELA DIN 433-3,2-ST 50 (2916011005) 558 RON
53 1 3 1609320124 - Indisponibil
54 1 1 1609320125 - Indisponibil
56 1 2 1609320134 - Indisponibil
58 1 2 1609320112 - Indisponibil
60 1 1 1609320138 - Indisponibil
61 1 4 CUI CU CAP SEMIROUND 2x6 DIN 1476-ST (2917721034) 558 RON
62 1 1 REGLETA DE CONEXIUNE 1x1,5 MM/2 (1901091012) 1673 RON
63 1 1 1603392000 - Indisponibil
64 1 2 1609320117 - Indisponibil
65 1 2 1609320119 - Indisponibil
70 1 2 SURUB-FLUTURE M 6x8 DIN 316-MG-4.6 (2912540189) 893 RON
71 1 8 PIULITA HEXAGONALA DIN 934-M6-8-A cod vechi 2915011007 PIULITA HEXAGONALA (3603435044) 558 RON
73 1 2 ARC DISC DIN 137-A 6-ST (2916060007) 558 RON
76 1 2 1609320109 - Indisponibil
700 1 1 1608600045 - Indisponibil
888 1 1 PLACUTA INDICATOARE TIP 26x52 MM (1601106032) 893 RON

Conditii Generale