Cauta produsul dorit:
Bun venit! [Autentificare!] In cos: 0 produse








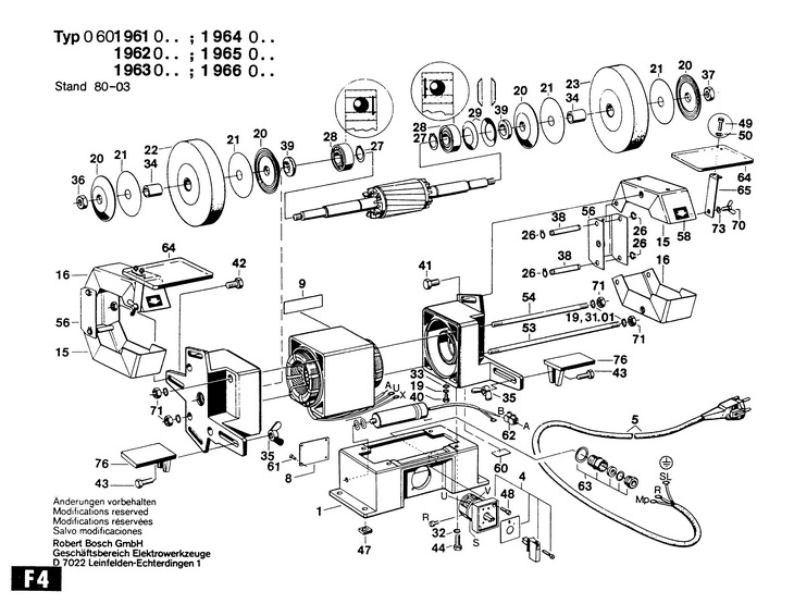
Top » Piese de schimb » PIESE BOSCH » 0601962060

SUPORT DE SLEFUIT (0601962060) / 110 V /GB
[0601962060]

SUPORT DE SLEFUIT  (0601962060)   / 110 V /GB
Click pentru a mari
Imagini suplimentare
SUPORT DE SLEFUIT  (0601962060)   / 110 V /GB
Click pentru a mari
LISTA DE COMPONENTE:
Numar Versiune Buc. in schema Denumire Pret/buc
(Tva inclus)
Cumpara
1 1 1 1609320100 - Indisponibil
4 1 1 1609320140 - Indisponibil
5 1 1 1604461042 - Indisponibil
9 1 1 1601110054 - Indisponibil
15 1 2 1609320103 - Indisponibil
16 1 2 1609320104 - Indisponibil
19 1 9 INEL CU ARC DIN 127-B 5 (2916680006) 558 RON
20 1 4 1609320129 - Indisponibil
21 1 4 1609320126 - Indisponibil
22 1 1 1608600037 - Indisponibil
23 1 1 1608600038 - Indisponibil
26 1 8 INEL DE SIGURANTA DIN 471-8x0,8 FSt (2916640005) 558 RON
27 1 2 INEL DE SIGURANTA DIN 471 20x1,2 (2916650011) 558 RON
28 1 2 1900905207 - Indisponibil
29 1 2 1610550008 - Indisponibil
31 1 4 INEL CU ARC M6 (2916690005) 558 RON
33 1 1 RONDELA DIN 433-5,3-CuZn (2916010411) 558 RON
34 1 2 1609320110 - Indisponibil
35 1 2 PIULITA-FLUTURE DIN 315-M-GT-C (2915191008) 1452 RON
36 1 1 1609320149 - Indisponibil
37 1 1 2915011011 - Indisponibil
38 1 4 1609320131 - Indisponibil
39 1 2 1609320143 - Indisponibil
40 1 1 2911081150 - Indisponibil
41 1 4 2911061238 - Indisponibil
42 1 2 2911051284 - Indisponibil
43 1 2 SURUB CU CAP HEXAGONAL DIN 933-M 10x25-8.8 (2911061291) 893 RON
43 1 2 2911061342 - Indisponibil
44 1 4 2911061196 - Indisponibil
47 1 4 1609320115 - Indisponibil
48 1 2 SURUB CU CAP CILINDRIC DIN 84-AM4x12-8.8 (2910021122) 558 RON
49 1 4 SURUB CU CAP CILINDRIC DIN 84-AM3x8-8.8 (2910021050) 558 RON
50 1 4 RONDELA DIN 433-3,2-ST 50 (2916011005) 558 RON
53 1 3 1609320120 - Indisponibil
54 1 1 1609320121 - Indisponibil
56 1 2 1609320133 - Indisponibil
58 1 2 1609320112 - Indisponibil
60 1 1 1609320138 - Indisponibil
61 1 4 CUI CU CAP SEMIROUND 2x6 DIN 1476-ST (2917721034) 558 RON
62 1 1 REGLETA DE CONEXIUNE 1x1,5 MM/2 (1901091012) 1673 RON
63 1 1 1603392000 - Indisponibil
64 1 2 1609320116 - Indisponibil
65 1 2 1609320118 - Indisponibil
70 1 2 SURUB-FLUTURE M 6x8 DIN 316-MG-4.6 (2912540189) 893 RON
71 1 8 PIULITA HEXAGONALA DIN 934-M 5-m-8 (2915011006) 558 RON
73 1 2 ARC DISC DIN 137-A 6-ST (2916060007) 558 RON
76 1 2 1609320130 - Indisponibil
700 1 1 1608600039 - Indisponibil
888 1 1 PLACUTA INDICATOARE TIP 26x52 MM (1601106032) 893 RON

Conditii Generale