Cauta produsul dorit:
Bun venit! [Autentificare!] In cos: 0 produse








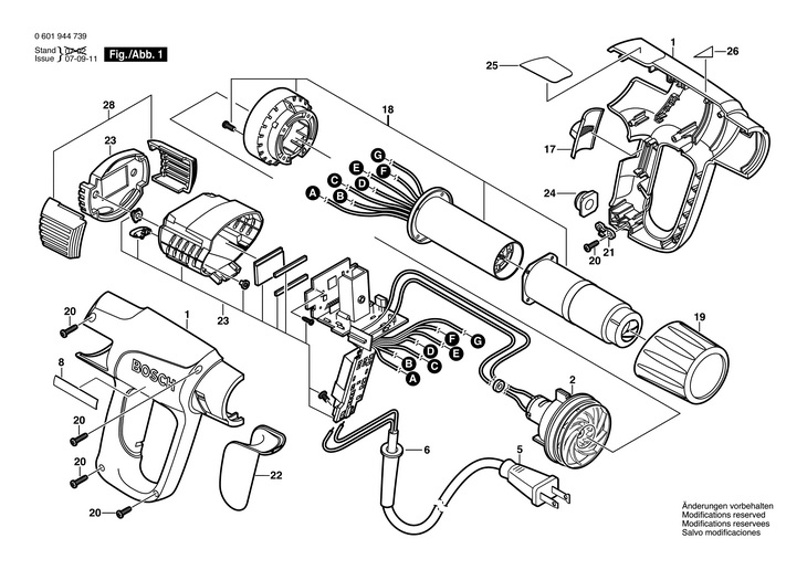
Top » Piese de schimb » PIESE BOSCH » 0601944739

SUFLANTA CU AER CALD (0601944739) 1944 LCD / 120 V /USA
[0601944739]

SUFLANTA CU AER CALD  (0601944739)  1944 LCD / 120 V /USA
Click pentru a mari
Imagini suplimentare
SUFLANTA CU AER CALD  (0601944739)  1944 LCD / 120 V /USA
Click pentru a mari
LISTA DE COMPONENTE:
Numar Versiune Buc. in schema Denumire Pret/buc
(Tva inclus)
Cumpara
1 1 1 CARCASA (1609203K50) 10624 RON
2 1 1 MOTOR DE CURENT CONTINUU 115-240V (1609202611) Indisponibil Indisponibil
5 1 1 1609203U36 - Indisponibil
6 1 1 1609203U37 - Indisponibil
8 1 1 1609203U38 - Indisponibil
17 1 1 BUTON INTRERUPATOR (1609203H72) 2123 RON
18 1 1 RADIATOR 120V (1609203M60) 28184 RON
19 1 1 2610953711 - Indisponibil
20 1 7 SURUB PENTRU TABLA DIN 7981-ST2,9x16-F-H (2910615407) 558 RON
21 1 1 BRATARA DE FIXARE (1609203102) 558 RON
22 1 1 CAPAC CU MANER (1609203H62) 6374 RON
23 1 1 BLOC DE CONEXIUNE 100-240V (1609203L52) 60871 RON
24 1 1 TALPA DIN CAUCIUC (1609203H65) 558 RON
25 1 1 1609203U40 - Indisponibil
26 1 1 2610953710 - Indisponibil
28 1 1 ELEMENT FILTRANT (1609203H78) 1673 RON

Conditii Generale