Cauta produsul dorit:
Bun venit! [Autentificare!] In cos: 0 produse








Top » Piese de schimb » PIESE BOSCH » 0603289161

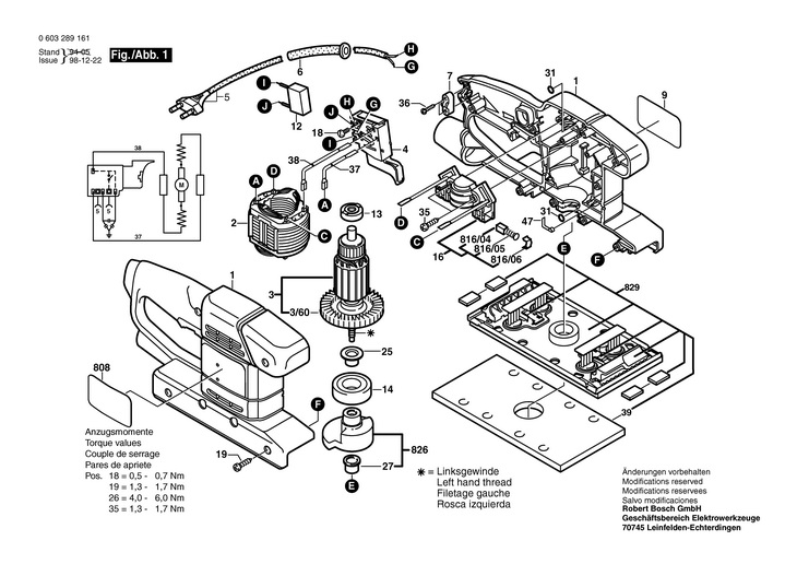
SLEFUITOR CU VIBRATII (0603289161) PSS 23 / 230 V /CH
[0603289161]

SLEFUITOR CU VIBRATII  (0603289161)  PSS 23 / 230 V /CH
Click pentru a mari
Imagini suplimentare
SLEFUITOR CU VIBRATII  (0603289161)  PSS 23 / 230 V /CH
Click pentru a mari
LISTA DE COMPONENTE:
Numar Versiune Buc. in schema Denumire Pret/buc
(Tva inclus)
Cumpara
1 1 1 CARCASA ORANGE (2605104414) 5926 RON
2 1 1 STATOR 220-240V (2604220535) 5032 RON
3 1 1 Rotor 220-240V (2604011014) 13532 RON
3/60 1 1 VENTILATOR (2606610055) 1354 RON
4 1 1 INTRERUPATOR (2607200260) 3665 RON
5 1 1 CONDUCTOR DE RETEA CH 2,65m 2 x 1,0mm H05VV-F (2604460125) 3187 RON
6 1 1 MUFA O7 MM (2600703007) Indisponibil Indisponibil
7 1 1 INTERUPATOR DE LINIE (2601035004) 781 RON
9 1 1 ETICHETA ADEZIVA PSS 23 (2601118350) 1229 RON
12 1 1 FILTRU DE DEPARAZITARE (1607328028) 1354 RON
13 1 1 UNITATE LAGARE (2605805005) Indisponibil Indisponibil
14 1 1 RULMENT CU BILE (2600905034) 4621 RON
16 1 1 PLACA DE PERII (2604337118) 9242 RON
18 1 2 SURUB CU CAP CILINDRIC M3x6,5-4.8 (2603410001) 558 RON
19 1 8 SURUB CU CAP SEMIROTUND T 4x16 (2603490022) 558 RON
25 1 1 MANSON OPRITOR (2600422004) 558 RON
27 1 1 CUZINET AL LAGARULUI (2600590007) 558 RON
31 1 2 GARNITURA O 5x1,5 MM (1900210000) 558 RON
33 1 4 BANDA DE CAUCIUC (2601006002) 558 RON
35 1 2 SURUB CU CAP SEMIROTUND T 4x20 (2603490023) 558 RON
36 1 2 SURUB CU CAP SEMIROTUND T 4x12 (2603490021) 558 RON
37 1 1 CONDUCTOR ELECTRIC L=103MM ALB (2604448140) 558 RON
38 1 1 CONDUCTOR ELECTRIC L=233 MM ALB (1614431010) 1195 RON
39 1 1 PLACA DE CAUCIUC (2602388010) 1676 RON
47 1 1 ARC DE CONTACT (2601329057) 558 RON
808 1 1 2601119243 - Indisponibil
816/04 1 1 SET DE PERII DE CARBUNE (2604321917) 2459 RON
816/05 1 2 ARC DE PRESIUNE 2 604 610 026 (2604610026) 837 RON
816/06 1 2 CAPAC DE BLOCARE (2601322013) 558 RON
816/06 1 2 CAPAC DE BLOCARE (2601329051) 837 RON
826 1 1 DISC EXCENTRIC (2602210907) 3689 RON
829 1 1 PLACA OSCILANTA (2608000910) Indisponibil Indisponibil

Conditii Generale