Cauta produsul dorit:
Bun venit! [Autentificare!] In cos: 0 produse








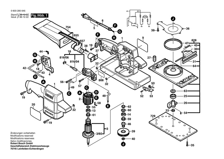
Top » Piese de schimb » PIESE BOSCH » 0603285645

SLEFUITOR CU VIBRATII (0603285645) PSS 28 AE / 115 V /CDN
[0603285645]

SLEFUITOR CU VIBRATII  (0603285645)  PSS 28 AE / 115 V /CDN
Click pentru a mari
Imagini suplimentare
SLEFUITOR CU VIBRATII  (0603285645)  PSS 28 AE / 115 V /CDN
Click pentru a mari
LISTA DE COMPONENTE:
Numar Versiune Buc. in schema Denumire Pret/buc
(Tva inclus)
Cumpara
1 1 1 CARCASA MOTOR VERDE (2605104542) 16328 RON
2 1 1 STATOR 115V (2604220486) 679 RON
3 1 1 Rotor 115-120V (2604011056) 22480 RON
3/60 1 1 VENTILATOR (2606610062) 1229 RON
4 1 1 INTRERUPATOR PORNIT/OPRIT (2607200256) 22480 RON
5 1 1 CONDUCTOR DE RETEA USA/CDN 2,15m 2 x 082mm SJ 18/2 (2604460129) 5479 RON
6 1 1 MUFA O8,2 MM (2600703008) 558 RON
7 1 1 INTERUPATOR DE LINIE (2601035001) 558 RON
9 1 1 2601118549 - Indisponibil
13 1 1 RULMENT CU BILE DIN 625-607-2Z (1900905044) 2390 RON
14 1 1 RULMENT CU BILE 608-2 RS DIN 625 (1900905041) 4621 RON
16 1 1 PLACA DE PERII (2604337122) 9242 RON
18 1 2 SURUB CU CAP CILINDRIC M3x6,5-4.8 (2603410001) 558 RON
19 1 8 SURUB CU CAP SEMIROTUND T 4x16 (2603490022) 558 RON
20 1 1 2601118550 - Indisponibil
25 1 1 RULMENT CU BILE 6002 2RS 15x32x9 (2600905068) 4621 RON
26 1 1 DISC EXCENTRIC (2600499037) 5926 RON
27 1 4 CAUCIUC (2603100050) 893 RON
30 1 2 PARGHIE DE STRANGERE (2601923007) 1354 RON
31 1 2 RIGLA DE APASARE (2601099030) 558 RON
32 1 3 GARNITURA O 5x1,5 MM (1900210000) 558 RON
33 1 1 PIULITA HEXAGONALA DIN 985-M6-8 (2603300013) 781 RON
34 1 2 SURUB CU CAP SEMIROTUND T 3x18 (2603490018) 558 RON
35 1 6 SURUB AUTOFILETANT M4x8 (2603410048) 558 RON
36 1 1 TABLA DE ACOPERIRE (2600034004) 1452 RON
37 1 1 STUT DE RACORDARE (2605702018) 1117 RON
38 1 9 SURUB CU CAP SEMIROTUND T 4x8 (2603490020) 558 RON
39 1 1 VENTILATOR (2606610026) 1117 RON
40 1 1 INEL CU ARC DIN 127-A6-FST (2916680033) 558 RON
42 1 1 CONDUCTOR ELECTRIC L=98 MM NEGRU (2604448045) 558 RON
43 1 1 CONDUCTA DE LEGATURA L=213 MM ALBASTRU (2604448118) 558 RON
44 1 1 PLACA IZOLANTA (2601022000) 558 RON
45 1 2 ARC CU PICIOR (2604651008) 558 RON
46 1 1 MANSON DE DISTANTARE (2600320018) 781 RON
47 1 1 BANDA DE PASLA (2601005014) 558 RON
49 1 2 CONDUCTA DE LEGATURA L=115 MM ALB (2604448109) 558 RON
50 1 2 ARC SPIRAL (1604652004) 837 RON
52 1 2 SPLINT (2604681001) 558 RON
53 1 2 MANETA DE PORNIRE (2602010000) 1117 RON
54 1 1 ROLA CILINDRICA (2603200022) 558 RON
55 1 1 GARNITURA O (2600210042) 781 RON
56 1 1 SURUB CU CAP SEMIROTUND T 4x25 (2603490024) 558 RON
57 1 1 SURUB CU CAP SEMIROTUND T 4x20 (2603490023) 558 RON
58 1 1 ARC DE CONTACT (2601329057) 558 RON
59 1 1 GARNITURA INELARA DE ETANSARE (2600290029) 1117 RON
60 1 1 GARNITURA INELARA PASLA (2600005008) 558 RON
61 1 1 GARNITURA INELARA PASLA (2600005006) 558 RON
62 1 1 INEL INTERMEDIAR (2600100094) 558 RON
63 1 1 GARNITURA INELARA DE ETANSARE (2600290028) 1117 RON
64 1 2 STIFT CILINDRIC (2603201085) 558 RON
655 1 1 STUT DE RACORDARE (2605702009) 1117 RON
657 1 1 GARNITURA O 20x1,5 MM (1610210075) 558 RON
729 1 1 2608000106 - Indisponibil
754 1 1 2605411009 - Indisponibil
780 1 1 2608190017 - Indisponibil
808 1 1 PLACUTA INDICATOARE TIP 26x52 MM (1601106032) 893 RON
816/04 1 1 SET DE PERII DE CARBUNE SET DE PERII DE CARBUNE COD VECHI2604321911 (2604321905) 3665 RON
816/06 1 2 CAPAC DE BLOCARE (2601322013) 558 RON
828 1 1 PLACA OSCILANTA (2608000916) 25018 RON

Conditii Generale