Cauta produsul dorit:
Bun venit! [Autentificare!] In cos: 0 produse








Top » Piese de schimb » PIESE BOSCH » 3603B16000

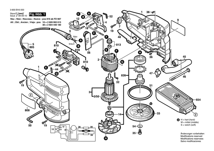
SLEFUITOR CU EXCENTRIC (3603B16000) PEX 420 AE / 230 V /EU
[3603B16000]

SLEFUITOR CU EXCENTRIC  (3603B16000)  PEX 420 AE / 230 V /EU
Click pentru a mari
Imagini suplimentare
SLEFUITOR CU EXCENTRIC  (3603B16000)  PEX 420 AE / 230 V /EU
Click pentru a mari
LISTA DE COMPONENTE:
Numar Versiune Buc. in schema Denumire Pret/buc
(Tva inclus)
Cumpara
1 1 1 CARCASA (2605104730) 9242 RON
2 1 1 STATOR 230V (1604220365) 9242 RON
3 1 1 Rotor 220-240V (2604011265) Indisponibil Indisponibil
3/50 1 1 VENTILATOR (2606610077) 1673 RON
4 1 1 INTRERUPATOR (2607200260) 3665 RON
6 1 1 MUFA O6,4-O7,2x76 MM (2600703017) 893 RON
7 1 1 INTERUPATOR DE LINIE (2601035001) 558 RON
9 1 1 PLACUTA CU EMBLEMA FIRMEI (2601116753) 1229 RON
12 1 1 FILTRU DE DEPARAZITARE (1607328028) 1354 RON
14 1 1 RULMENT CU BILE (2600905034) 4621 RON
18 1 2 SURUB CU CAP CILINDRIC M3x6,5-4.8 (2603410001) 558 RON
19 1 10 SURUB CU CAP SEMIROTUND T 4x16 (2603490022) 558 RON
32 1 1 ARC DE CONTACT (2601329057) 558 RON
33 1 1 DISC ABRAZIV (2608601177) 9242 RON
35 1 1 SURUB IMBUS (2603414061) 1354 RON
36 1 2 TAMPON DIN CAUCIUC (1603100036) 558 RON
39 1 1 CONDUCTA DE LEGATURA L=233 MM ALB (2604448181) 781 RON
43 1 2 SURUB CU CAP SEMIROTUND T 4x20 (2603490023) 558 RON
44 1 1 BANDA DE ETANSARE (2602380003) 558 RON
45 1 1 MANER NEGRU (2602025068) Indisponibil Indisponibil
46 1 1 SURUB CU CAP SEMIROTUND DIN 603-M6x110 (2910285226) 558 RON
47 1 1 PIULITA-FLUTURE M6 (1603339006) 677 RON
48 1 1 SERTAR DE DISTRIBUTIE (2608005043) 558 RON
50 1 1 SURUBELNITA UNGHIULARA DIN 911-SW5 NEGRU (1907950006) Indisponibil Indisponibil
51 1 1 INEL DE FRICTIUNE (2600206015) Indisponibil Indisponibil
52 1 1 PLACA IZOLANTA (2601022000) 558 RON
54 1 1 SAIBA DE SIGURANTA (2600550029) 558 RON
56 1 1 REGULATOR DE TURATIE 230V (2607233066) 10676 RON
654 1 1 CUTIE PENTRU PRAF (2605411210) 5479 RON
805 1 1 CONDUCTOR DE RETEA (1607000388) 4143 RON
808 1 1 PLACUTA INDICATOARE TIP (2601116754) 1229 RON
810 1 1 SET DE PERII DE CARBUNE (2607014001) Indisponibil Indisponibil
813 1 1 UNITATE LAGARE (2605805005) Indisponibil Indisponibil
816 1 1 PLACA DE PERII (2604337911) 6374 RON
826 1 1 VENTILATOR (2606610904) 12588 RON

Conditii Generale