Cauta produsul dorit:
Bun venit! [Autentificare!] In cos: 0 produse








Top » Piese de schimb » PIESE BOSCH » 0603310003

SLEFUITOR CU EXCENTRIC (0603310003) PEX 12 A / 230 V /EU
[0603310003]

SLEFUITOR CU EXCENTRIC  (0603310003)  PEX 12 A / 230 V /EU
Click pentru a mari
Imagini suplimentare
SLEFUITOR CU EXCENTRIC  (0603310003)  PEX 12 A / 230 V /EU
Click pentru a mari
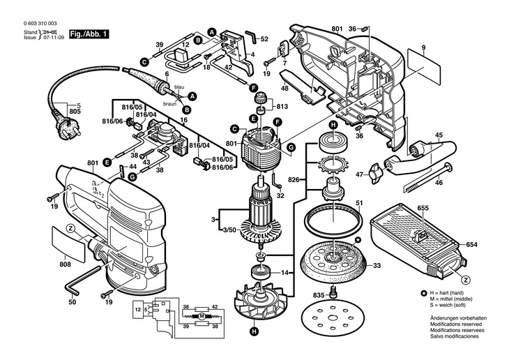
LISTA DE COMPONENTE:
Numar Versiune Buc. in schema Denumire Pret/buc
(Tva inclus)
Cumpara
3 1 1 Rotor 220-240V (2604011265) Indisponibil Indisponibil
3/50 1 1 VENTILATOR (2606610077) 1673 RON
4 1 1 INTRERUPATOR (2607200260) 3665 RON
6 1 1 MUFA O6,4-O7,2x76 MM (2600703017) 893 RON
7 1 1 INTERUPATOR DE LINIE (2601035001) 558 RON
9 1 1 PLACUTA CU EMBLEMA FIRMEI (2601118415) 893 RON
12 1 1 FILTRU DE DEPARAZITARE (1607328028) 1354 RON
14 1 1 RULMENT CU BILE (2600905034) 4621 RON
16 1 1 PLACA DE PERII (2604337118) 9242 RON
18 1 2 SURUB CU CAP CILINDRIC M3x6,5-4.8 (2603410001) 558 RON
19 1 10 SURUB CU CAP SEMIROTUND T 4x16 (2603490022) 558 RON
32 1 1 ARC DE CONTACT (2601329057) 558 RON
33 1 1 DISC ABRAZIV (2608601902) 9242 RON
36 1 2 TAMPON DIN CAUCIUC (1603100036) 558 RON
38 1 2 CONDUCTA DE LEGATURA L=113 MM ALB (2604448180) 781 RON
39 1 1 CONDUCTA DE LEGATURA L=233 MM ALB (2604448181) 781 RON
42 1 1 CONDUCTA DE LEGATURA (2604448184) 781 RON
43 1 2 SURUB CU CAP SEMIROTUND T 4x20 (2603490023) 558 RON
44 1 1 BANDA DE ETANSARE (2602380003) 558 RON
45 1 1 MANER NEGRU (2602025068) Indisponibil Indisponibil
46 1 1 SURUB CU CAP SEMIROTUND DIN 603-M6x110 (2910285226) 558 RON
47 1 1 PIULITA-FLUTURE M6 (1603339006) 677 RON
48 1 1 SERTAR DE DISTRIBUTIE (2608005043) 558 RON
50 1 1 SURUBELNITA UNGHIULARA DIN 911-SW5 NEGRU (1907950006) Indisponibil Indisponibil
51 1 1 INEL DE FRICTIUNE (2600206015) Indisponibil Indisponibil
52 1 1 PLACA IZOLANTA (2601022000) 558 RON
654 1 1 SAC PENTRU PRAF 1 BUC. (2605411069) 1229 RON
655 1 1 ADAPTOR (2605702039) 1229 RON
801 1 1 CARCASA VERDE (2605104796) 8275 RON
805 1 1 CONDUCTOR DE RETEA (1607000388) 4143 RON
808 1 1 PLACUTA INDICATOARE TIP (2601119281) 1229 RON
813 1 1 UNITATE LAGARE (2605805005) Indisponibil Indisponibil
816/04 1 1 SET DE PERII DE CARBUNE (2604321917) 2459 RON
816/05 1 2 ARC DE PRESIUNE 2 604 610 026 (2604610026) 837 RON
816/06 1 2 CAPAC DE BLOCARE (2601329051) 837 RON
816/06 1 2 CAPAC DE BLOCARE (2601322013) 558 RON
826 1 1 VENTILATOR FILET STANGA (2606610901) Indisponibil Indisponibil
835 1 1 SURUB IMBUS (2603414062) 781 RON

Conditii Generale