Cauta produsul dorit:
Bun venit! [Autentificare!] In cos: 0 produse








Top » Piese de schimb » PIESE BOSCH » 0603283745

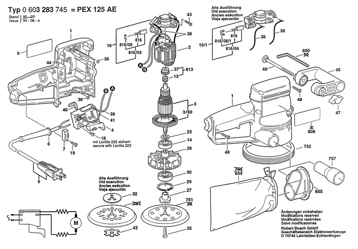
SLEFUITOR CU EXCENTRIC HW (0603283745) PEX 125 AE / 115 V /CDN
[0603283745]

SLEFUITOR CU EXCENTRIC HW  (0603283745)  PEX 125 AE / 115 V /CDN
Click pentru a mari
Imagini suplimentare
SLEFUITOR CU EXCENTRIC HW  (0603283745)  PEX 125 AE / 115 V /CDN
Click pentru a mari
LISTA DE COMPONENTE:
Numar Versiune Buc. in schema Denumire Pret/buc
(Tva inclus)
Cumpara
1 1 1 2605104321 - Indisponibil
2 1 1 STATOR 115V (2604220474) 8946 RON
3 1 1 Rotor 115V (2604010753) 18230 RON
3/50 1 1 VENTILATOR (2606610055) 1354 RON
4 1 1 INTRERUPATOR PORNIT/OPRIT (2607200256) 22480 RON
5 1 1 CONDUCTOR DE RETEA USA/CDN 2,15m 2 x 082mm SJ 18/2 (2604460129) 5479 RON
6 1 1 MUFA O 8,2x95 MM (2600703032) 558 RON
7 1 1 INTERUPATOR DE LINIE (2601035004) 781 RON
9 1 1 2601110973 - Indisponibil
13 1 1 MANSON PTR. ACE RULMENT (2600917002) 1229 RON
14 1 1 RULMENT CU BILE (2600905034) 4621 RON
16 1 1 PLACA DE PERII (2605807055) 3466 RON
18 1 2 SURUB CU CAP CILINDRIC M3x6,5-4.8 (2603410001) 558 RON
19 1 2 SURUB CU CAP SEMIROTUND T 4x12 (2603490021) 558 RON
25 1 1 RONDELA DIN 315-M8-GT-C (2600100041) 558 RON
26 1 1 VENTILATOR (2606610058) 6374 RON
27 1 1 ANTRENOR (2600328017) 2123 RON
29 1 1 INEL DE SIGURANTA (2600116014) 558 RON
30 1 1 RULMENT CU BILE (2600905111) 4143 RON
32 1 1 DISC DIN PLASTIC (2600009008) 781 RON
35 1 1 SURUB IMBUS DIN 7984-M6x16-10.9 (2910975197) Indisponibil Indisponibil
36 1 2 GARNITURA O 5x1,5 MM (2600210036) 558 RON
37 1 1 CUZINET AL LAGARULUI (2600222002) 1117 RON
39 1 1 CONDUCTA DE LEGATURA L=154 MM ALB (2604448000) 558 RON
40 1 1 PLACA IZOLANTA (2601022000) 558 RON
41 1 1 CONDUCTOR ELECTRIC L=233 MM ALB (1614431010) 1195 RON
42 1 1 RONDELA (2600190150) Indisponibil Indisponibil
43 1 2 SURUB SPECIAL 4x20 MM (2603435032) 558 RON
44 1 1 BANDA DE ETANSARE (2602380003) 558 RON
45 1 1 MANER SUPLIMENTAR NEGRU (2602025058) 2123 RON
46 1 1 SURUB CU CAP SEMIROTUND DIN 603-M6x110 (2910285226) 558 RON
47 1 1 PIULITA-FLUTURE M6 (1603339006) 677 RON
48 1 7 SURUB SPECIAL 4x16 MM (2603435036) 558 RON
655 1 1 STUT DE RACORDARE (2605702012) 1117 RON
751 1 1 2608000095 - Indisponibil
752 1 1 2600282003 - Indisponibil
754 1 1 2605411026 - Indisponibil
754 1 1 2605411025 - Indisponibil
754 1 1 2605411027 - Indisponibil
757 1 1 1609200976 - Indisponibil
771 1 1 2600282003 - Indisponibil
808 1 1 PLACUTA INDICATOARE TIP (2601110972) 1229 RON
813 1 1 MANSON PTR. ACE RULMENT (2600917002) 1229 RON
816/04 1 1 SET DE PERII DE CARBUNE SET DE PERII DE CARBUNE COD VECHI2604321911 (2604321905) 3665 RON
816/06 1 2 CAPAC DE BLOCARE (2601329051) 837 RON
816/06 1 2 CAPAC DE BLOCARE (2601322013) 558 RON
850 1 1 SURUBELNITA UNGHIULARA DIN 911-4 (2607950004) 558 RON

Conditii Generale