Cauta produsul dorit:
Bun venit! [Autentificare!] In cos: 0 produse








Top » Piese de schimb » PIESE BOSCH » 0603282703

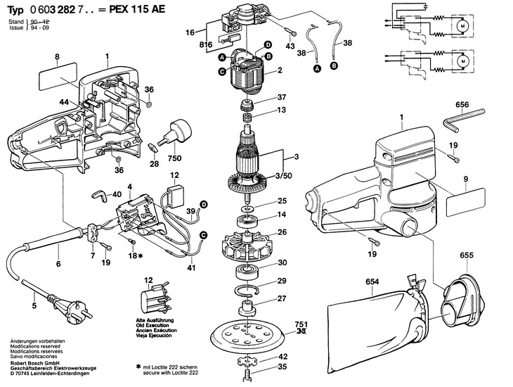
SLEFUITOR CU EXCENTRIC GW (0603282703) PEX 115 AE / 220 V /EU
[0603282703]

SLEFUITOR CU EXCENTRIC GW  (0603282703)  PEX 115 AE / 220 V /EU
Click pentru a mari
Imagini suplimentare
SLEFUITOR CU EXCENTRIC GW  (0603282703)  PEX 115 AE / 220 V /EU
Click pentru a mari
LISTA DE COMPONENTE:
Numar Versiune Buc. in schema Denumire Pret/buc
(Tva inclus)
Cumpara
1 1 1 CARCASA VERDE (2605104287) 5926 RON
2 1 1 STATOR 230-240V (2604220507) 679 RON
3 1 1 Rotor 220V (2604010750) 16328 RON
3/50 1 1 VENTILATOR (2606610055) 1354 RON
4 1 1 INTRERUPATOR PORNIT/OPRIT (2607200358) 15210 RON
5 1 1 CONDUCTOR DE RETEA (1607000388) 4143 RON
6 1 1 MUFA O 7x95 MM (2600703031) 558 RON
7 1 1 INTERUPATOR DE LINIE (2601035001) 558 RON
8 1 1 2601118176 - Indisponibil
9 1 1 PLACUTA CU EMBLEMA FIRMEI (2601110946) 1117 RON
12 1 1 FILTRU DE DEPARAZITARE (1607328028) 1354 RON
13 1 1 MANSON PTR. ACE RULMENT (2600917002) 1229 RON
14 1 1 RULMENT CU BILE (2600905034) 4621 RON
16 1 1 PLACA DE PERII (2604337118) 9242 RON
18 1 2 SURUB CU CAP CILINDRIC M3x6,5-4.8 (2603410001) 558 RON
19 1 2 SURUB CU CAP SEMIROTUND T 4x12 (2603490021) 558 RON
25 1 1 RONDELA DIN 315-M8-GT-C (2600100041) 558 RON
26 1 1 VENTILATOR (2606610057) 5479 RON
27 1 1 ANTRENOR (2600328016) 2459 RON
28 1 1 PIULITA PATRATA DIN 562-M6-04 (2915121006) 677 RON
29 1 1 INEL DE SIGURANTA (2600116014) 558 RON
30 1 1 RULMENT CU BILE (2600905111) 4143 RON
35 1 1 SURUB IMBUS DIN 7984-M6x16-10.9 (2910975197) Indisponibil Indisponibil
36 1 2 GARNITURA O 5x1,5 MM (1900210000) 558 RON
37 1 1 CUZINET AL LAGARULUI (2600222002) 1117 RON
38 1 2 RACORD (2604448139) 558 RON
39 1 1 CONDUCTA DE LEGATURA L=154 MM ALB (2604448000) 558 RON
40 1 1 PLACA IZOLANTA (2601022000) 558 RON
41 1 1 CONDUCTOR ELECTRIC L=233 MM ALB (1614431010) 1195 RON
42 1 1 RONDELA (2600190150) Indisponibil Indisponibil
43 1 2 SURUB CU CAP SEMIROTUND T 4x20 (2603490023) 558 RON
44 1 1 BANDA DE ETANSARE (2602380003) 558 RON
45 1 7 SURUB CU CAP SEMIROTUND T 4x16 (2603490022) 558 RON
654 1 1 2605411009 - Indisponibil
655 1 1 STUT DE RACORDARE (2605702012) 1117 RON
656 1 1 SURUBELNITA UNGHIULARA DIN 911-4 (2607950004) 558 RON
750 1 1 2602026046 - Indisponibil
751 1 1 2608601065 - Indisponibil
751 1 1 2608601066 - Indisponibil
751 1 1 2608601064 - Indisponibil
816 1 1 SET DE PERII DE CARBUNE SET DE PERII DE CARBUNE COD VECHI2604321911 (2604321905) 3665 RON

Conditii Generale