Cauta produsul dorit:
Bun venit! [Autentificare!] In cos: 0 produse








Top » Piese de schimb » PIESE BOSCH » 0603282152

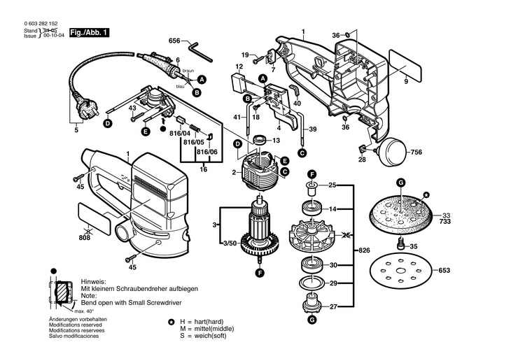
SLEFUITOR CU EXCENTRIC (0603282152) PEX 115 A1 / 240 V /EU
[0603282152]

SLEFUITOR CU EXCENTRIC  (0603282152)  PEX 115 A1 / 240 V /EU
Click pentru a mari
Imagini suplimentare
SLEFUITOR CU EXCENTRIC  (0603282152)  PEX 115 A1 / 240 V /EU
Click pentru a mari
SLEFUITOR CU EXCENTRIC  (0603282152)  PEX 115 A1 / 240 V /EU
Click pentru a mari
LISTA DE COMPONENTE:
Numar Versiune Buc. in schema Denumire Pret/buc
(Tva inclus)
Cumpara
1 1 1 CARCASA NEGRU (2605104451) 5479 RON
2 1 1 STATOR 220-240V (2604220535) 5032 RON
3 1 1 Rotor 220-240V (2604011014) 13532 RON
3/50 1 1 VENTILATOR (2606610055) 1354 RON
4 1 1 INTRERUPATOR (2607200260) 3665 RON
5 1 1 CONDUCTOR DE RETEA GB 240V 2,65m 2 x 1,0mm H05 VV-F (2604460124) 5479 RON
6 1 1 MUFA O 7x95 MM (2600703031) 558 RON
7 1 1 INTERUPATOR DE LINIE (2601035001) 558 RON
9 1 1 PLACUTA CU EMBLEMA FIRMEI (2610384569) 1117 RON
12 1 1 FILTRU DE DEPARAZITARE (1607328028) 1354 RON
13 1 1 UNITATE LAGARE (2605805005) Indisponibil Indisponibil
14 1 1 RULMENT CU BILE (2600905034) 4621 RON
16 1 1 PLACA DE PERII (2604337118) 9242 RON
18 1 2 SURUB CU CAP CILINDRIC M3x6,5-4.8 (2603410001) 558 RON
19 1 2 SURUB CU CAP SEMIROTUND T 4x12 (2603490021) 558 RON
25 1 1 MANSON OPRITOR (2600422004) 558 RON
27 1 1 ANTRENOR (2600328016) 2459 RON
28 1 1 PIULITA HEXAGONALA DIN 934-M 5-m-8 (2915011006) 558 RON
29 1 1 SAIBA, DISC (2600190059) 1229 RON
30 1 1 RULMENT CU BILE (2600905111) 4143 RON
33 1 1 DISC ABRAZIV O115 MM (2608601056) 5926 RON
35 1 1 SURUB IMBUS DIN 7984-M6x16-10.9 (2910975197) Indisponibil Indisponibil
36 1 2 GARNITURA O 5x1,5 MM (1900210000) 558 RON
38 1 2 CONDUCTA DE LEGATURA L=115 MM ALB (2604448109) 558 RON
39 1 1 CONDUCTOR ELECTRIC L=103MM ALB (2604448140) 558 RON
40 1 1 PLACA IZOLANTA (2601022000) 558 RON
41 1 1 CONDUCTOR ELECTRIC L=233 MM ALB (1614431010) 1195 RON
42 1 1 RONDELA (2600190150) Indisponibil Indisponibil
43 1 2 SURUB CU CAP SEMIROTUND T 4x20 (2603490023) 558 RON
45 1 7 SURUB CU CAP SEMIROTUND T 4x16 (2603490022) 558 RON
654 1 1 2605411078 - Indisponibil
655 1 1 STUT DE RACORDARE (2605702012) 1117 RON
656 1 1 SURUBELNITA UNGHIULARA DIN 911-4 (2607950004) 558 RON
733 1 1 2608601065 - Indisponibil
752 1 1 2600282002 - Indisponibil
756 1 1 2602026046 - Indisponibil
757 1 1 1609200976 - Indisponibil
808 1 1 PLACUTA INDICATOARE TIP (2601119228) 1229 RON
816/04 1 1 SET DE PERII DE CARBUNE (2604321917) 2459 RON
816/05 1 2 ARC DE PRESIUNE 2 604 610 026 (2604610026) 837 RON
816/06 1 2 CAPAC DE BLOCARE (2601329051) 837 RON
816/06 1 2 CAPAC DE BLOCARE (2601322013) 558 RON
826 1 1 VENTILATOR FILET STANGA (2606610900) 10624 RON

Conditii Generale