Cauta produsul dorit:
Bun venit! [Autentificare!] In cos: 0 produse








Top » Piese de schimb » PIESE BOSCH » 0603339761

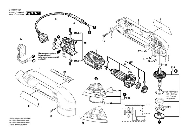
SLEFUITOR DELTA (0603339761) PDA 180 E / 230 V /CH
[0603339761]

SLEFUITOR DELTA  (0603339761)  PDA 180 E / 230 V /CH
Click pentru a mari
Imagini suplimentare
SLEFUITOR DELTA  (0603339761)  PDA 180 E / 230 V /CH
Click pentru a mari
LISTA DE COMPONENTE:
Numar Versiune Buc. in schema Denumire Pret/buc
(Tva inclus)
Cumpara
1 1 1 CARCASA ORANGE (2605104758) 679 RON
2 1 1 STATOR 220-240V (2604220639) 6374 RON
3 1 1 Rotor 220-240V (2604010965) 13863 RON
3/50 1 1 VENTILATOR (2606610083) 1676 RON
5 1 1 CONDUCTOR DE RETEA CH 2,65m 2 x 1,0mm H05 VV-F (2604460113) 3354 RON
6 1 1 MUFA O6,5-O6,9x95 MM (2600703012) 893 RON
7 1 1 INTERUPATOR DE LINIE (2601035001) 558 RON
8 1 1 2601117715 - Indisponibil
9 1 1 PLACUTA CU EMBLEMA FIRMEI (2601117716) 1229 RON
13 1 1 RULMENT CU BILE 8x19x6MM (2600905046) 3665 RON
14 1 1 RULMENT CU BILE O8xO22x7 MM (1600905011) 190 RON
16 1 1 PLACA DE PERII (2604337079) 8275 RON
19 1 10 SURUB CU CAP SEMIROTUND T 4x16 (2603490022) 558 RON
21 1 1 PINION (2606333038) 2123 RON
23 1 1 ROBINET CU SERTAR (2602319021) 781 RON
24 1 1 REGULATOR DE TURATIE 220-240V (2607233053) 6374 RON
32 1 1 PLACA DE INCHIDERE (2608000232) 4143 RON
33 1 1 CURSOR DE BLOCARE (2608000173) 1036 RON
34 1 1 ARC DE STRANGERE (2604680000) 1036 RON
36 1 1 MANSON PTR. ACE RULMENT (2600917002) 1229 RON
37 1 4 TAMPON DIN CAUCIUC (2603100056) 558 RON
38 1 1 DISC DE ECHILIBRARE 0,2 MM (2600101088) 558 RON
38/1 1 2 DISC DE ECHILIBRARE 0,5 MM (2600101091) 677 RON
803 1 1 Rotor 220-240V (2604010962) 16572 RON
816/04 1 1 SET DE PERII DE CARBUNE (2607014010) 2868 RON
835 1 1 PRINDERE ACCESORII (2601098902) 679 RON

Conditii Generale