Cauta produsul dorit:
Bun venit! [Autentificare!] In cos: 0 produse








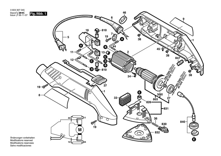
Top » Piese de schimb » PIESE BOSCH » 0603307045

SLEFUITOR DELTA HW (0603307045) PDA 100 A / 115 V /CDN
[0603307045]

SLEFUITOR DELTA HW  (0603307045)  PDA 100 A / 115 V /CDN
Click pentru a mari
Imagini suplimentare
SLEFUITOR DELTA HW  (0603307045)  PDA 100 A / 115 V /CDN
Click pentru a mari
LISTA DE COMPONENTE:
Numar Versiune Buc. in schema Denumire Pret/buc
(Tva inclus)
Cumpara
1 1 1 CARCASA VERDE (2605104416) 5032 RON
2 1 1 STATOR 115V (2604220517) 13532 RON
3/60 1 1 VENTILATOR (2606610084) 558 RON
5 1 1 CONDUCTOR DE RETEA USA/CDN 2,15m 2 x 082mm SJ 18/2 (2604460129) 5479 RON
6 1 1 MUFA O7,3-O8,6x76 MM (2600703018) 893 RON
7 1 1 INTERUPATOR DE LINIE (2601035001) 558 RON
8 1 1 PLACUTA CU EMBLEMA FIRMEI PARTE INSORITA (2601118780) 1229 RON
9 1 1 PLACUTA CU EMBLEMA FIRMEI PARTE INSORITA (2601118780) 1229 RON
11 1 1 CONDUCTA DE LEGATURA L = 37 MM ALB (2604448178) 558 RON
12 1 1 CONDUCTA DE LEGATURA L=52MM ALB (2604448016) 558 RON
13 1 1 MANSON PTR. ACE RULMENT (2600917002) 1229 RON
16 1 1 1607233096 - Indisponibil
19 1 8 SURUB CU CAP SEMIROTUND T 4x16 (2603490022) 558 RON
27 1 1 RULMENT CU BILE O8xO24x7MM (2600905060) 3354 RON
33 1 1 FURTUN DE LEGATURA (2600712003) 893 RON
34 1 1 ARC DE CONTACT (2601329037) 558 RON
36 1 1 ARC DE PRESIUNE (2604610034) 558 RON
37 1 1 ROBINET CU SERTAR (2602319008) 558 RON
38 1 3 TAMPON DIN CAUCIUC (2603100056) 558 RON
44 1 2 CONDUCTA DE LEGATURA L=88 MM ALB (2604448034) 558 RON
45 1 1 TAMPON, ORGAN DE PRESARE (2600590010) 1452 RON
46 1 1 INEL DE STRANGERE (2600290025) 1117 RON
803 1 1 Rotor 115V (2604010930) 18230 RON
810 1 1 SET DE PERII DE CARBUNE (2607014010) 2868 RON
826 1 1 RULMENT CU ACE (2600917007) 1452 RON
830 1 1 DISC DE CLICHET (2608000144) 558 RON
831 1 1 PLACA DE BAZA (2601098901) 3689 RON
832 1 1 PLACA DE SLEFUIT NEGRU (2608000143) Indisponibil Indisponibil
840 1 1 ARBORE FLEXIBIL (2603010002) 16572 RON
847 1 1 INEL DE SPRIJIN (2608005068) 558 RON

Conditii Generale