Acasa
Atelierultau.ro
Continut cos
TRANSPORT
Contul meu
Contact
Cauta produsul dorit:
Bun venit! [
Autentificare!
]
In cos:
0 produse
Top
»
Piese de schimb
»
PIESE BOSCH
»
3603B71100
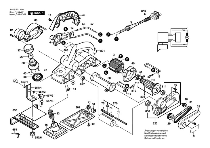
RINDEA MANUALA (3603B71100) PHO 3100 / 230 V /EU
[3603B71100]
Click pentru a mari
Imagini suplimentare
Click pentru a mari
LISTA DE COMPONENTE:
Numar
Versiune
Buc. in schema
Denumire
Pret/buc
(Tva inclus)
Cumpara
2
1
1
STATOR 230-240V (2604220480)
82
75
RON
4
1
1
INTRERUPATOR (1607200158)
28
68
RON
6
1
1
MUFA O6,4-O7,2x76 MM (2600703017)
8
93
RON
9
1
1
PLACUTA CU EMBLEMA FIRMEI (2609131526)
8
93
RON
12
1
1
FILTRU DE DEPARAZITARE (2609120049)
8
93
RON
16
1
2
PORTPERIE (2609120334)
7
81
RON
19
1
15
SURUB CU CAP SEMIROTUND T 4x16 (2603490022)
5
58
RON
26
1
1
PIULITA DE REGLARE (2609110728)
11
17
RON
28
1
1
ROATA DE CUREA (2609110268)
11
17
RON
29
1
1
ROATA DE CUREA (2609110267)
14
52
RON
30
1
1
MANER (2609100589)
19
0
RON
31
1
1
CUREA TRAPEZOIDALA (2609100410)
33
54
RON
32
1
1
CENTURA (2609100585)
16
76
RON
33
1
1
ARC DE PRESIUNE (2609110077)
8
93
RON
35
1
1
CAPAC PERII (2609100583)
24
59
RON
37
1
1
CAPAC CU MANER (2609100140)
12
29
RON
38
1
1
DISC CU CLICHET (2609110162)
11
17
RON
40
1
1
INEL DEFLECTOR DE AER (2609100028)
8
93
RON
41
1
1
LIRA DE CONTACT (2601329053)
5
58
RON
43
1
1
STIFT ELICOIDAL PRINDERE DIN 7343-5x2,5 (2917800053)
5
58
RON
44
1
2
PIULITA PATRATA M6 (2603320004)
5
58
RON
46
1
1
REGULATOR DE AVANS (2609110729)
92
42
RON
47
1
2
ARC CU CLICHET (2601254000)
5
58
RON
49
1
1
INVELIS AL MANERULUI (2609100582)
36
65
RON
57
1
1
CONDUCTA DE LEGATURA L=233 MM ALB (2604448181)
7
81
RON
58
1
1
CONDUCTA DE LEGATURA L=213 MM ALBASTRU (2604448118)
5
58
RON
60
1
1
TEAVA DE INTOARCERE ROSU (2609100086)
21
23
RON
74
1
1
CUTIT DE RINDEA (2608635341)
50
99
RON
75
1
2
STIFT FILETAT (2603400016)
5
58
RON
76
1
1
PANA DE PRINDERE (2603111001)
46
21
RON
80
1
1
PROTECTIE CUTIT (2609100088)
11
17
RON
81
1
1
ARC (2609110109)
7
81
RON
654
1
1
SURUBELNITA UNGHIULARA DIN 911 SW2,5 (1907950003)
8
93
RON
656
1
1
GRINDA OPRITOARE (2608005015)
36
65
RON
657/1
1
1
GARNITURA O 4x1,5 MM (1610210043)
5
58
RON
657/2
1
1
RONDELA DIN 125-A 6,4-ST (2916011014)
5
58
RON
657/3
1
1
SURUB-FLUTURE M 6x16 MM (2603480003)
8
37
RON
657/4
1
1
COLTAR OPRITOR (1601332018)
12
29
RON
657/5
1
1
SURUB CU CAP SEMIROTUND DIN 603-M6x20 (2910281201)
5
58
RON
657/6
1
1
PIULITA-FLUTURE (2609199008)
5
58
RON
801
1
1
CARCASA VERDE (2609100620)
165
72
RON
803
1
1
Rotor 230-240V (2609199269)
152
97
RON
805
1
1
CONDUCTOR DE RETEA (1607000387)
36
65
RON
808
1
1
PLACUTA INDICATOARE TIP (2609131568)
8
93
RON
810
1
1
SET DE PERII DE CARBUNE (2604321933)
46
21
RON
813
1
1
RULMENT CU BILE cod vechi 2600905051 (2600905086)
27
94
RON
814
1
1
RULMENT CU BILE 8x22x7 MM (2600905052)
24
59
RON
825
1
1
FLANSA DE LAGAR (2609100622)
71
71
RON
827
1
1
RULMENT CU BILE cod vechi 2600905051 (2600905086)
27
94
RON
850
1
1
RULMENT CU BILE (2600905064)
36
65
RON
870
1
1
CAP DE RINDEA (2609110193)
250
18
RON
Conditii Generale