Acasa
Atelierultau.ro
Continut cos
TRANSPORT
Contul meu
Contact
Cauta produsul dorit:
Bun venit! [
Autentificare!
]
In cos:
0 produse
Top
»
Piese de schimb
»
PIESE BOSCH
»
0603272203
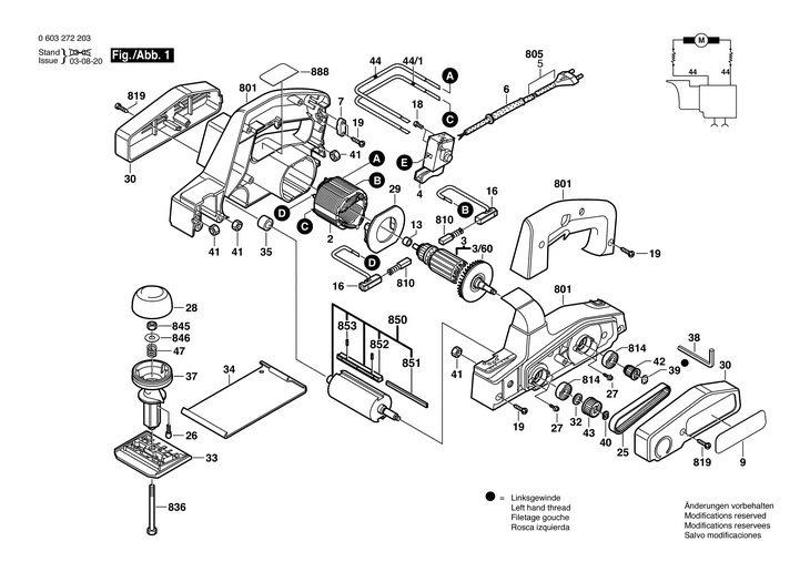
RINDEA MANUALA (0603272203) PHO 1 / 230 V /EU
[0603272203]
Click pentru a mari
Imagini suplimentare
Click pentru a mari
LISTA DE COMPONENTE:
Numar
Versiune
Buc. in schema
Denumire
Pret/buc
(Tva inclus)
Cumpara
2
1
1
STATOR 240V (2604220411)
71
71
RON
3
1
1
Rotor 220-230V (2604010648)
163
28
RON
3/60
1
1
VENTILATOR (1606610116)
11
17
RON
4
1
1
INTRERUPATOR (2607200367)
28
68
RON
6
1
1
MUFA O7 MM (2600703007)
Indisponibil
Indisponibil
7
1
1
INTERUPATOR DE LINIE (2601035001)
5
58
RON
9
1
1
PLACUTA CU EMBLEMA FIRMEI (2609130606)
12
29
RON
13
1
1
MANSON PTR. ACE RULMENT (2600910005)
11
17
RON
16
1
2
PORTPERIE (2604449026)
5
58
RON
18
1
2
SURUB CU CAP CILINDRIC M3x6,5-4.8 (2603410001)
5
58
RON
19
1
11
SURUB PENTRU TABLA DIN 7981-ST3,9x19-C-H (2910611020)
5
58
RON
25
1
1
CUREA DINTATA (2604736001)
33
54
RON
26
1
1
CAPAC DE BLOCARE (2600590006)
5
58
RON
27
1
4
SURUB COMBINAT (2603433000)
5
58
RON
28
1
1
MANER (2602026053)
7
81
RON
29
1
1
INEL DEFLECTOR DE AER (2600290004)
7
81
RON
30
1
1
CAPOTA (2605500163)
36
65
RON
32
1
1
DISC DE ECHILIBRARE 0,2 MM (2600100621)
5
58
RON
33
1
1
REGULATOR DE AVANS (2608000133)
28
68
RON
34
1
1
PLACA DE BAZA (1608000091)
16
76
RON
35
1
1
MANSON PTR. ACE RULMENT O8xO12x10 MM (1610910057)
11
17
RON
37
1
1
MANER (2602026052)
11
17
RON
38
1
1
CHEIE STIFT (2609110279)
7
81
RON
39
1
1
CAUCIUC M6 FILET STANGA (2603342006)
5
58
RON
40
1
1
CAUCIUC M 8 (2603342010)
8
93
RON
41
1
4
PIULITA HEXAGONALA DIN 934-M6-8-A cod vechi 2915011007 PIULITA HEXAGONALA (3603435044)
5
58
RON
42
1
1
ROATA DE CUREA DINTATA Z= 18 (2606625001)
14
52
RON
43
1
1
ROATA DE CUREA DINTATA Z=28 (2606625002)
19
0
RON
44
1
1
CONDUCTA DE LEGATURA L = 288 MM ALB (2604448062)
5
58
RON
44/1
1
1
CONDUCTOR ELECTRIC L = 238 MM ALB (2604448160)
10
36
RON
47
1
1
ARC DE PRESIUNE (2604611010)
5
58
RON
801
1
1
CARCASA VERDE (2605104866)
138
63
RON
805
1
1
CONDUCTOR DE RETEA EU 230V 4,15m 2 x 1,0mm H05 RN-F (1607000386)
63
74
RON
810
1
1
SET DE PERII DE CARBUNE SET DE PERII DE CARBUNE COD VECHI2604321911 (2604321905)
36
65
RON
814
1
2
RULMENT CU BILE 8x22x7 MM (2600905052)
24
59
RON
819
1
11
SURUB CU CAP SEMIROTUND T 4x16 (2603490022)
5
58
RON
836
1
1
SURUB CU CAP HEXAGONAL DIN 933-M5x70-8.8 (2911061180)
5
58
RON
845
1
1
PIULITA HEXAGONALA DIN 985-M 5-8-A (2915061003)
6
77
RON
846
1
1
RONDELA DIN 125-A5,3-A2 (2918650007)
5
58
RON
850
1
1
CAP DE RINDEA (2609110258)
186
44
RON
851
1
1
CUTIT DE RINDEA (2608635341)
50
99
RON
852
1
1
PANA DE PRINDERE (2603111001)
46
21
RON
853
1
2
STIFT FILETAT (2603400016)
5
58
RON
888
1
1
PLACUTA INDICATOARE TIP 26x52 MM (1601106032)
8
93
RON
Conditii Generale